GM Service Manual Online
For 1990-2009 cars only
Figure 1:

Center of Left Front Door Trim Panel


Object Number: 491229  Size: LF
(1)Outside Remote Control Rearview Mirror Switch
(2)Outside Remote Rearview Mirror Connector
(3)Window Switch Connector
(4)Window Master Switch - Driver
Figure 2:

Inside Left Door


Object Number: 374815  Size: LF
(1)Door Lock Ajar Indicator Switch, C2
(2)Door Lock Actuator Motor, C1
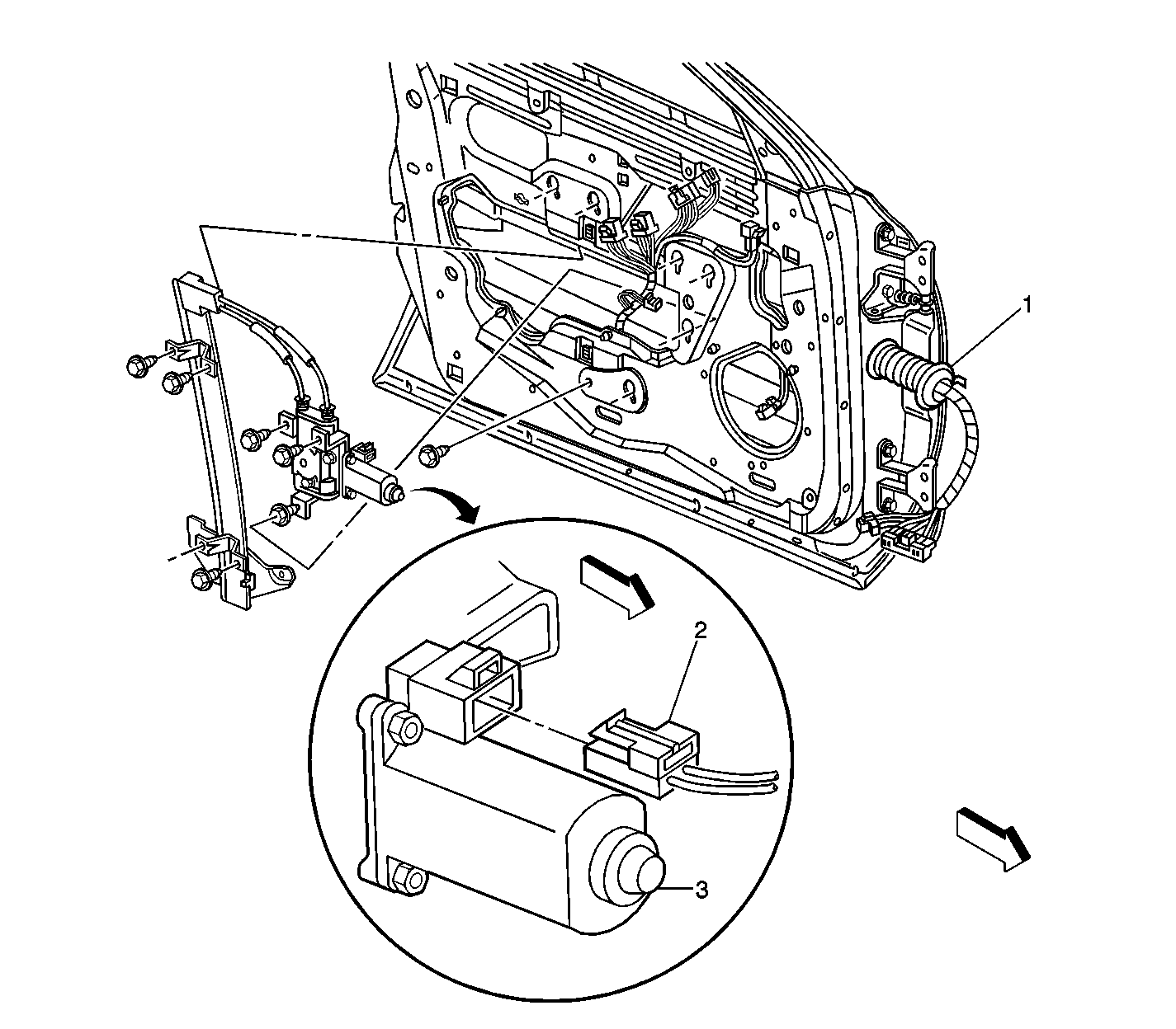
Figure 3:

Left Front Door


Object Number: 388991  Size: LF
(1)P500
(2)Window Motor Connector
(3)Window Motor - Driver
Figure 4:

Forward Edge of Driver Door, Base of Side Window -- Left


Object Number: 829882  Size: LF
(1)Outside Rearview Mirror
(2)Outside Rearview Mirror Connector - Driver
(3)Outside Rearview Mirror Switch Connector - Driver
Figure 5:

Right Rear Door


Object Number: 332521  Size: LF
(1)Window Switch-RR Connector
(2)Door Lock C1
(3)Door Lock C2
(4)Door Harness
(5)Window Motor-RR Connector
(6)C352
(7)P800
Figure 6:

Rear Door Panel


Object Number: 388989  Size: LF
(1)Rear Door Lock Switch
(2)Rear Door Lock Switch Connector