GM Service Manual Online
For 1990-2009 cars only
Figure 1:

LH Front of Vehicle Forward Lamp to Headlamp


Object Number: 305303  Size: LF
(1)C141 Shown, C142 Similar
(2)Headlamp - Left Shown, Headlamp - Right Similar
Figure 2:

Cooling Fans


Object Number: 581231  Size: LF
(1)C105
Figure 3:

Battery Cable and Grounding Point


Object Number: 581299  Size: LF
(1)Battery
(2)Fuse Block-Underhood
(3)G100
Figure 4:

Top of Engine (RPO LG8)


Object Number: 374681  Size: LF
(1)C102
(2)C108
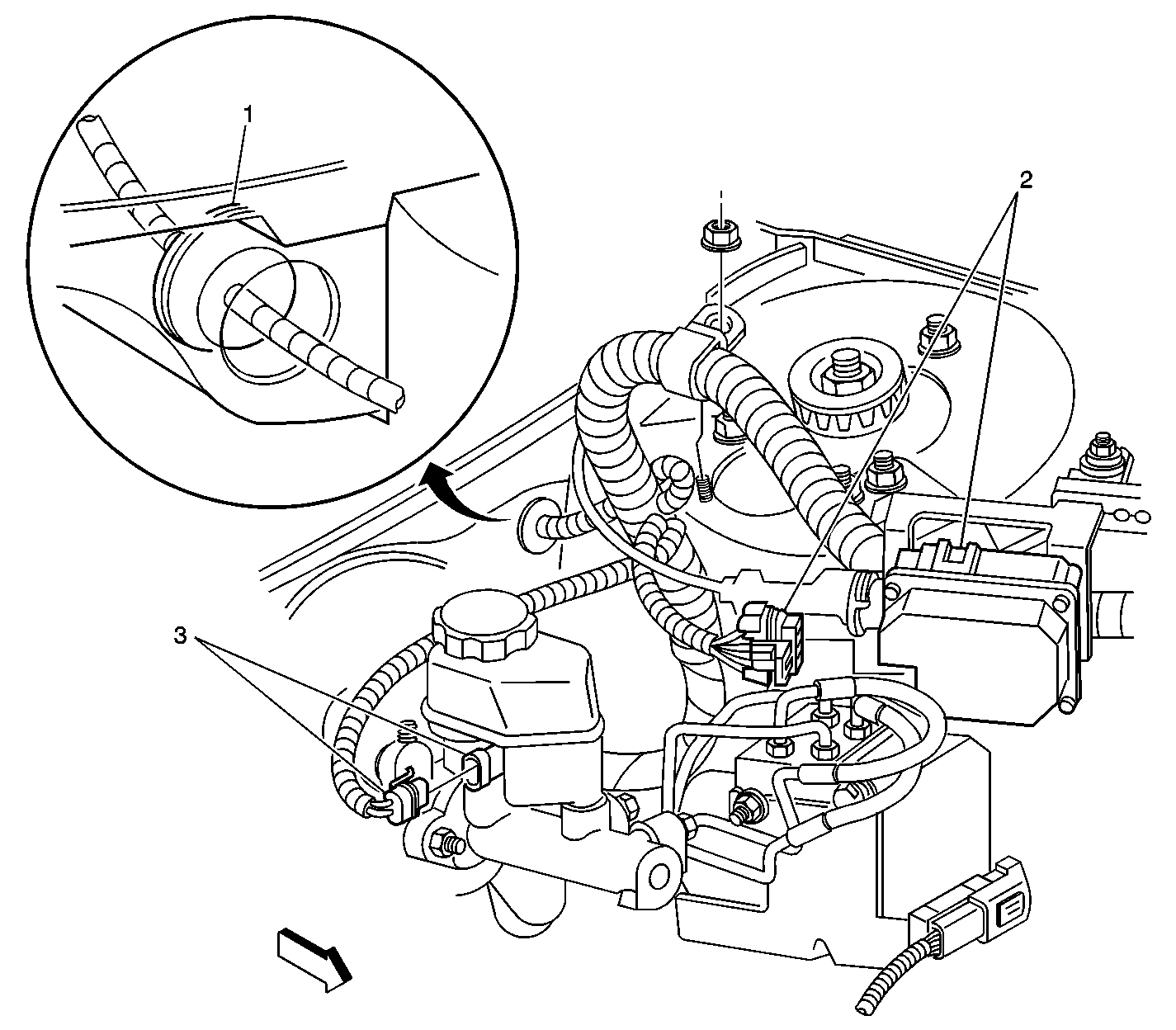
Figure 5:

Engine (RPO LG8) ICM and ECT


Object Number: 581246  Size: LF
(1)Manifold Absolute Pressure (MAP) Sensor
(2)C110
(3)C126
(4)Fuel Injector 5
(5)Evaporative Emission (EVAP) Canister Purge Solenoid
Figure 6:

Engine (RPO L67) ICM and ECT


Object Number: 581234  Size: LF
(1)C110
(2)C126
Figure 7:

Top Right of Engine -- RPO L36,L67


Object Number: 305310  Size: LF
(1)Ignition Coils
(2)Ignition Control Module (ICM)
(3)G111
(4)Ignition Control Module (ICM) Wiring Harness
Figure 8:

Engine (RPO L36/L67) Harness to Knock Sensor


Object Number: 581242  Size: LF
(1)Knock Sensor (KS) Connector
(2)C125
(3)Knock Sensor (KS) 2
Figure 9:

Engine (RPO L67), Near Starter


Object Number: 581303  Size: LF
(1)G113
(2)G117
(3)C171
(4)Starter Solenoid Connection
(5)Engine Oil Pressure Sensor
(6)Knock Sensor
(7)Positive Battery Connection to Starter
(8)Fusible Link
Figure 10:

Wheel Speed Sensor (WSS) - LF


Object Number: 581253  Size: LF
(1) Wheel Speed Sensor (WSS) - LF
(2)C171
Figure 11:

Wheel Speed Sensor (WSS) - RF


Object Number: 581251  Size: LF
(1)Wheel Speed Sensor (WSS) - RF
(2)C172
Figure 12:

Left Side of Engine Compartment (LG8)


Object Number: 826772  Size: LF
(1)Park/Neutral Position (PNP) Switch, C2
(2)Park/Neutral Position (PNP) Switch, C1
(3)Park/Neutral Position (PNP) Switch
(4)Electronic Brake Control Module (EBCM)
(5)C101
(6)A/C Refrigerant Pressure Sensor
(7)C171
(8)G113
Figure 13:

LH Side of Engine Compartment (RPO L67)


Object Number: 581240  Size: LF
(1)C113
(2)C101
Figure 14:

LR of Engine Compartment, Front of Stud Tower


Object Number: 581232  Size: LF
(1)Cruise Control Module (CCM)
(2)C101
Figure 15:

LR of Engine Compartment, Front of Stud Tower


Object Number: 581308  Size: LF
(1)P103
(2)Cruise Control Module (CCM)
(3)Brake Fluid Level Switch
Figure 16:

IP Harness Passthrough to Engine Compartment


Object Number: 581306  Size: LF
(1)P100
Figure 17:

Left Side of IP Harness, Near Steering Column


Object Number: 581255  Size: LF
(1)C207
(2)C205
(3)C216
(4)C215
(5)C201
(6)G201
Figure 18:

Vehicle Fuel Tank


Object Number: 374824  Size: LF
(1)C405
Figure 19:

Upper Left of Instrument Panel


Object Number: 581311  Size: LF
(1)Sun Load Sensor
(2)G203
(3)Ambient Light Sensor
Figure 20:

Behind Center of Instrument Panel


Object Number: 305344  Size: LF
(1)Air Temperature Actuator - Right (CJ2)
(2)Vacuum Control Assembly
(3)Engine Vacuum Hose
(4)Blower Motor
(5)Blower Motor Control Processor (CJ2) or Blower Resistor Assembly (CJ3)
(6)P100
(7)Heater-A/C Module
(8)Air Temperature Actuator - Left
Figure 21:

Right Side of Instrument Panel - Front


Object Number: 581309  Size: LF
(1)Fuse Block - I/P
(2)G200
(3)C200
Figure 22:

Right Side of IP Pass-Through to Engine Compartment


Object Number: 581310  Size: LF
(1)Park Lamp Relay
(2)P100
(3)IP Fuse Block
Figure 23:

LH Side of Inflatable Restraint IP Module


Object Number: 581256  Size: LF
(1)C216
Figure 24:

Antenna Cable


Object Number: 581267  Size: LF
(1)Radio
(2)C290
Figure 25:

Cigar Lighter Jumper Harness View


Object Number: 329256  Size: LF
(1)C242 (Inline from IP to Ashtray Jumper)
Figure 26:

Center Console


Object Number: 329260  Size: LF
(1)C240
Figure 27:

LH Side of Passenger Compartment


Object Number: 305354  Size: SF
(1)P371
(2)C351
(3)Park Brake Cable
(4)G301
(5)C301
(6)C303
(7)C311
(8)Body Wiring Harness
Figure 28:

Right Side Floor of Passenger Compartment


Object Number: 329265  Size: LF
(1)C352
(2)P372
(3)C302
Figure 29:

Lower RH A Pillar


Object Number: 581286  Size: LF
(1)P500
(2)C301
Figure 30:

Lower LH A Pillar


Object Number: 581287  Size: LF
(1)P600
(2)C302
Figure 31:

Cross Body Wiring


Object Number: 581283  Size: LF
(1)C311
(2)Inflatable Restraint Sensing and Diagnostic Module Connector
(3)Heated Seat Switch - Driver
(4)Heated Seat Switch - Passenger
(5)C312
Figure 32:

LH Pillar B


Object Number: 581288  Size: LF
(1)P700 LH Shown, P800 RH Similar
(2)C351 LR Shown, RR C352 Similar
Figure 33:

Right Side Of Passenger Compartment (Sedan Shown) (Coupe Similar)


Object Number: 327680  Size: SF
(1)C405
(2)P372
Figure 34:

Left Side of Rear Package Shelf


Object Number: 581313  Size: LF
(1)C395
(2)C399
(3)G402
(4)C390
(5)C398
(6)Rear Window Defogger Connector, C1
(7)C420
Figure 35:

Left Side of Rear Package Shelf, Roof/Sunroof


Object Number: 581292  Size: LF
(1)C398
(2)Antenna Amplifier Connection to Rear Window Defogger (w/ RPO CF5)
(3)C420
(4)C399
(5)C395
(6)C390
(7)Rear Window Defogger Connector, C1
Figure 36:

Left Side of Rear Compartment


Object Number: 581289  Size: LF
(1)Rear Compartment Courtesy Lamp
(2)C399
(3)C402
(4)C410
(5)C395
(6)G402
Figure 37:

Right Side of Rear Compartment


Object Number: 581290  Size: LF
(1)Speaker Connector - RR
(2)P425
(3)Evaporative Emissions (EVAP) Canister Vent Solenoid Connector
(4)C402
Figure 38:

Rear Compartment Antenna Cable


Object Number: 581298  Size: LF
(1)C390
Figure 39:

Rear Compartment Lid


Object Number: 581296  Size: LF
(1)Rear Compartment Lid Ajar Switch Connector
(2)Rear Compartment Lid Lock Release Actuator Connector
(3)P932
(4)P430
(5)C410
(6)C915
Figure 40:

Backup Lamp Applique


Object Number: 581361  Size: LF
(1)C915
(2)P915
(3)Backup Lamp Applique