GM Service Manual Online
For 1990-2009 cars only
Makes
🢒
Buick
🢒
2002
🢒
Century
🢒
HVAC
🢒
HVAC Systems - Manual
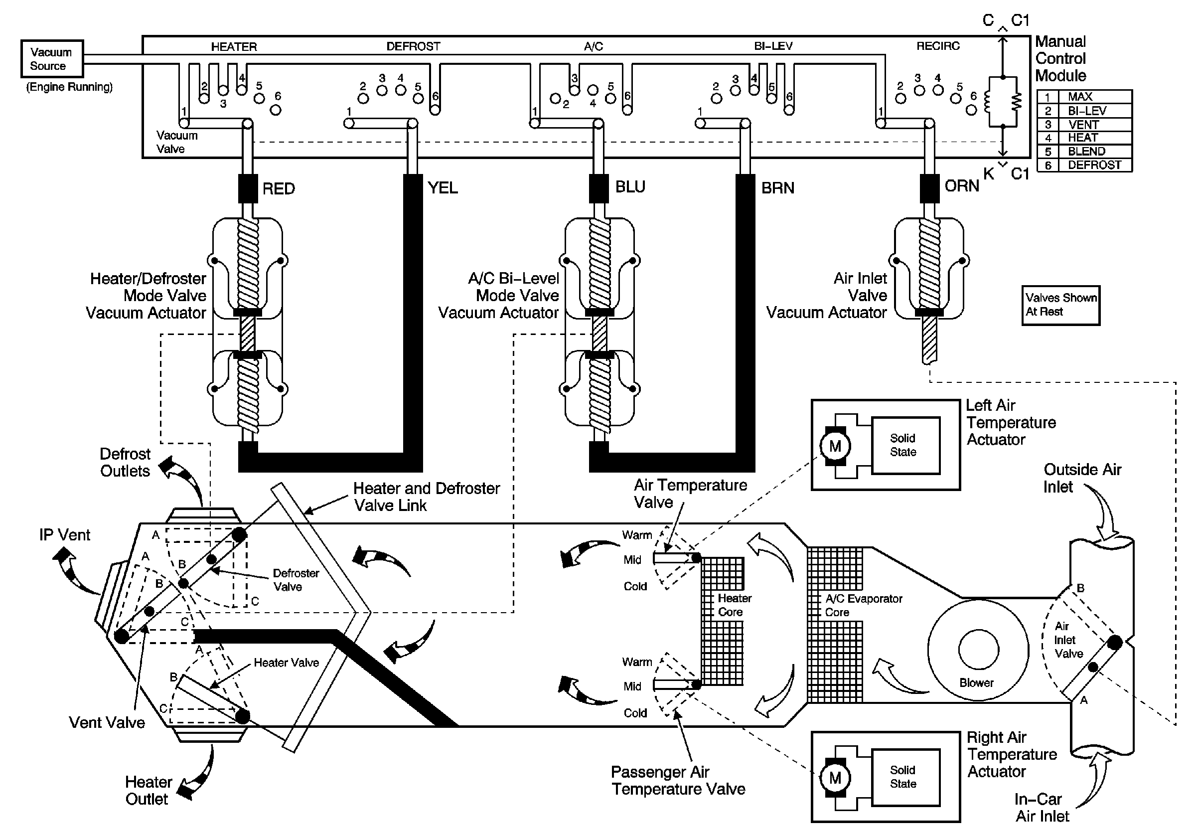
🢒 HVAC Vacuum Schematics
HVAC Vacuum