GM Service Manual Online
For 1990-2009 cars only
Makes
🢒
Buick
🢒
2002
🢒
Century
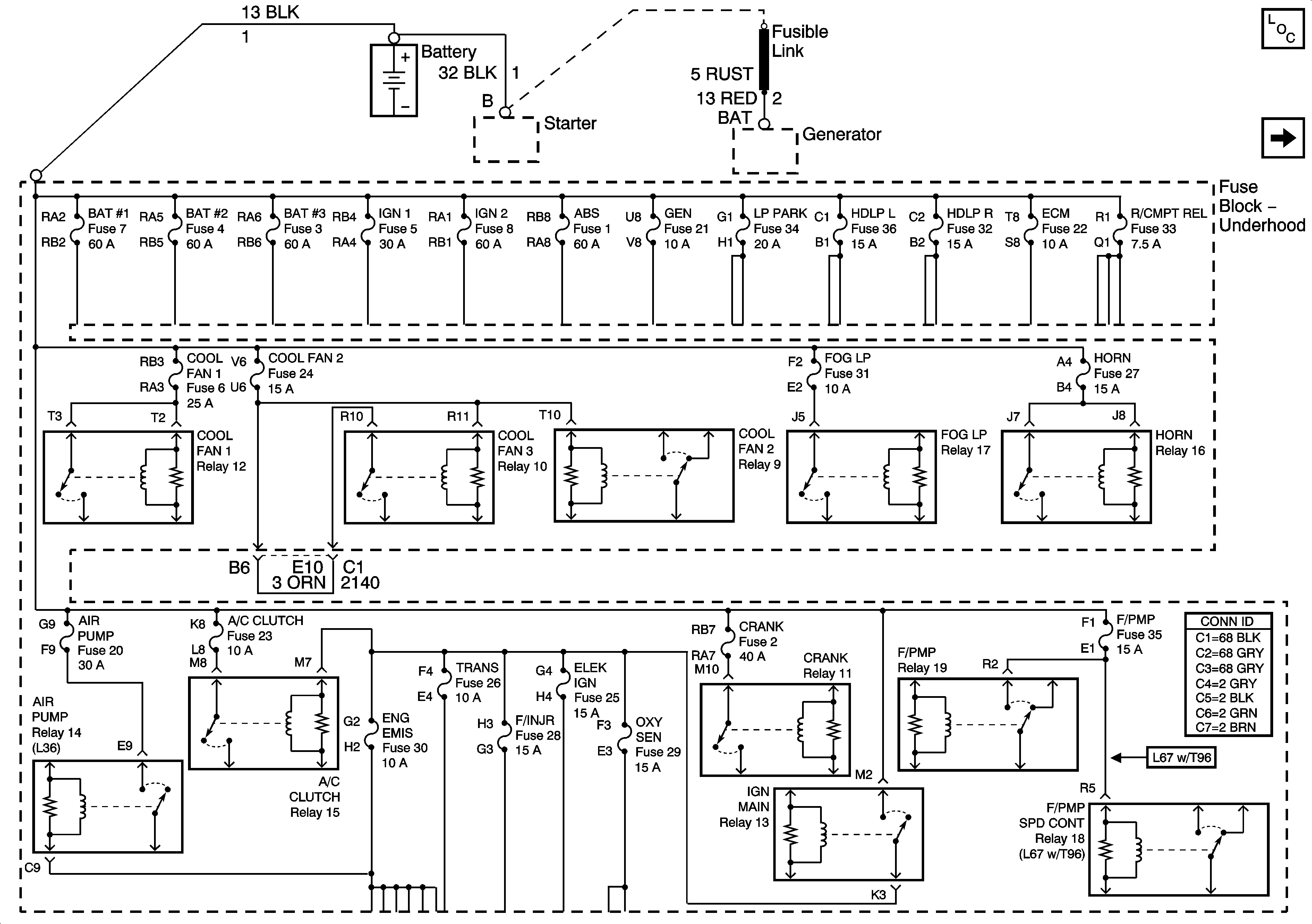
🢒 Fuse Block Underhood Power Bussing (Page 1 of 2)
Fuse Block Underhood Power Bussing (Page 1 of 2)
Fuse Block - Underhood B+ Buss
Master Electrical Component List
Batt 1 Fuse