GM Service Manual Online
For 1990-2009 cars only
Makes
🢒
Buick
🢒
2002
🢒
Century
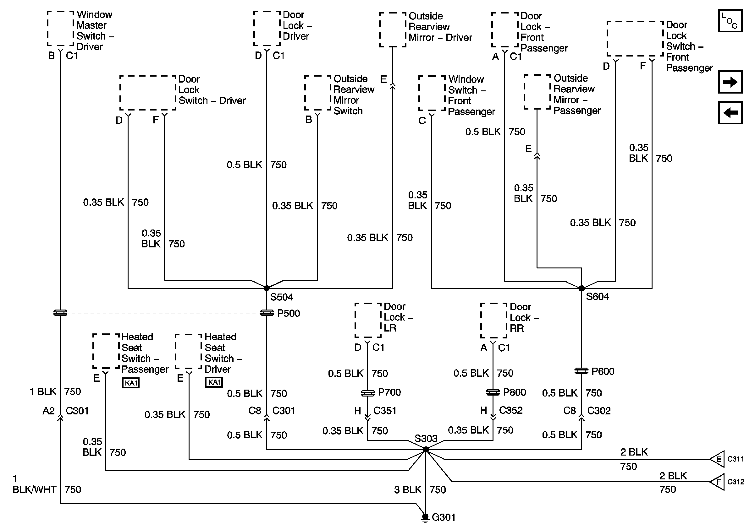
🢒 G301 (Page 1 of 2)
G301 (Page 1 of 2)
G301, Page 1 of 2
Master Electrical Component List
G301 (Page 2 of 2)
G203 (Page 2 of 2)
G301 (Page 2 of 2)
G301 (Page 2 of 2)