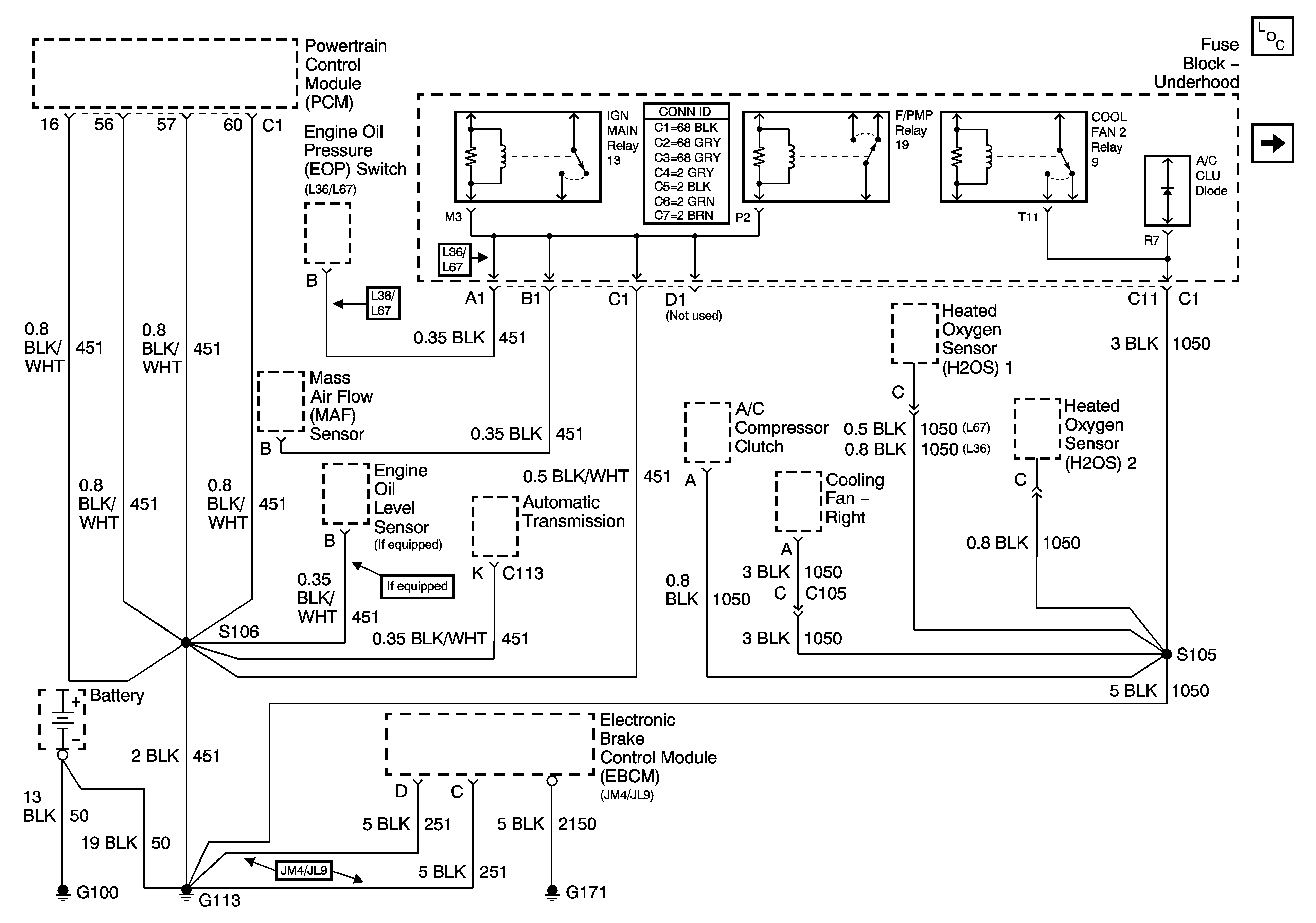
| Figure 1: |
G100, G113, and G171
|
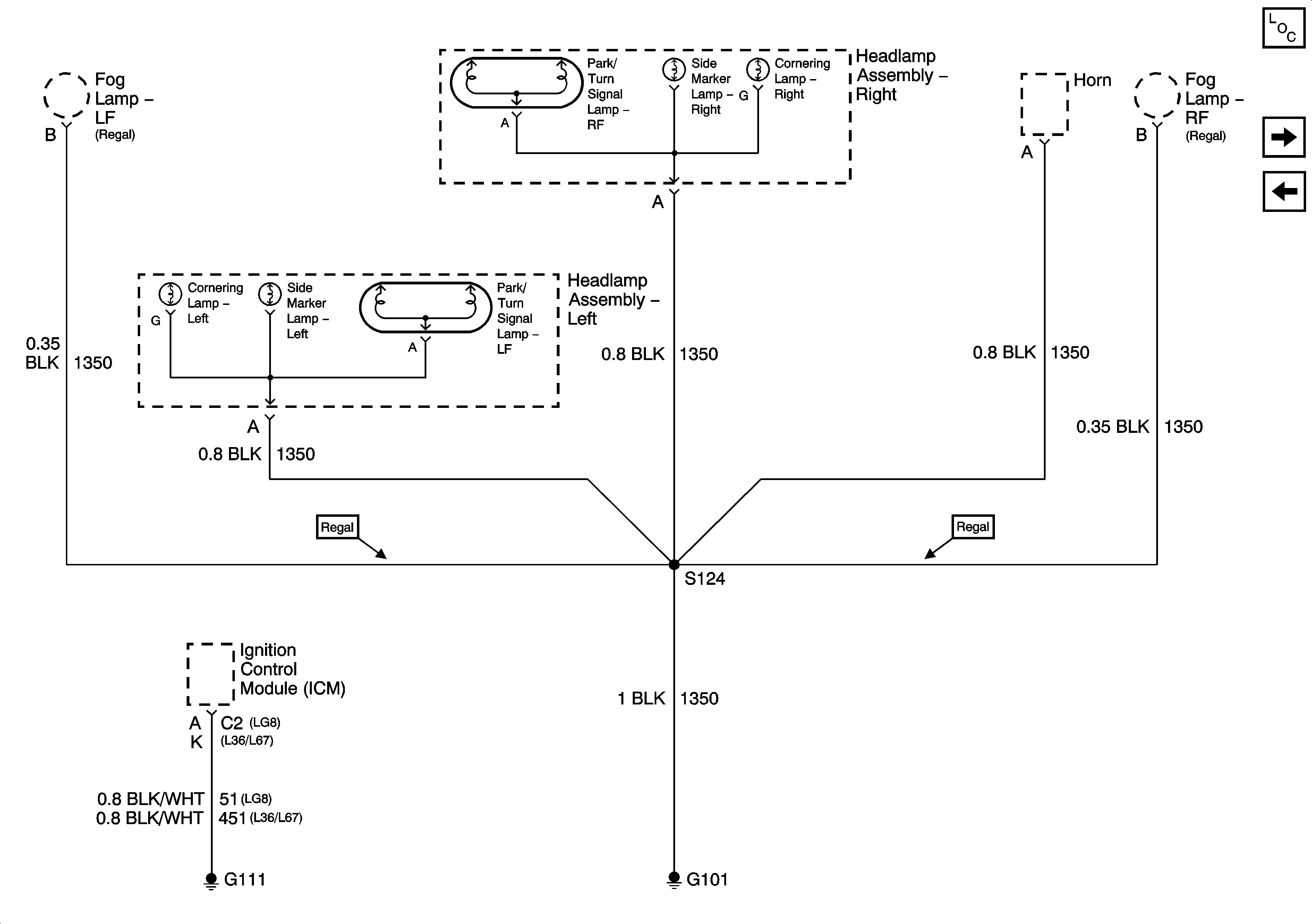
| Figure 2: |
G101 and G111
|
| Figure 3: |
G200, Page 1 of 2
|
| Figure 4: |
G200, Page 2 of 2
|
| Figure 5: |
G201
|
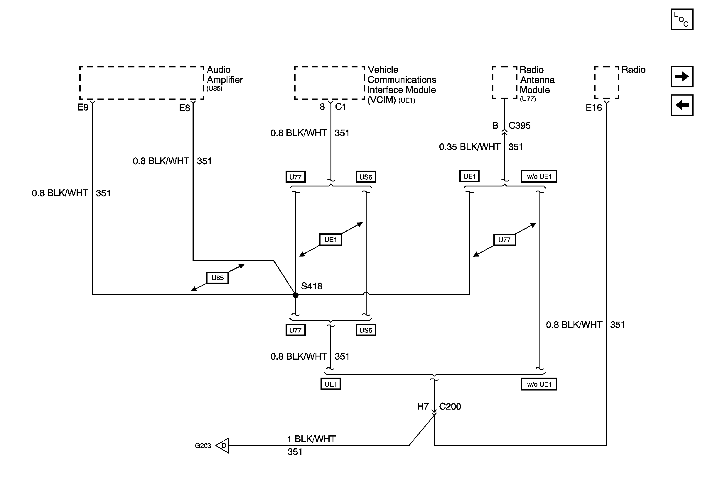
| Figure 6: |
G203, Page 1 of 2
|
| Figure 7: |
G203, Page 2 of 2
|
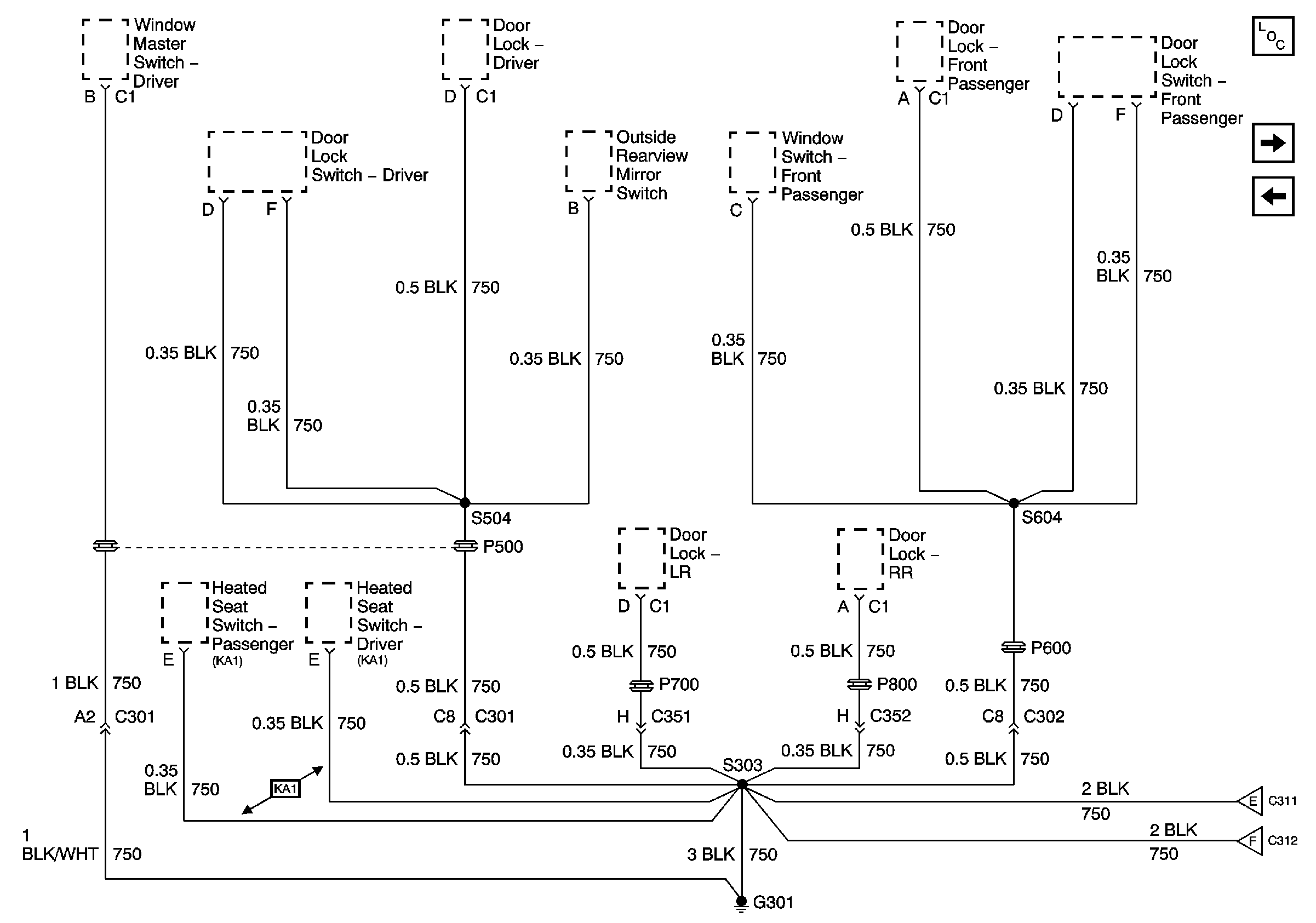
| Figure 8: |
G301, Page 1 of 2
|
| Figure 9: |
G301, Page 2 of 2
|
| Figure 10: |
G401
|
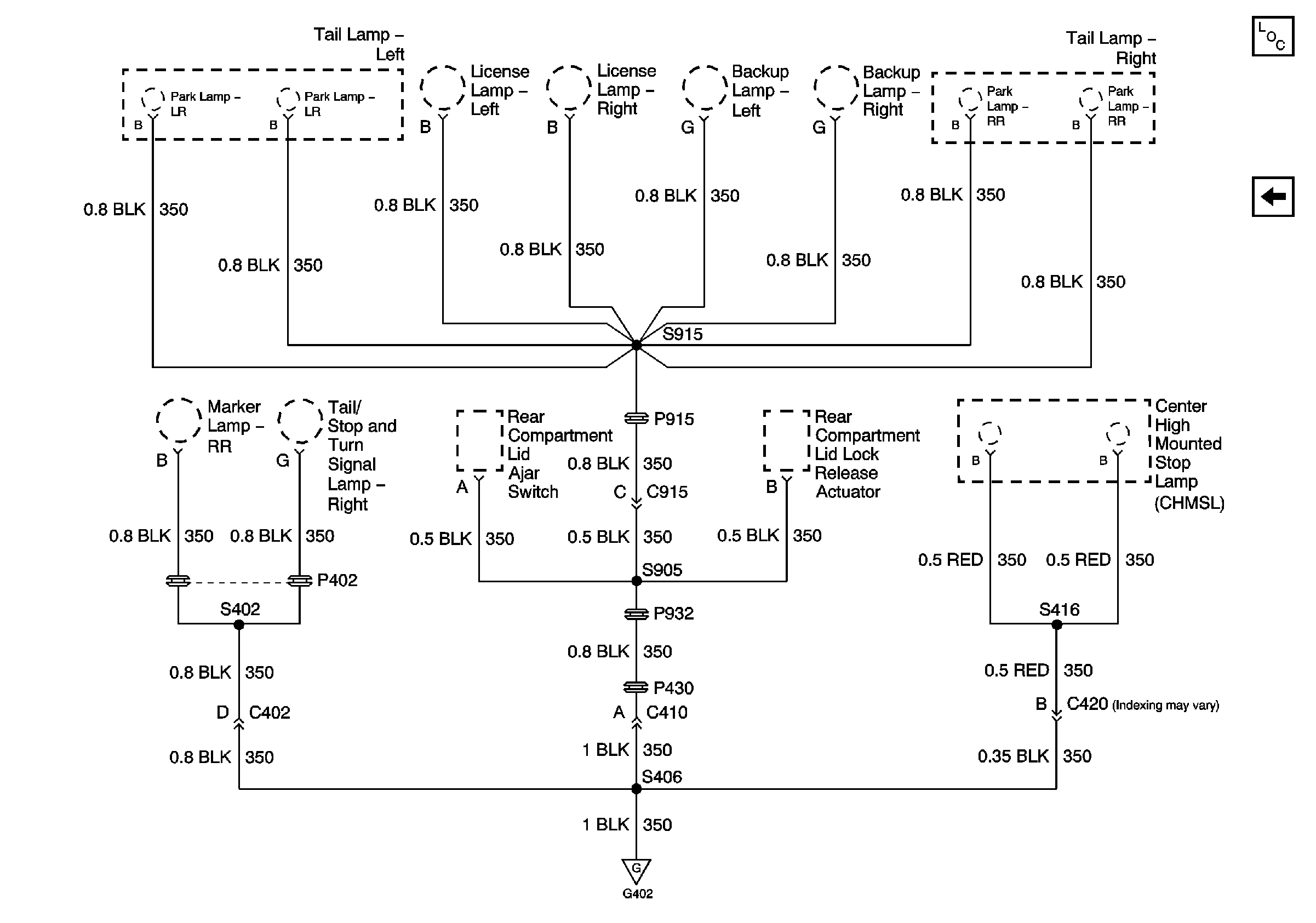
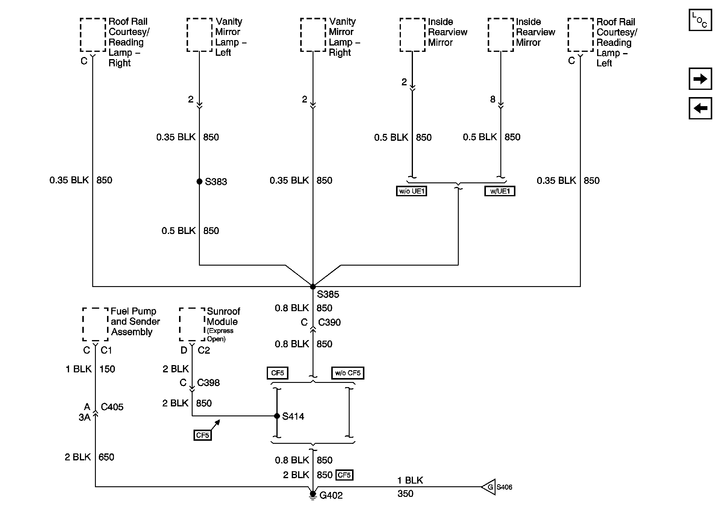
| Figure 11: |
G402, Page 1 of 2
|
| Figure 12: |
G402, Page 2 of 2
|