GM Service Manual Online
For 1990-2009 cars only
Makes
🢒
Buick
🢒
2003
🢒
Century
🢒
Restraints
🢒
SIR
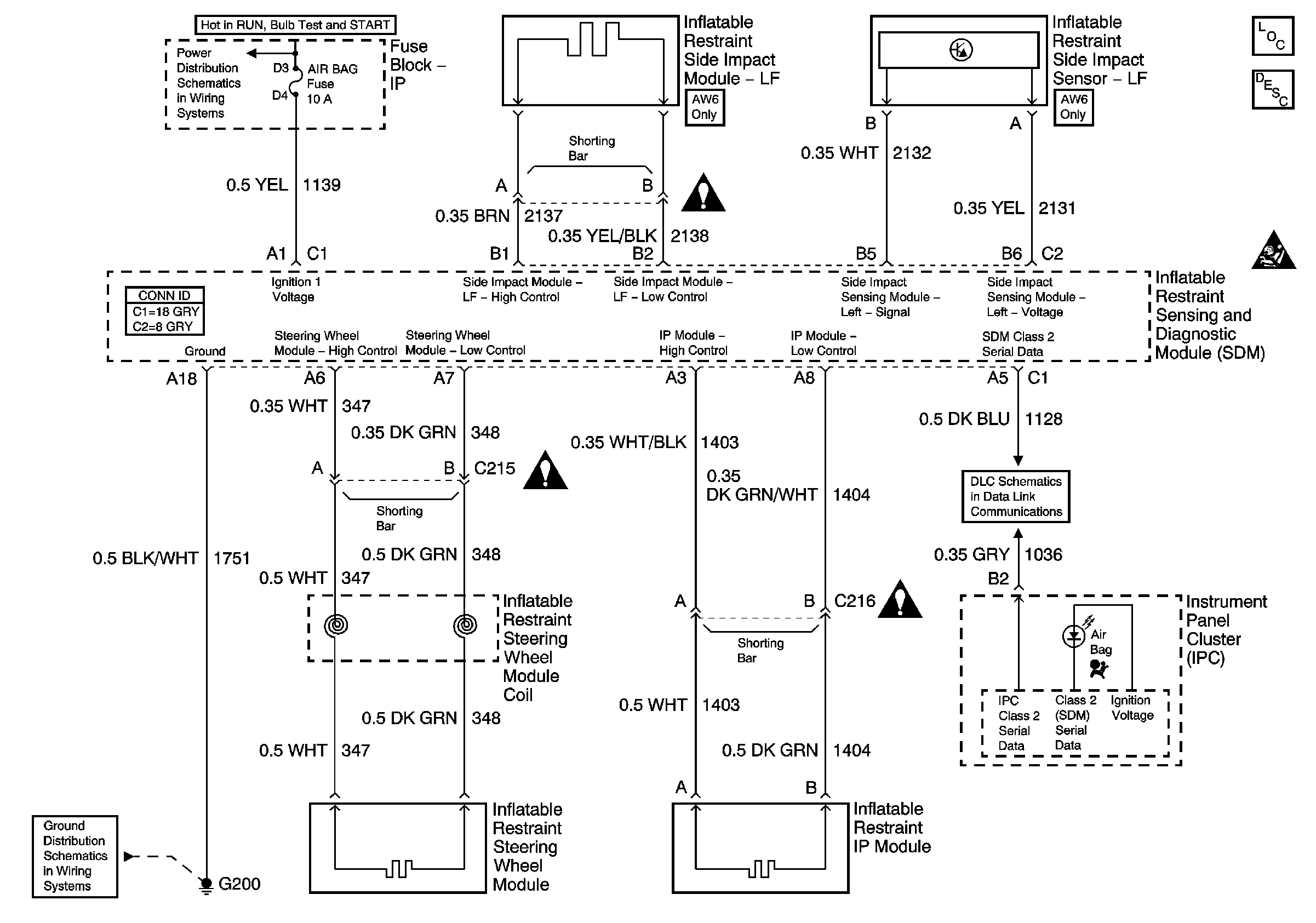
🢒 SIR Schematics
Master Electrical Component List
SIR System Description and Operation
SIR Caution for Zoning
Fuse Block-Underhood IGN 1 Fuse
G200, Page 1 of 2
SIR Schematic Icons
SIR Schematic Icons
SIR Schematic Icons
Data Link Connector (DLC) Schematics