GM Service Manual Online
For 1990-2009 cars only
Makes
🢒
Buick
🢒
2003
🢒
Century
🢒
Body and Accessories
🢒
Wiring Systems
🢒 Interior Lights Schematics
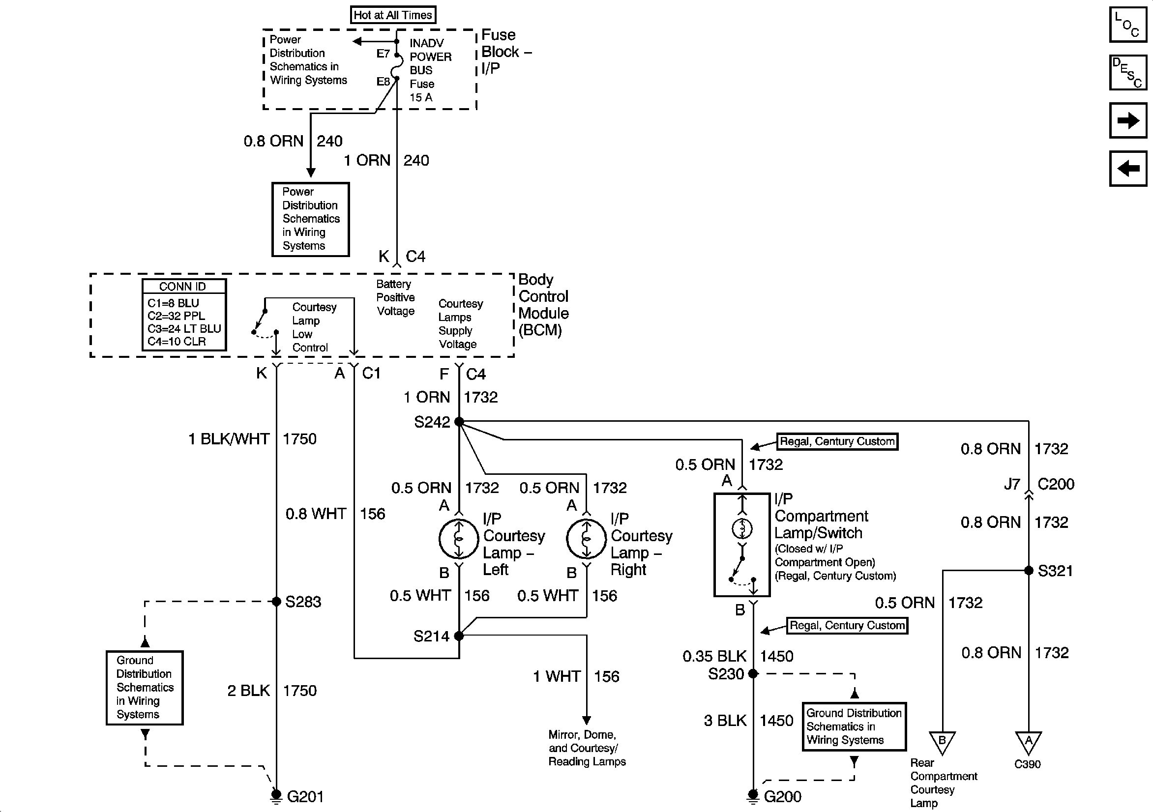
Figure
1:
Lamp Controls
Master Electrical Component List
Interior Lighting Systems Description and Operation
I/P Courtesy Lamps
Keyless Entry Schematics
G201
G301, Page 1 of 2
Figure
2:
Compartment and I/P Courtesy Lamps
Master Electrical Component List
Interior Lighting Systems Description and Operation
Mirror, Dome, and Courtesy/Reading Lamps
Lamp Controls
Fuse Block-Underhood Batt 1 Fuse, Fuse Block-I/P RADIO, HVAC, RFA CLUSTER, DATA LINK, BCM PWR, INADV POWER BUS, RADIO PREM SOUND, and CIGAR LTR Fuses
Fuse Block-Underhood Batt 1 Fuse, Fuse Block-I/P RADIO, HVAC, RFA CLUSTER, DATA LINK, BCM PWR, INADV POWER BUS, RADIO PREM SOUND, and CIGAR LTR Fuses
G201
Mirror, Dome, and Courtesy/Reading Lamps
G200, Page 1 of 2
Rear Compartment Courtesy Lamp
Mirror, Dome, and Courtesy/Reading Lamps
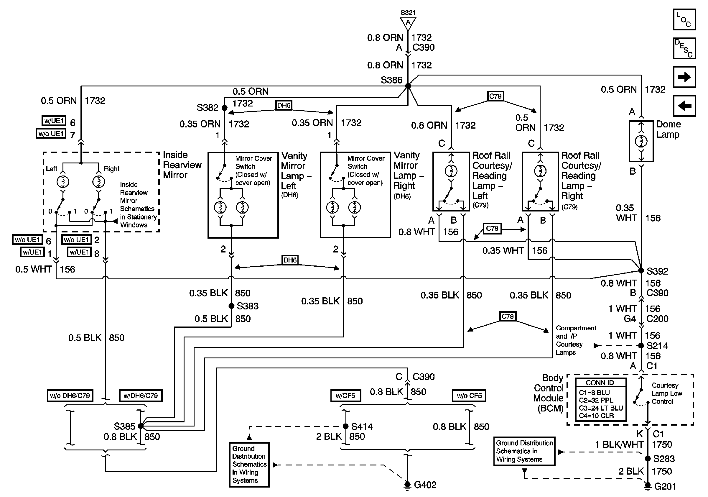
Figure
3:
Mirror, Dome, and Courtesy/Reading Lamps
Master Electrical Component List
Interior Lighting Systems Description and Operation
Rear Compartment Courtesy Lamp
I/P Courtesy Lamps
I/P Courtesy Lamps
Inside Rearview Mirror Schematics
I/P Courtesy Lamps
G402, Page 1 of 2
G201
Figure
4:
Rear Compartment Courtesy Lamp
Master Electrical Component List
Interior Lighting Systems Description and Operation
Mirror, Dome, and Courtesy/Reading Lamps
I/P Courtesy Lamps
G402, Page 2 of 2
G402, Page 1 of 2