GM Service Manual Online
For 1990-2009 cars only
Makes
🢒
Buick
🢒
2003
🢒
Century
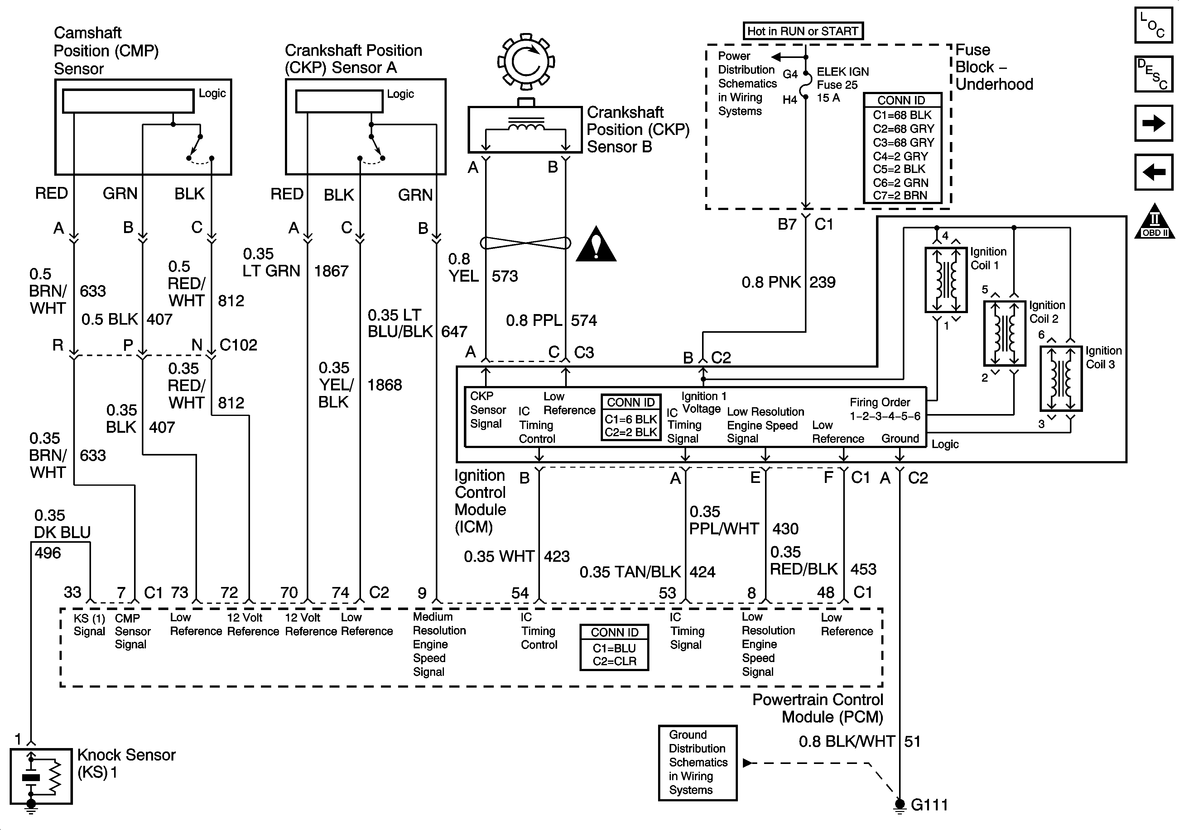
🢒 Ignition Control Module
Ignition Control Module
Ignition Control Module
Master Electrical Component List
Electronic Ignition (EI) System Description
Fuel Pump Controls
Oxygen Sensors
OBD II Symbol Description Notice
Fuse Block-Underhood B+ Buss
Engine Controls Schematic Icons
G101 and G111