GM Service Manual Online
For 1990-2009 cars only
Makes
🢒
Buick
🢒
2003
🢒
Century
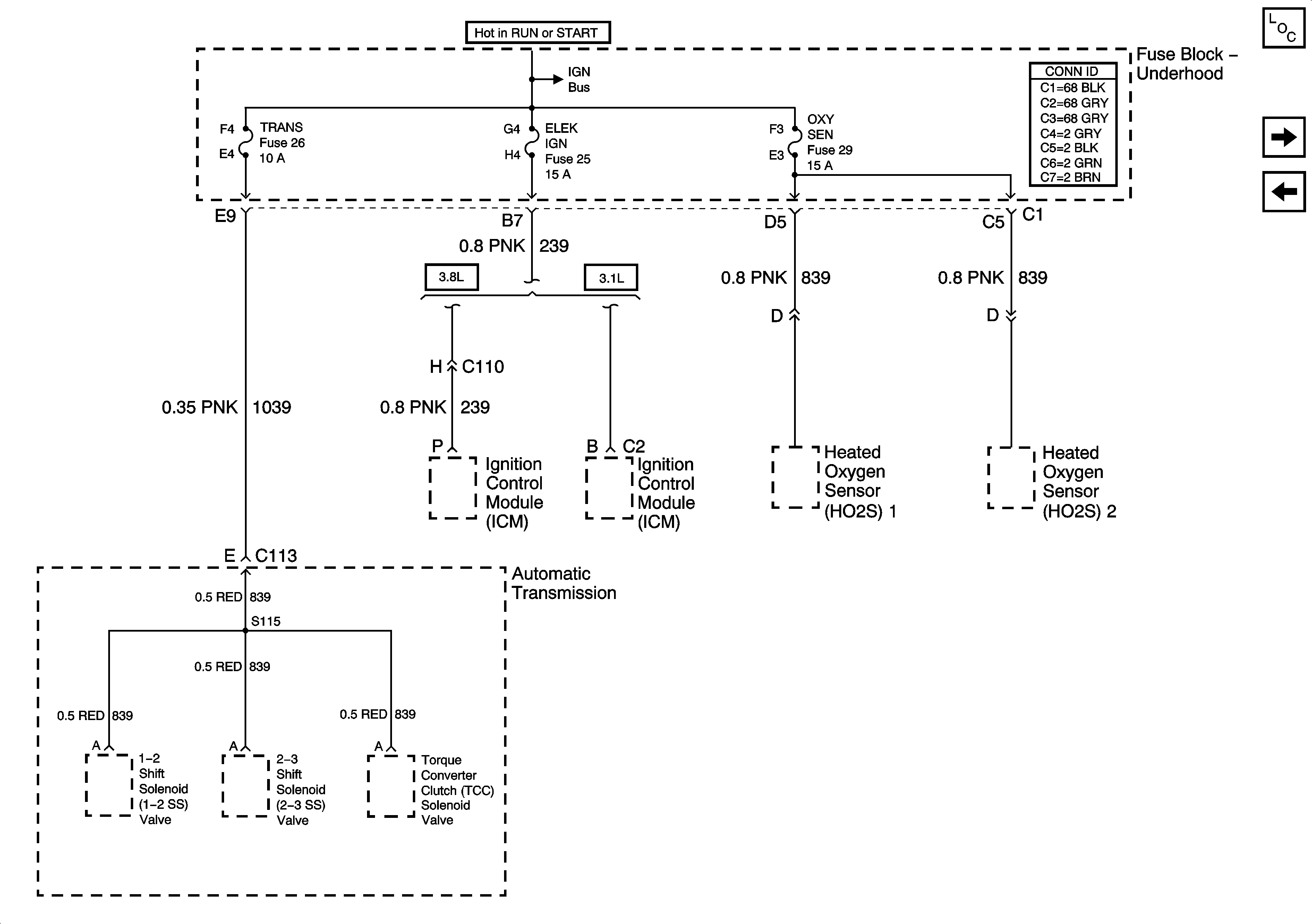
🢒 Fuse Block-Underhood TRANS, ELEK, IGN, OXY SEN Fuses
Fuse Block-Underhood TRANS, ELEK, IGN, OXY SEN Fuses
Fuse Block - Underhood TRANS, ELEK IGN, and OXY SEN Fuses
Master Electrical Component List
Fuse Block-Underhood ENG EMIS Fuse
Fuse Block-Underhood F/INJR Fuse
Fuse Block-Underhood B+ Buss