GM Service Manual Online
For 1990-2009 cars only
Makes
🢒
Buick
🢒
2003
🢒
Century
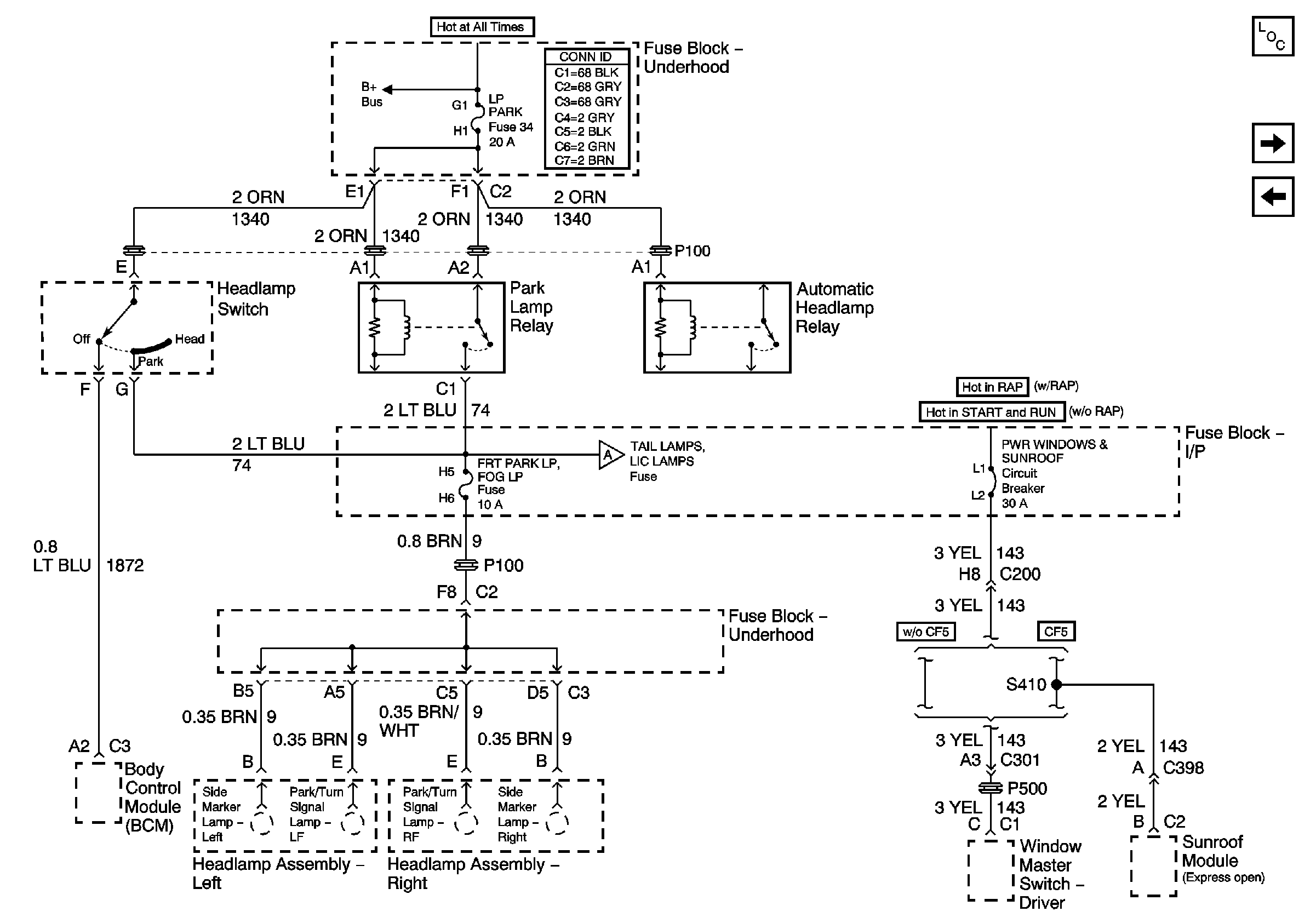
🢒 Fuse Block-Underhood LP PARK Fuse, Fuse Block-I/P FRT PARK LP, FOG LP, Fuse, and PWR WINDOWS, SUNROOF Circuit Breaker
Fuse Block-Underhood LP PARK Fuse, Fuse Block-I/P FRT PARK LP, FOG LP, Fuse, and PWR WINDOWS, SUNROOF Circuit Breaker
Fuse Block - Underhood LP PARK Fuse, Fuse Block - I/P FRT PARK LP, FOG LP Fuse and PWR WINDOWS and SUNROOF Circuit Breaker
Master Electrical Component List
Fuse Block-I/P TAIL LAMPS, LIC LAMPS, and PANEL DIMMING Fuses
Fuse Block-I/P ABS, and BTSI PARK LOCK Fuses
Fuse Block-Underhood B+ Buss
Fuse Block-I/P TAIL LAMPS, LIC LAMPS, and PANEL DIMMING Fuses