GM Service Manual Online
For 1990-2009 cars only
Makes
🢒
Buick
🢒
2003
🢒
Century
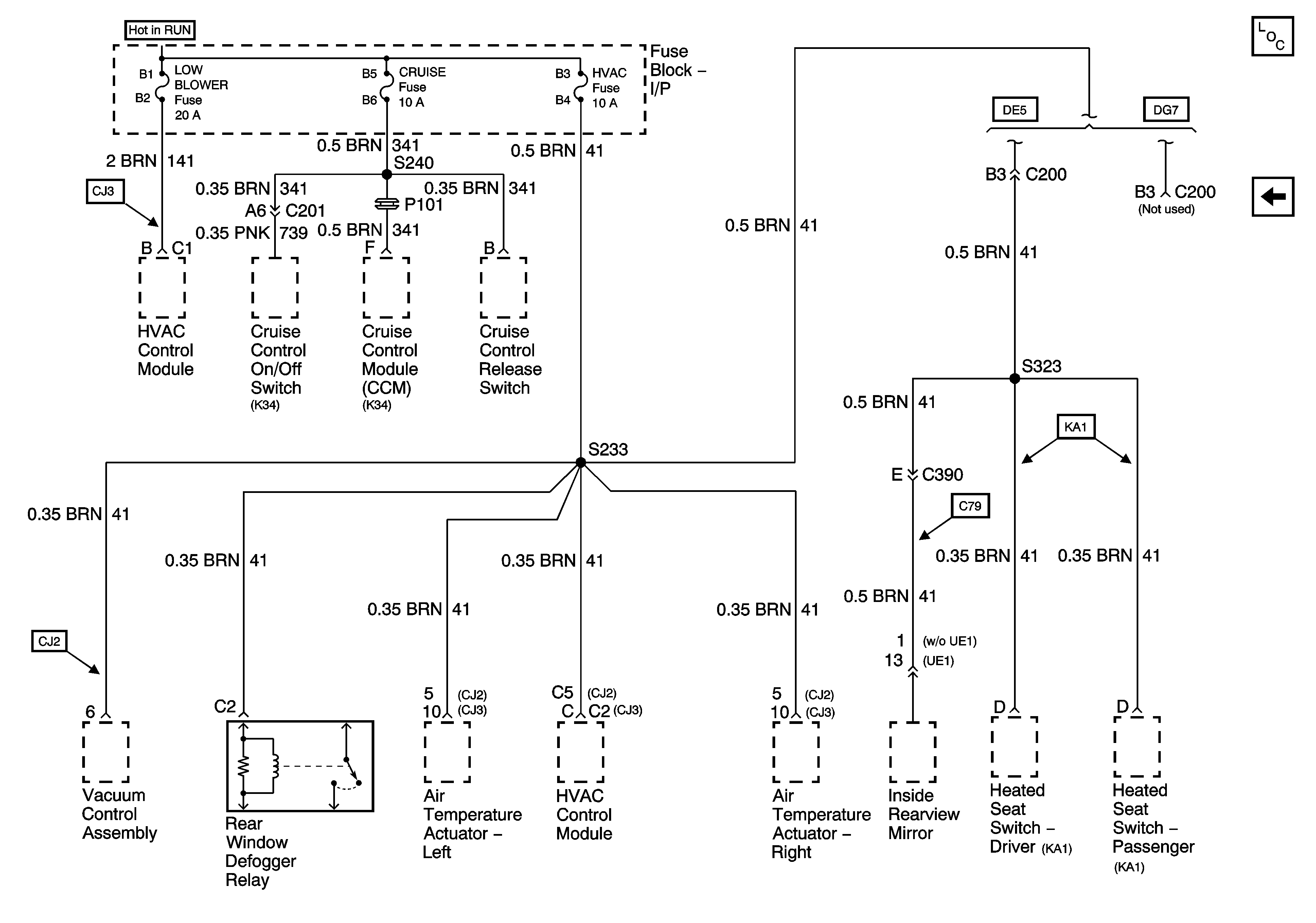
🢒 Fuse Block-I/P LOW BLOWER, CRUISE, and HVAC Fuses
Fuse Block-I/P LOW BLOWER, CRUISE, and HVAC Fuses
Fuse Block - I/P LOW BLOWER, CRUISE, and HVAC Fuses
Master Electrical Component List
Fuse Block-I/P WIPER, BCM ACC, POWER DROP, RADIO, and STRG WHL CONT Fuses