GM Service Manual Online
For 1990-2009 cars only
Makes
🢒
Buick
🢒
2004
🢒
Century
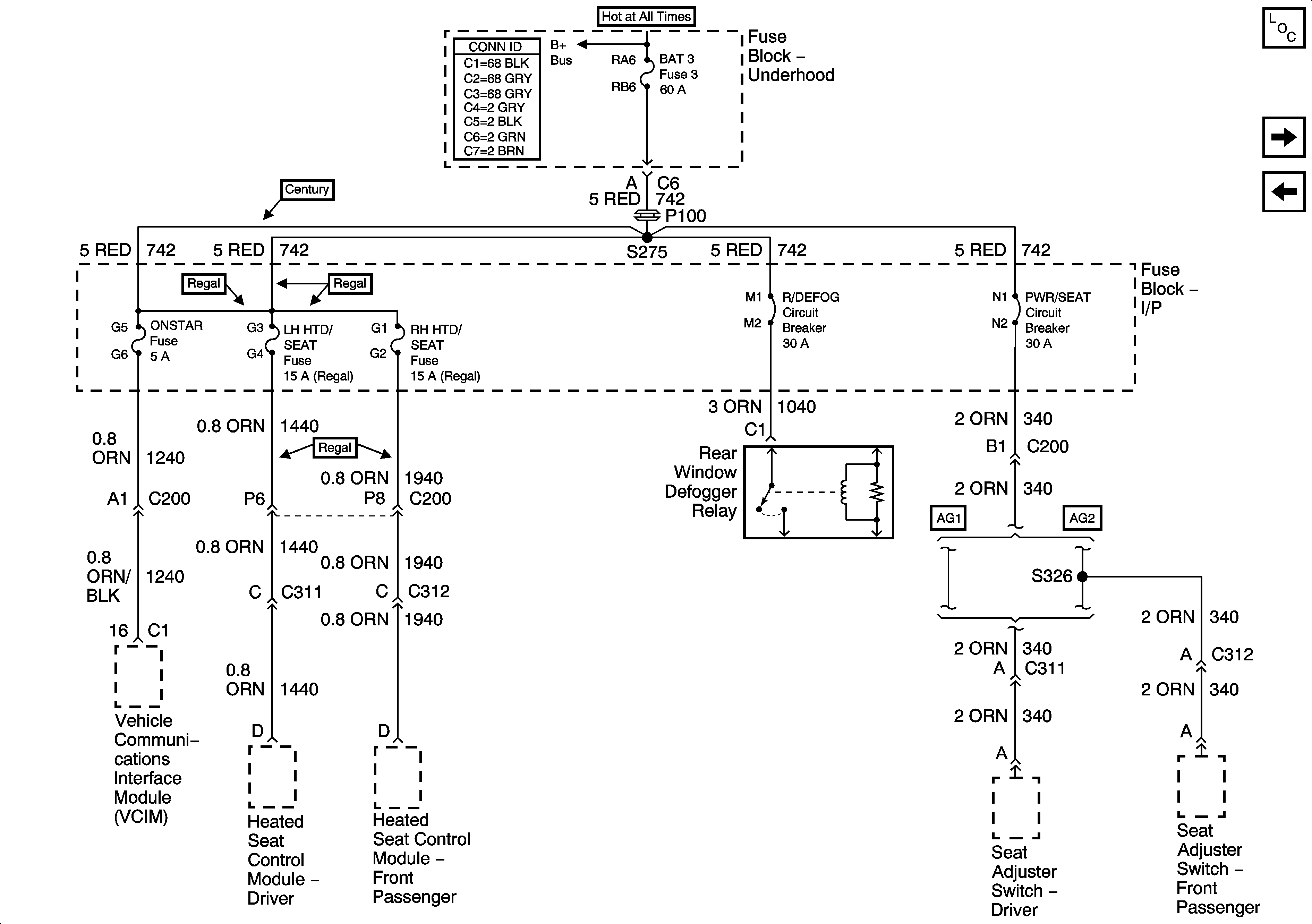
🢒 Fuse Block - Underhood BAT 3 Fuse, Fuse Block - I/P ONSTAR,HTD SEAT Fuses, R/DEFOG and PWR/SEAT Circuit Breakers
Fuse Block - Underhood BAT 3 Fuse, Fuse Block - I/P ONSTAR,HTD SEAT Fuses, R/DEFOG and PWR/SEAT Circuit Breakers
Fuse Block - Underhood BAT 3 Fuse , Fuse Block - I/P ONSTAR, HTD/SEAT Fuses, R/DEFOG, and PWR/SEAT Circuit Breakers
Master Electrical Component List
Fuse Block - Underhood IGN 1 Fuse
Fuse Block - Underhood BAT 2 Fuse, Fuse Block - I/P HI/BLWR, HAZRD, STOP LAMPS, DR/LCK, and PWR/MIR Fuses
Fuse Block - Underhood B+ Bus