GM Service Manual Online
For 1990-2009 cars only
Makes
🢒
Buick
🢒
2004
🢒
Century
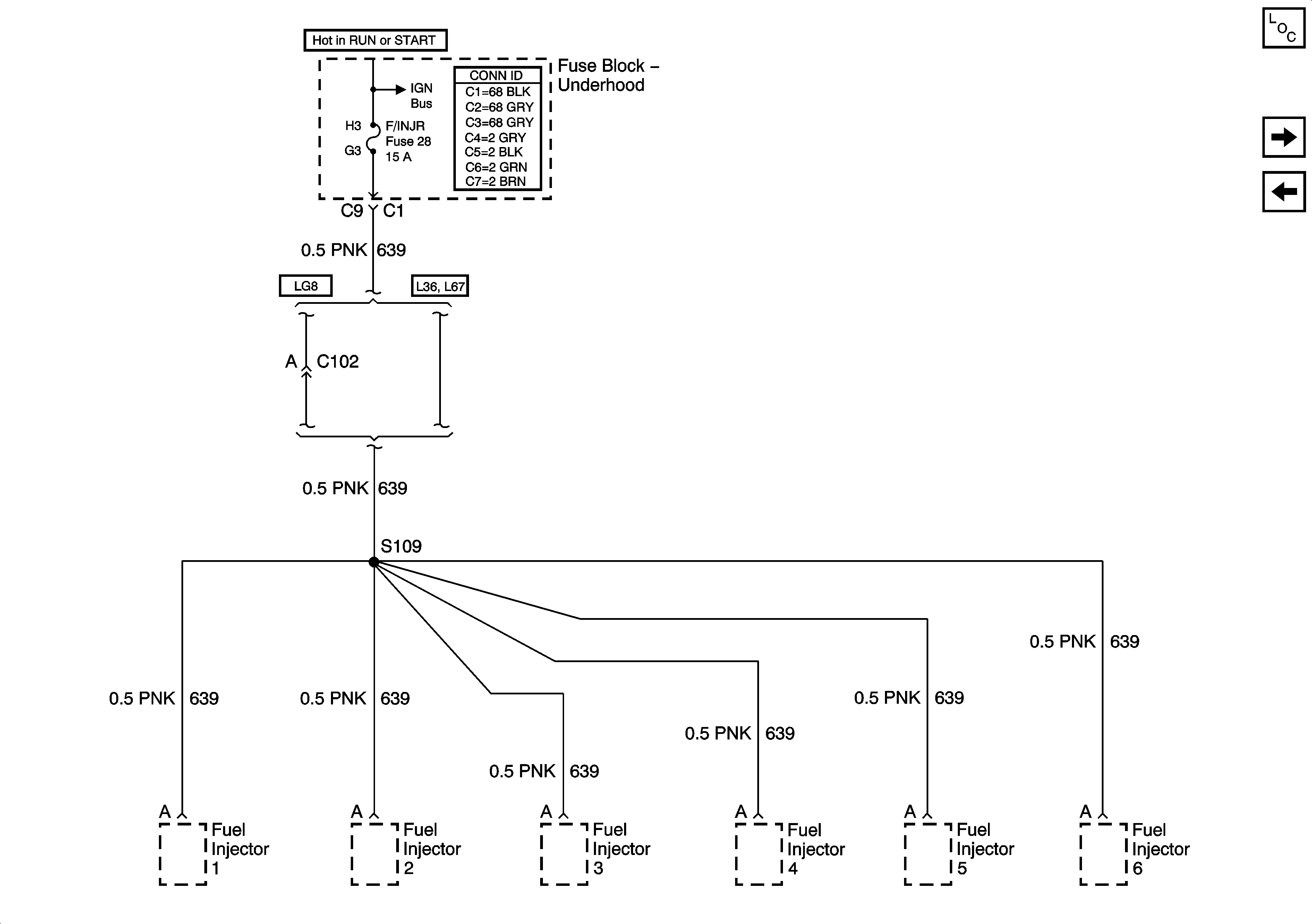
🢒 Fuse Block - Underhood F/INJR Fuse
Fuse Block - Underhood F/INJR Fuse
Fuse Block - Underhood F/INJR Fuse
Master Electrical Component List
Fuse Block - Underhood TRANS, ELEK IGN, and OXY SEN Fuses
Fuse Block - Underhood IGN 2 Fuse
Fuse Block - Underhood B+ Bus