GM Service Manual Online
For 1990-2009 cars only
Makes
🢒
Buick
🢒
2004
🢒
Century
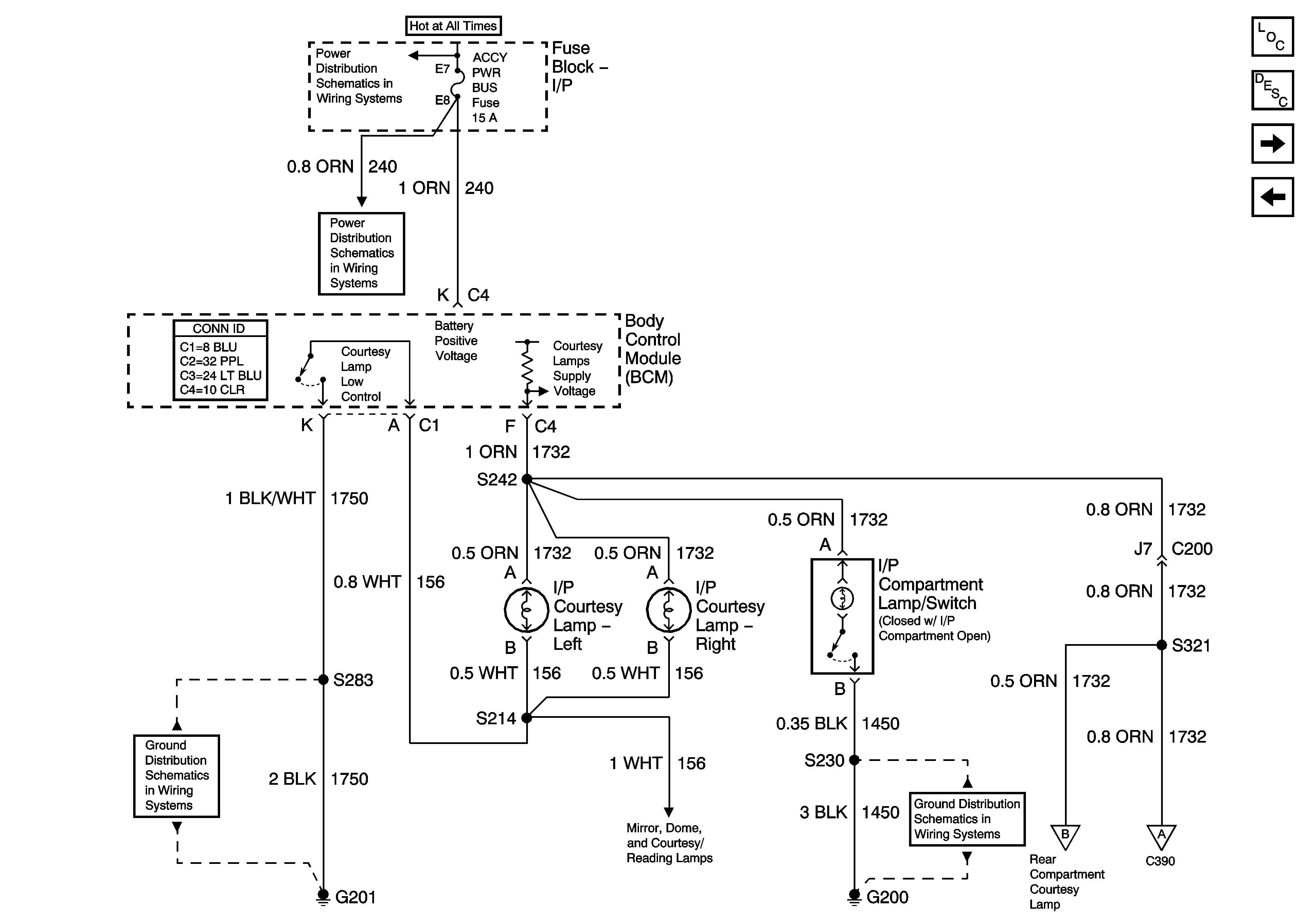
🢒 I/P Courtesy Lamps
I/P Courtesy Lamps
I/P Courtesy Lamps
Master Electrical Component List
Interior Lighting Systems Description and Operation
Mirror, Dome, and Courtesy/Reading Lamps
Lamp Controls
Fuse Block - Underhood BAT 1 Fuse, Fuse Block - I/P RADIO, HVAC, RFA, CLSTR, ALDL, BCM PWR, ACCY POWER BUS, RADIO PREM. SOUND, and LTR Fuses
Fuse Block - Underhood BAT 1 Fuse, Fuse Block - I/P RADIO, HVAC, RFA, CLSTR, ALDL, BCM PWR, ACCY POWER BUS, RADIO PREM. SOUND, and LTR Fuses
G201
Mirror, Dome, and Courtesy/Reading Lamps
G200, Page 1 of 2
Rear Compartment Courtesy Lamp
Mirror, Dome, and Courtesy/Reading Lamps