GM Service Manual Online
For 1990-2009 cars only
Makes
🢒
Buick
🢒
2004
🢒
Century
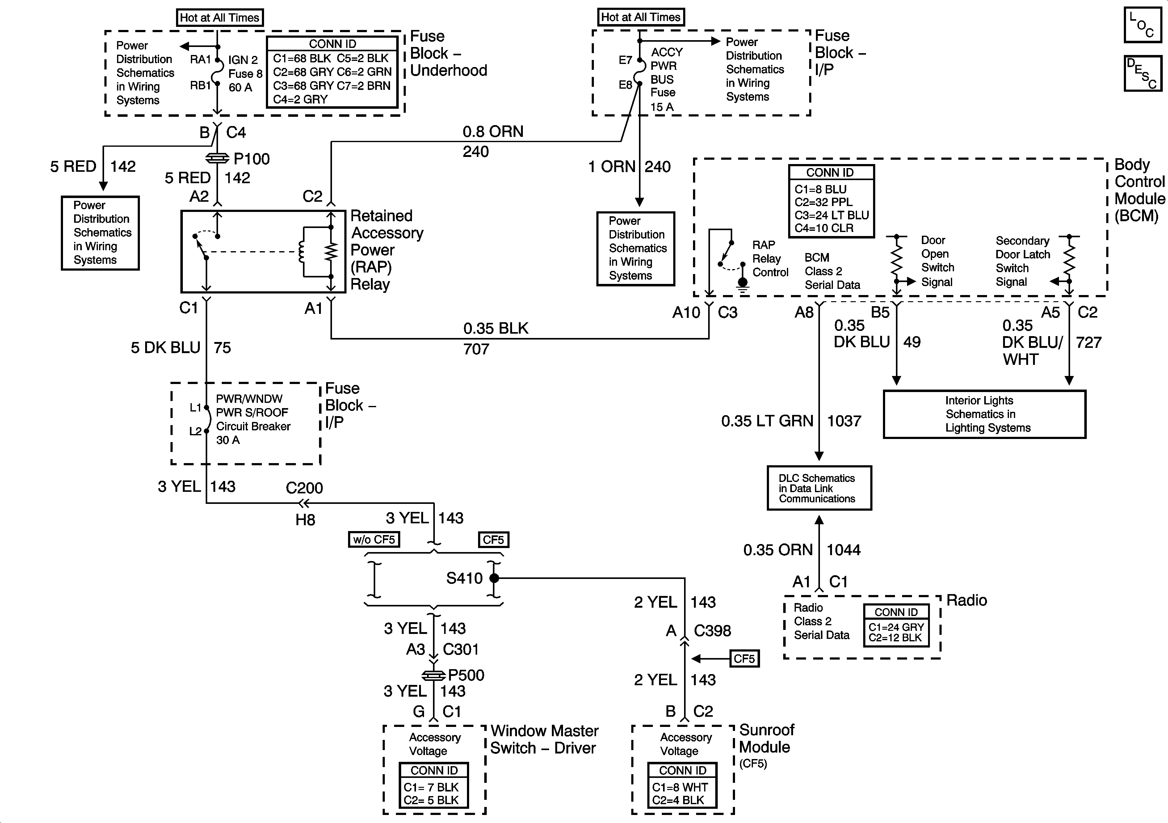
🢒 Retained Accessory Power (RAP) Schematics
Retained Accessory Power (RAP) Schematics
Master Electrical Component List
Retained Accessory Power (RAP) Description and Operation
Fuse Block - Underhood B+ Bus
Fuse Block - Underhood BAT 1 Fuse, Fuse Block - I/P RADIO, HVAC, RFA, CLSTR, ALDL, BCM PWR, ACCY POWER BUS, RADIO PREM. SOUND, and LTR Fuses
Fuse Block - Underhood IGN 2 Fuse
Fuse Block - Underhood BAT 1 Fuse, Fuse Block - I/P RADIO, HVAC, RFA, CLSTR, ALDL, BCM PWR, ACCY POWER BUS, RADIO PREM. SOUND, and LTR Fuses
Data Link Connector (DLC) Schematics
Lamp Controls