GM Service Manual Online
For 1990-2009 cars only
Makes
🢒
Buick
🢒
2004
🢒
Century
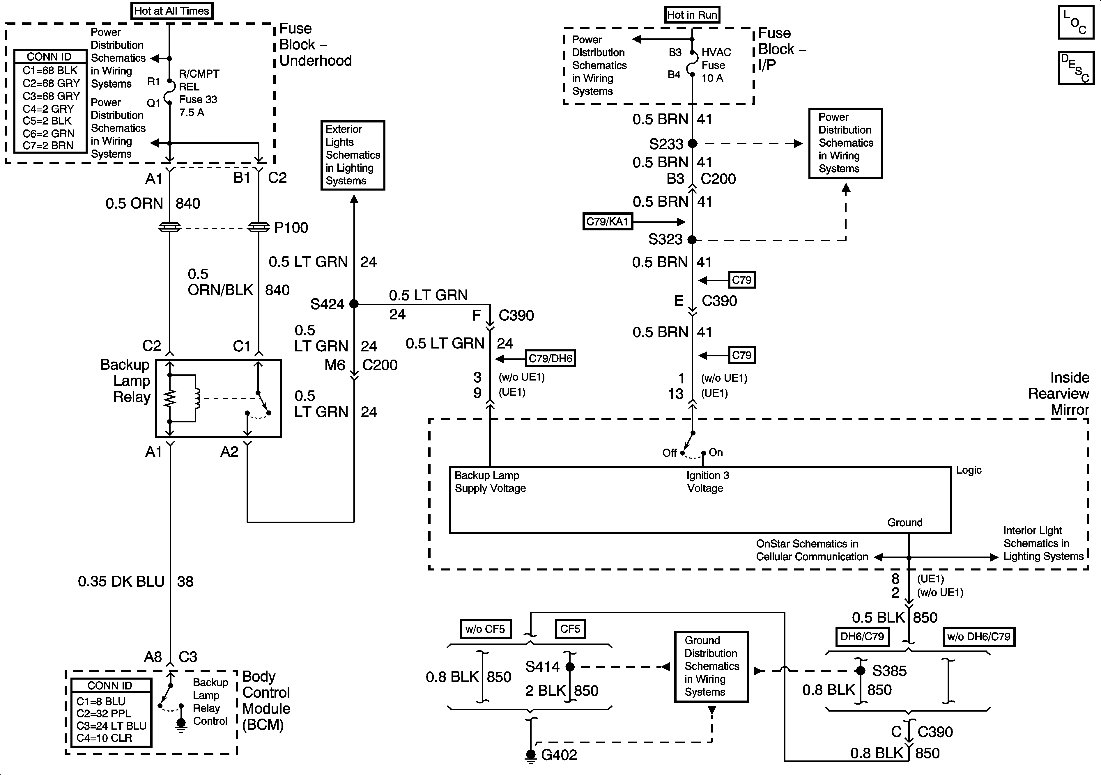
🢒 Inside Rearview Mirror Schematics
Inside Rearview Mirror Schematics
Master Electrical Component List
Automatic Day-Night Mirror Description and Operation
Fuse Block - Underhood B+ Bus
Fuse Block - Underhood HDLP, GEN, ABS, R/CMPT REL, and ECM Fuses
Back Up Lights
Fuse Block - Underhood IGN 2 Fuse
Fuse Block - I/P LOW BLWER, CRUISE, HVAC Fuses
Inputs and Outputs
Mirror, Dome, and Courtesy/Reading Lamps
G402, Page 1 of 2