GM Service Manual Online
For 1990-2009 cars only
Makes
🢒
Buick
🢒
2005
🢒
Century
🢒
Body
🢒
Wiring Systems
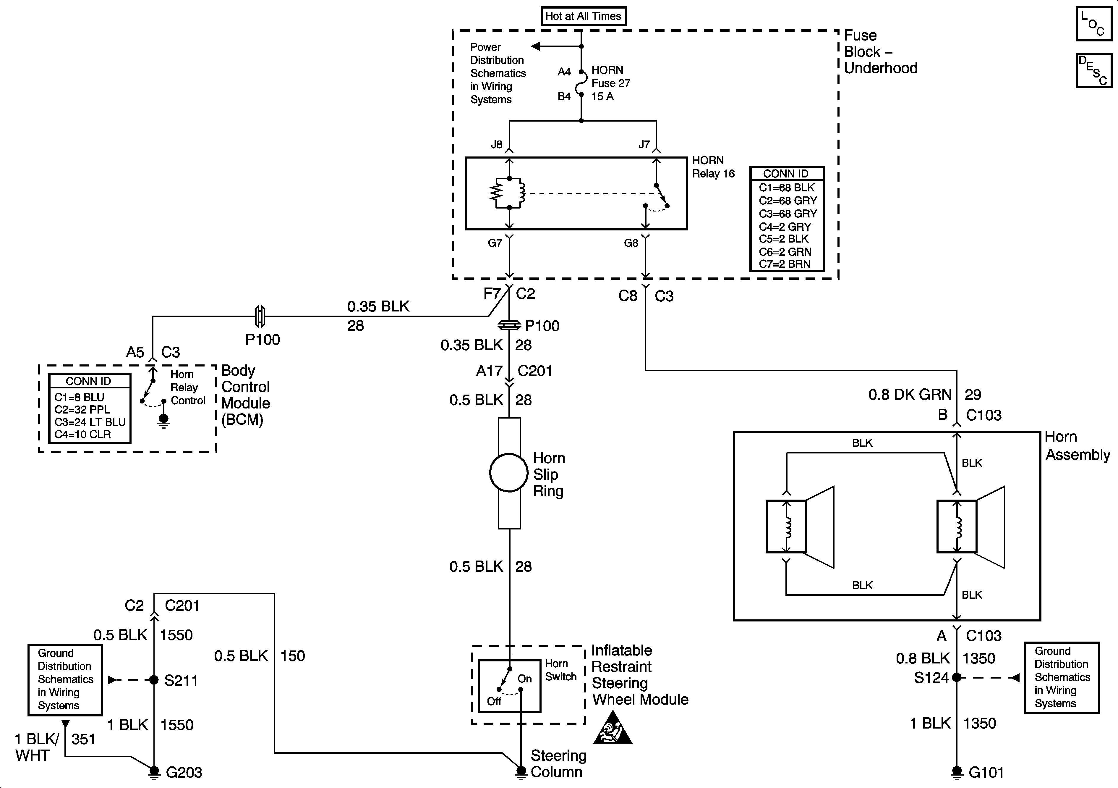
🢒 Horn Schematics
Master Electrical Component List
Horns System Description and Operation
Fuse Block-Underhood B+ Bus
G203, Page 1 of 2
SIR Caution for Zoning
G101 and G111