GM Service Manual Online
For 1990-2009 cars only
Makes
🢒
Buick
🢒
2005
🢒
Century
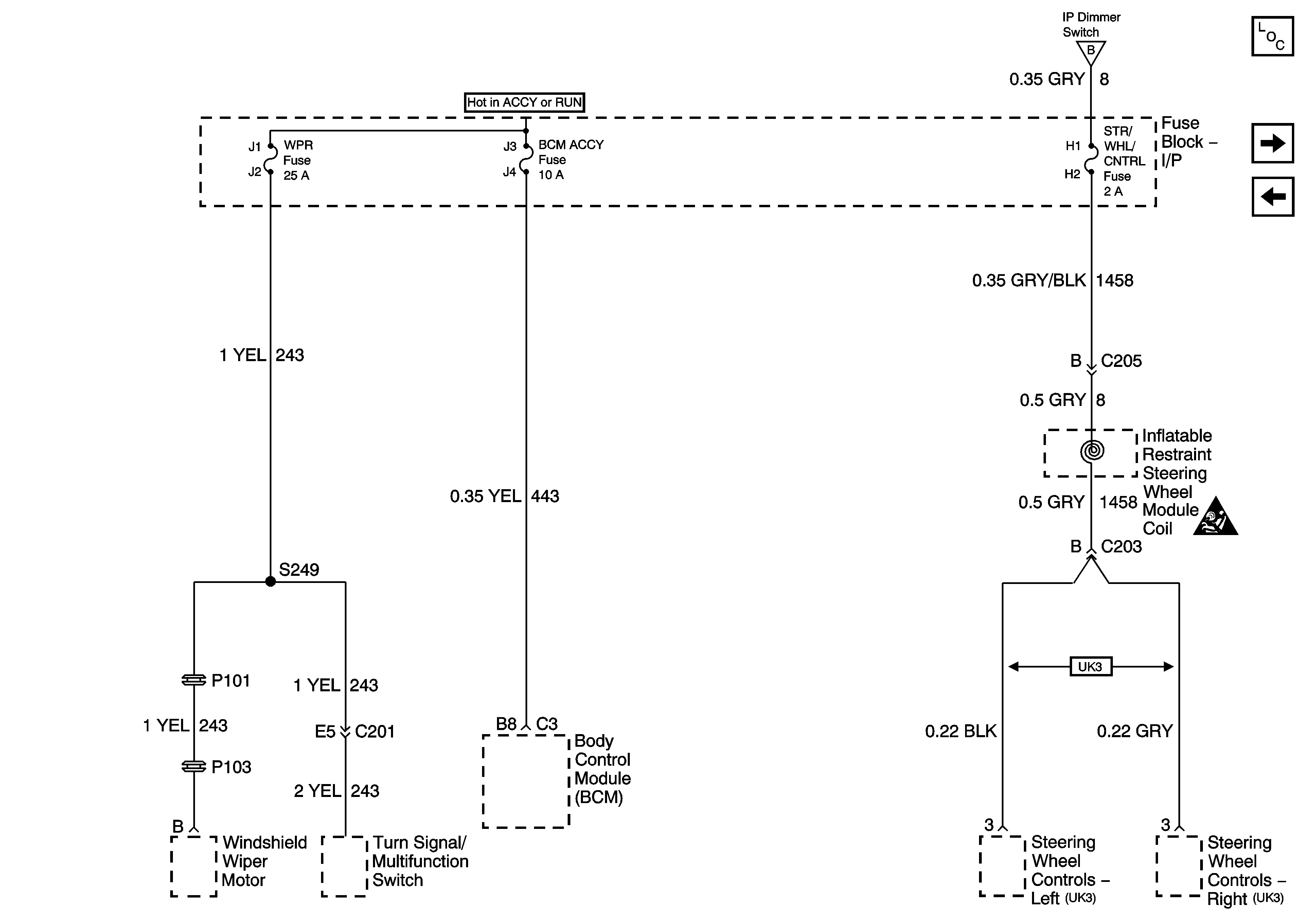
🢒 Fuse Block - I/P WPR, BCM ACCY, and STR/WHL/CNTRL Fuses
Fuse Block - I/P WPR, BCM ACCY, and STR/WHL/CNTRL Fuses
Fuse Block - I/P WPR, BCM ACCY, and STR/WHL/CNTRL Fuses
Master Electrical Component List
Fuse Block - I/P LOW BLWER, CRUISE, and HVAC Fuses
Fuse Block - I/P R/LAMPS and INT/ILLUM Fuses
Fuse Block - I/P R/LAMPS and INT/ILLUM Fuses
SIR Caution for Zoning