GM Service Manual Online
For 1990-2009 cars only
Makes
🢒
Buick
🢒
2005
🢒
Century
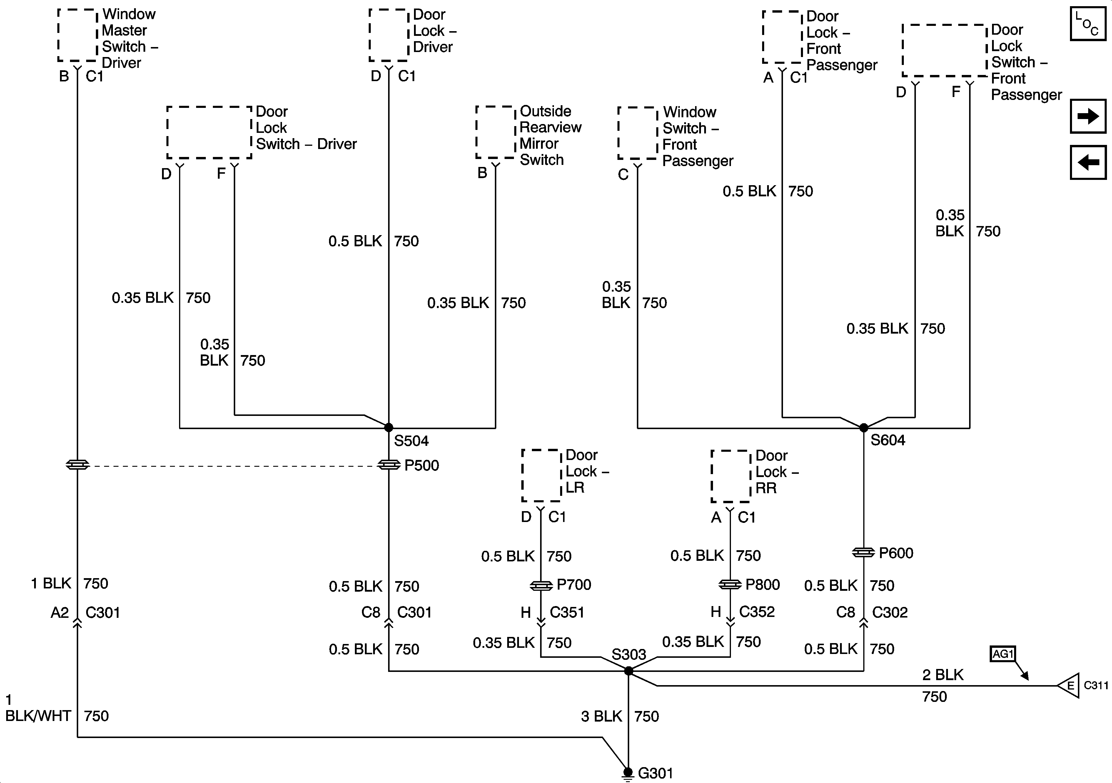
🢒 G301, Page 1 of 2
G301, Page 1 of 2
G301 1 of 2
Master Electrical Component List
G301, Page 2 of 2
G203, Page 2 of 2
G301, Page 2 of 2