GM Service Manual Online
For 1990-2009 cars only
Makes
🢒
Buick
🢒
2005
🢒
Century
🢒 Cruise Control Schematics
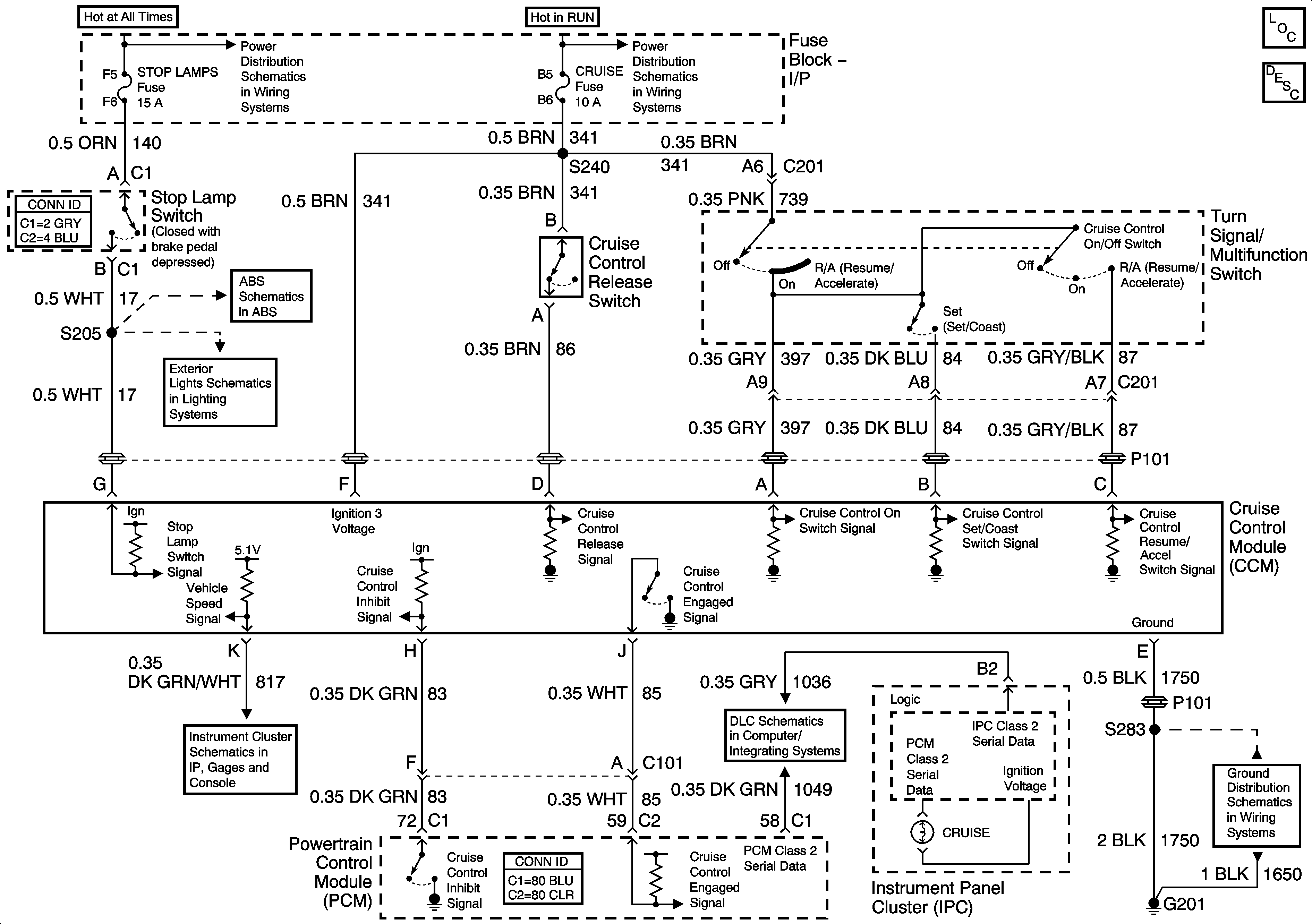
Cruise Control Schematics
Master Electrical Component List
Cruise Control Description and Operation
Fuse Block - Underhood BAT 2 Fuse, Fuse Block - I/P HI/BLWR, HAZRD, STOP LAMPS, DR/LCK, and PWR/MIR Fuses
Fuse Block - Underhood IGN 2 Fuse
Indicators and Stop Lamp
Stop and Rear Turn Lamps
Gages
Data Link Connector (DLC) Schematics
G201