GM Service Manual Online
For 1990-2009 cars only
Makes
🢒
Buick
🢒
2005
🢒
Century
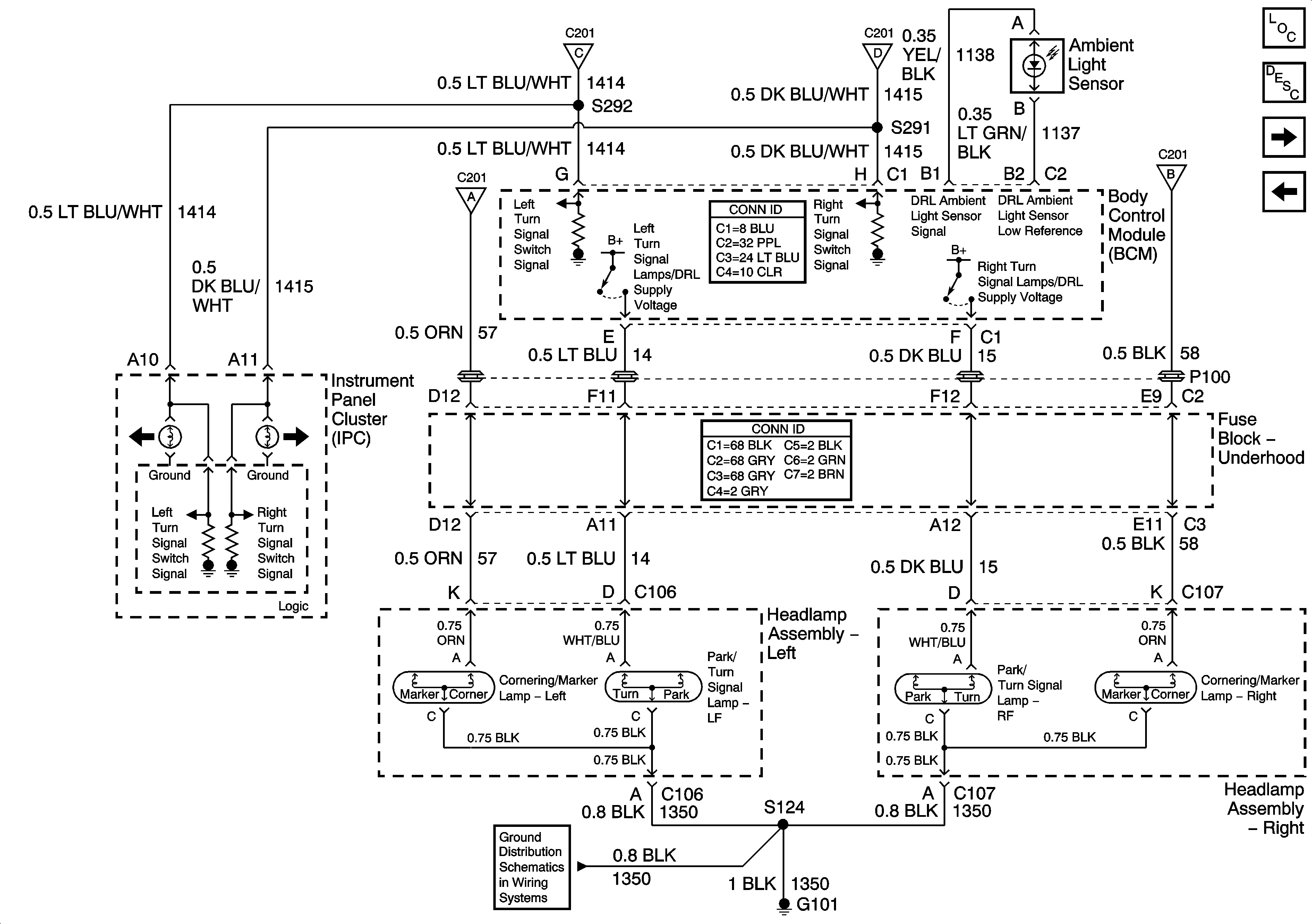
🢒 DRL, Cornering and Front Turn Lamps
DRL, Cornering and Front Turn Lamps
DRL, Cornering and Front Turn Lamps
Master Electrical Component List
Exterior Lighting Systems Description and Operation
Front Park Lamps
Stop and Rear Turn Lamps
Stop and Rear Turn Lamps
Stop and Rear Turn Lamps
Stop and Rear Turn Lamps
Stop and Rear Turn Lamps
G101 and G111