GM Service Manual Online
For 1990-2009 cars only
Makes
🢒
Buick
🢒
2005
🢒
Century
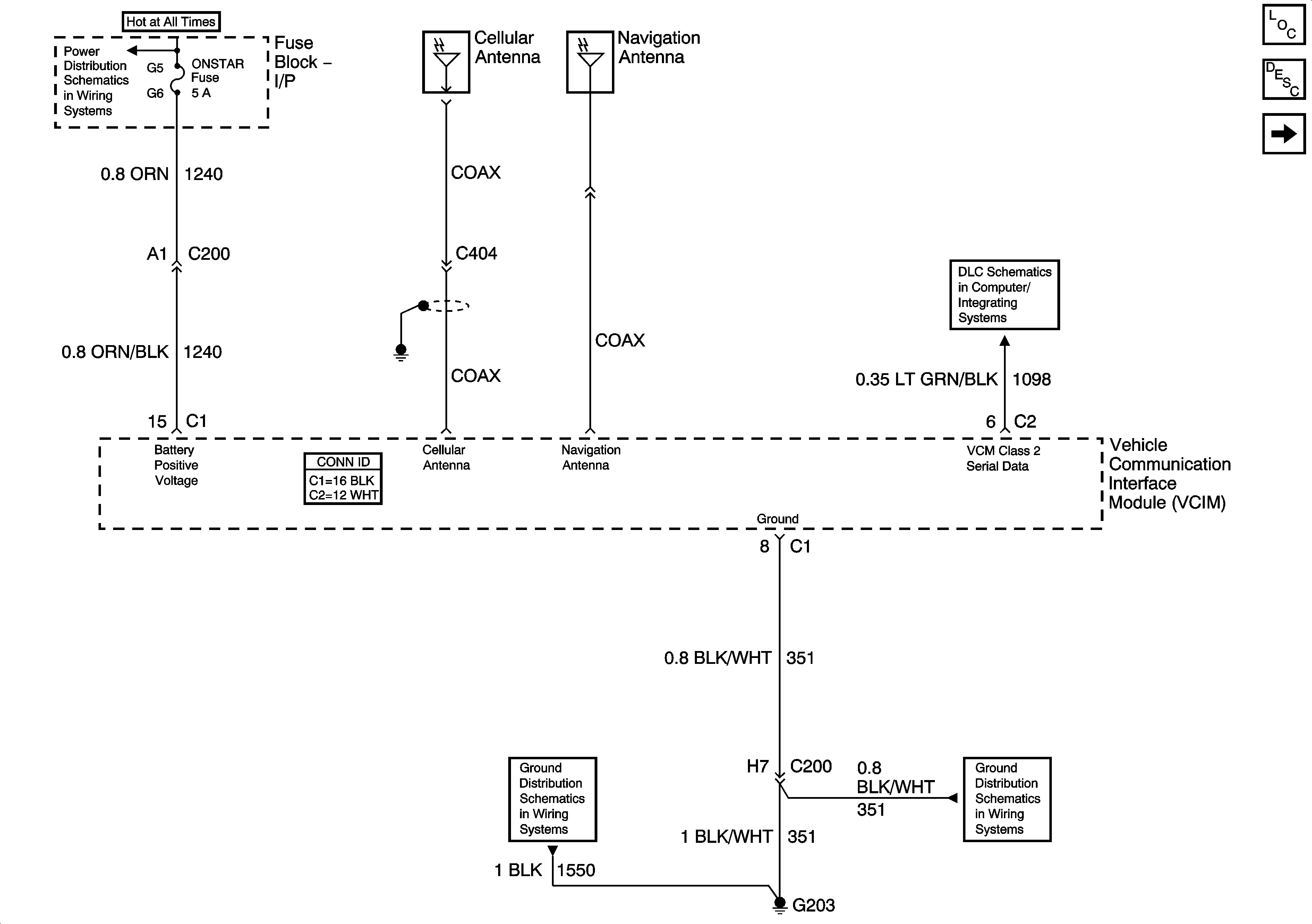
🢒 Power, Ground, DLC, and Antennas
Power, Ground, DLC, and Antennas
Power, Grounds, DLC, and Antennas
Master Electrical Component List
OnStar Description and Operation
Inputs and Outputs
Fuse Block - Underhood BAT 3 Fuse, Fuse Block - I/P ONSTAR Fuse, R/DEFOG and PWR/SEAT Circuit Breakers
Data Link Connector (DLC) Schematics
G203, Page 1 of 2
G203, Page 2 of 2