GM Service Manual Online
For 1990-2009 cars only
Makes
🢒
Buick
🢒
2000
🢒
Century (China)
🢒
Transmission/Transaxle
🢒
Automatic Transaxle - 4T65-E
🢒 Automatic Transmission Controls Schematics
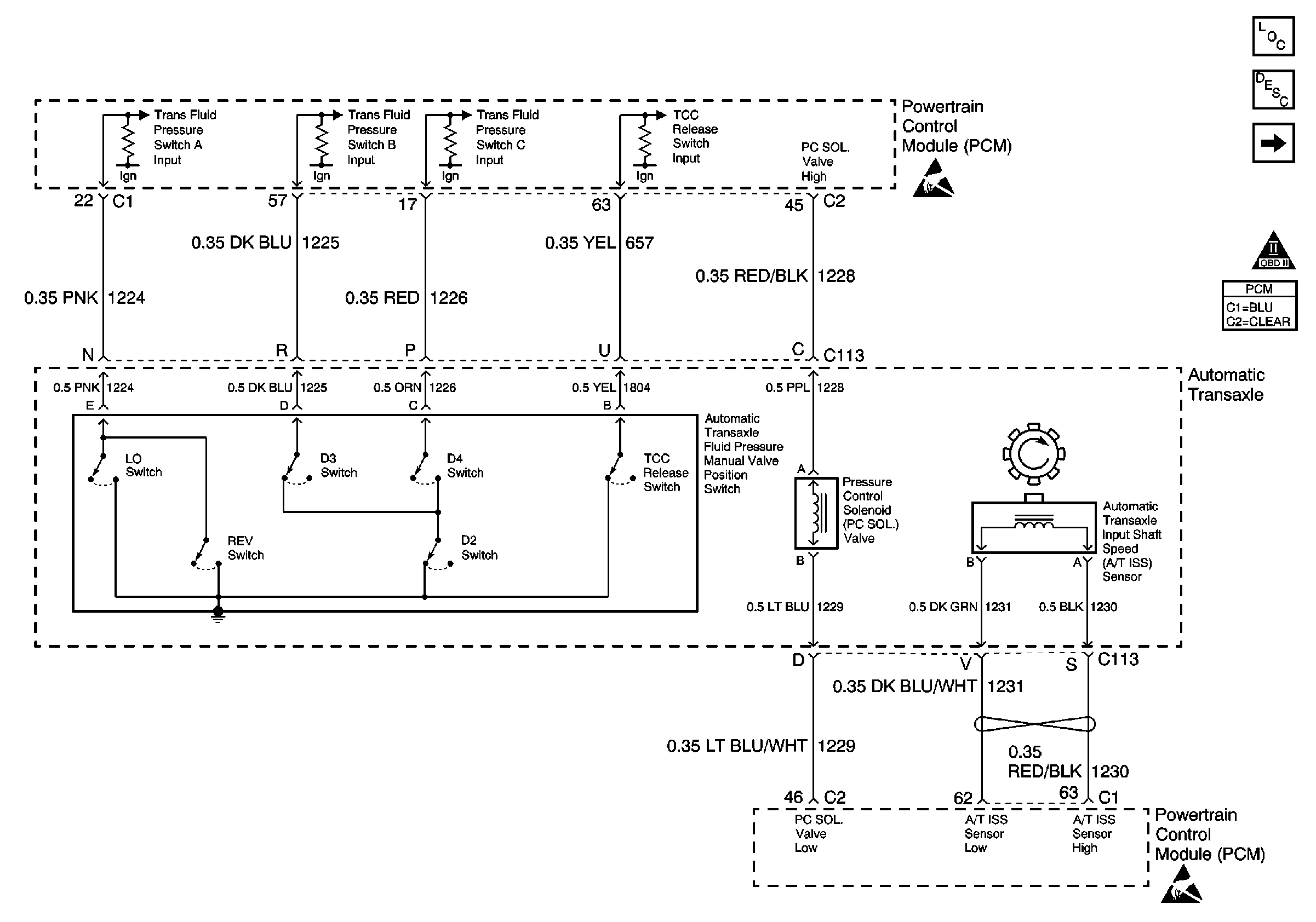
Figure
1:
PCM and Automatic Transaxle
Handling ESD Sensitive Parts Notice
Handling ESD Sensitive Parts Notice
Automatic Transmission Components
Transmission Component and System Description
Stop Lamp Switch, A/T and PCM
OBD II Symbol Description Notice
Figure
2:
Stop Lamp Switch, A/T and PCM
UAWJB, Stop Lamp Switch, A/T and ICM
UAWJB, Stop Lamp Switch, A/T and ICM
UAWJB, Stop Lamp Switch, A/T and ICM
Handling ESD Sensitive Parts Notice
Automatic Transmission Components
Transmission Component and System Description
VSS, PNP and Starter Motor
PCM and Automatic Transaxle
OBD II Symbol Description Notice
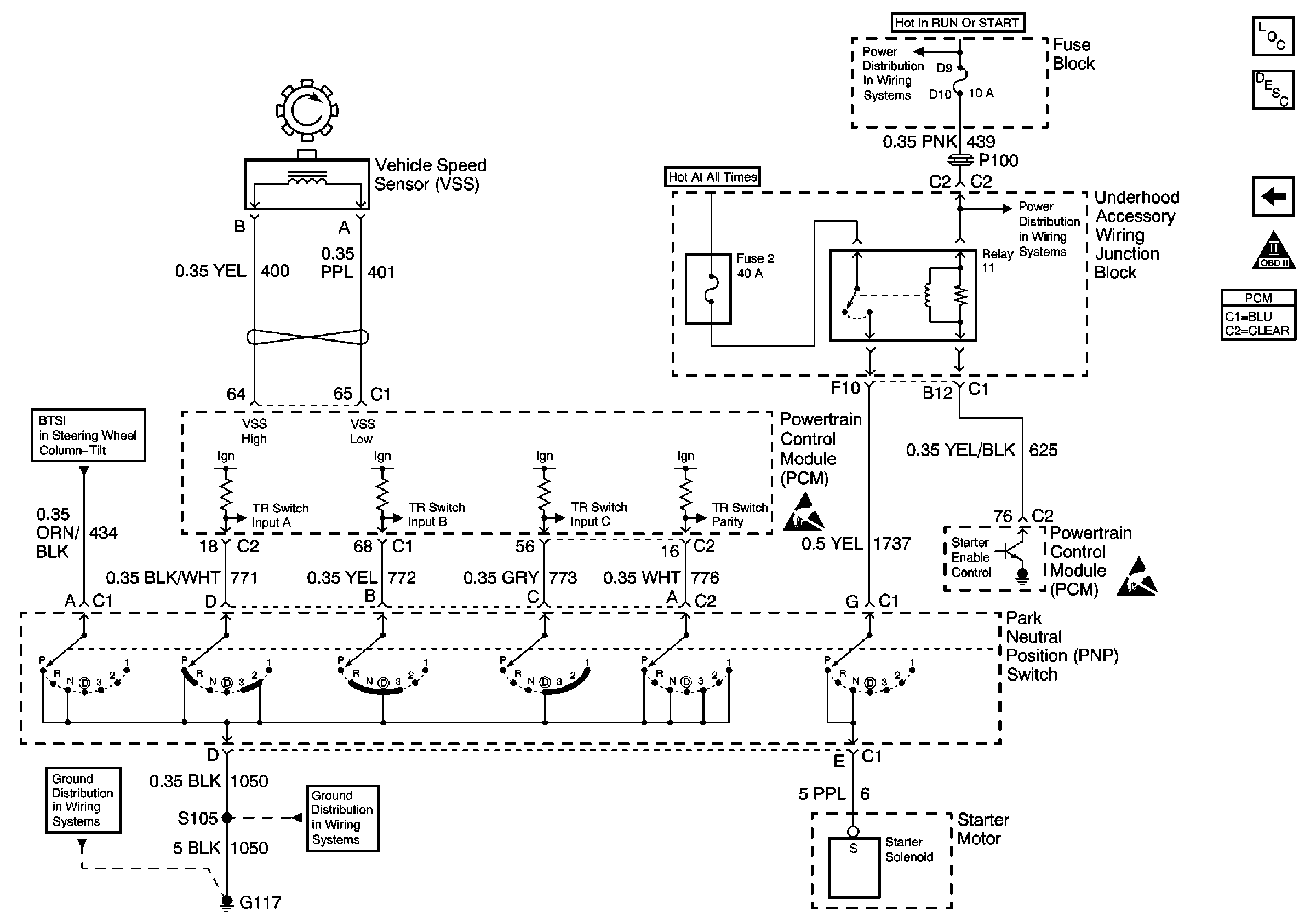
Figure
3:
VSS, PNP and Starter Motor
G100, G117 and G119
G113
Handling ESD Sensitive Parts Notice
Handling ESD Sensitive Parts Notice
Fuse Block, UAWJB, PCM and BCM
Fuse Block, UAWJB, PCM and BCM
Automatic Transmission Components
Transmission Component and System Description
Stop Lamp Switch, A/T and PCM
OBD II Symbol Description Notice