GM Service Manual Online
For 1990-2009 cars only
Figure 1:

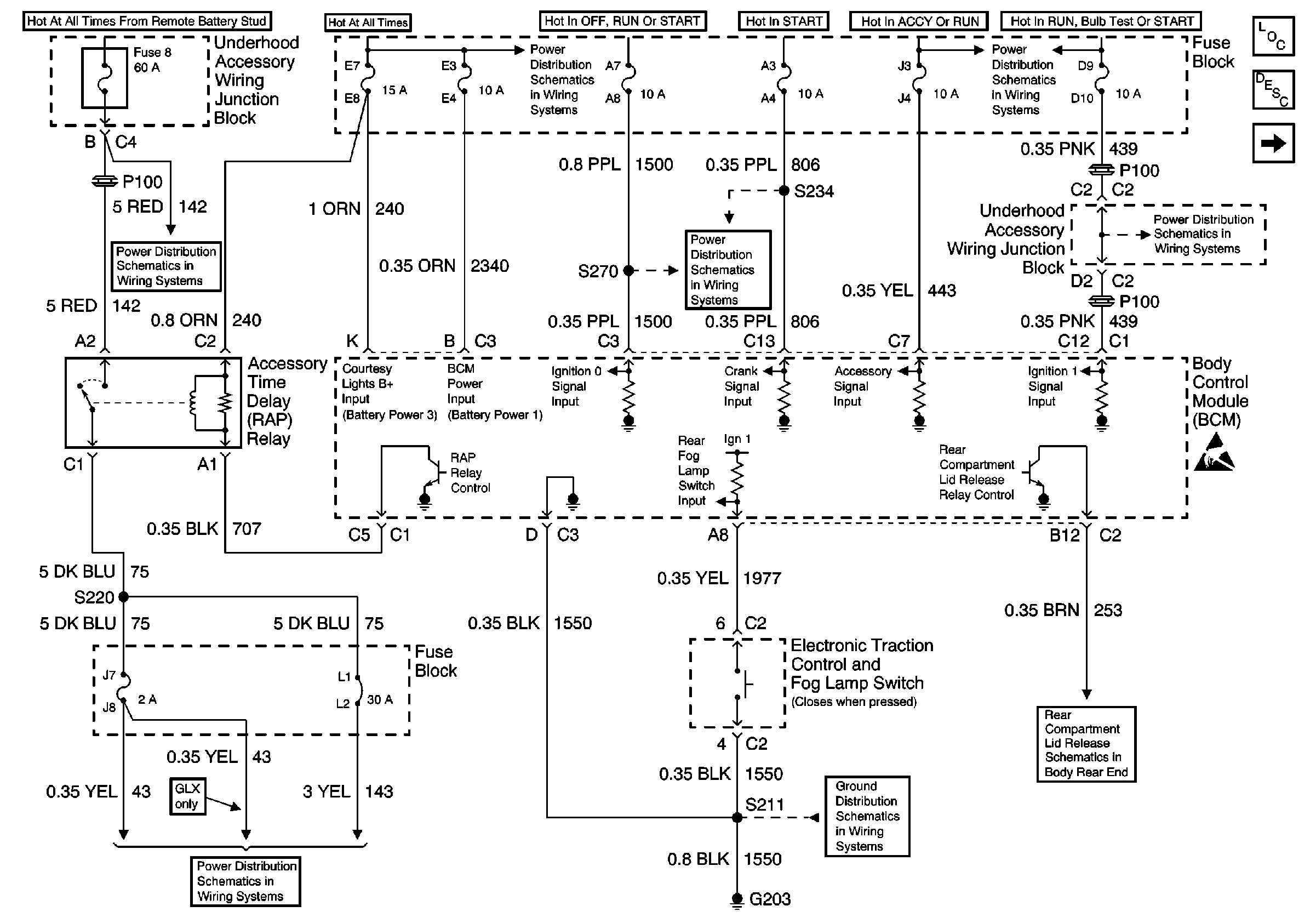
Power, Ground, RAP and TCS


Object Number: 484015  Size: FS
GLX: RAP Relay, UAWJB, Ignition Switch and Fuse Block
Fuse Block and Rear Lights
Battery, UAWJB and Fuse Block
Fuse Block, Outside Rearview Mirrors and PCM
G203
GL: RAP Relay, UAWJB, Ignition Switch and Fuse Block
Fuse Block, UAWJB, PCM and BCM
Release System Schematics
Handling ESD Sensitive Parts Notice
Body Control Module Components
Body Control System Circuit Description
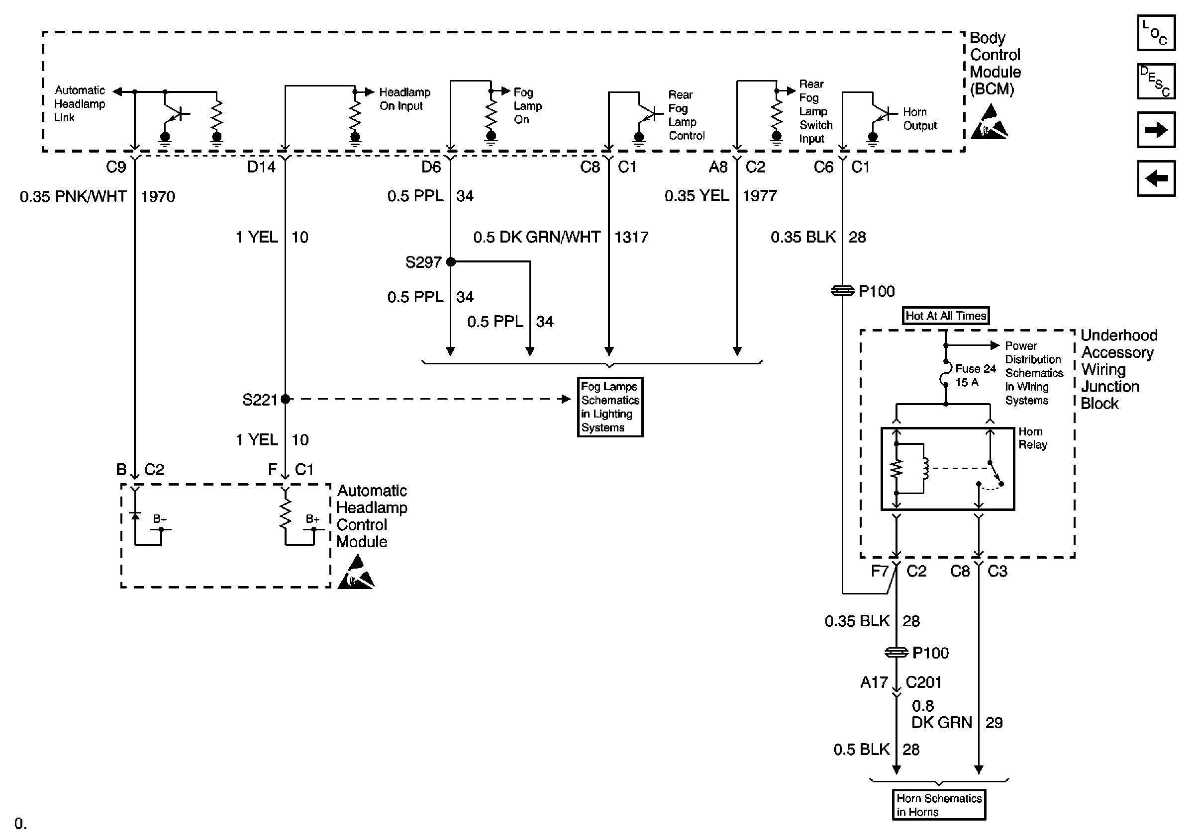
Exterior Lights and Horn Relay
Figure 2:

Exterior Lights and Horn Relay


Object Number: 484021  Size: FS
Handling ESD Sensitive Parts Notice
Front Fog Lamps, Fog Lamp Relay, Front Fog Lamp Switch and BCM
Handling ESD Sensitive Parts Notice
Underhood Accessory Wiring Junction Block
4W 2K China Horns Schematic
Body Control Module Components
Body Control System Circuit Description
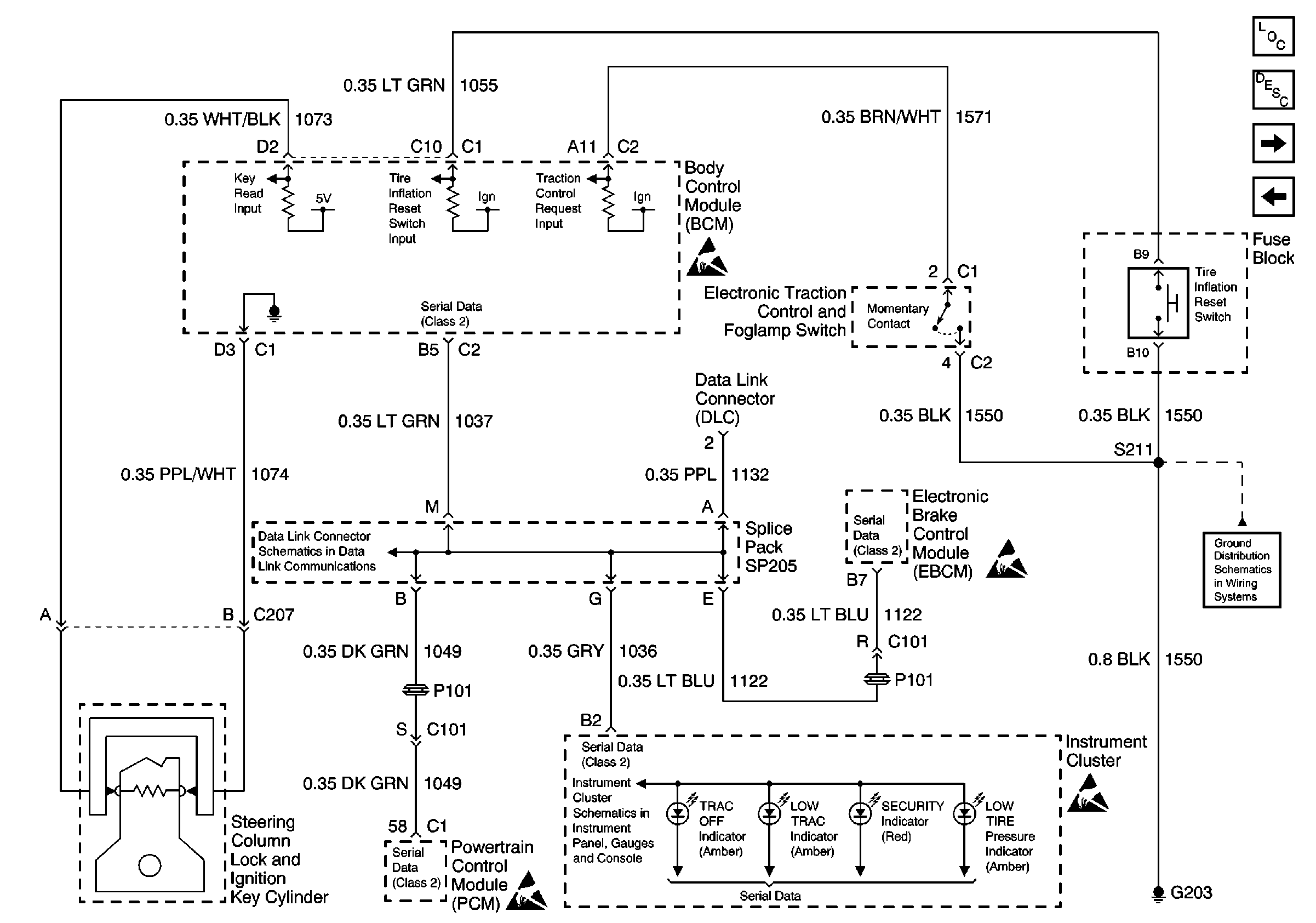
Steering Column Lock and Ignition Key Cylinder, ETC Switch, TIM Reset SWitch and Serial Data
Power, Ground, RAP and TCS
Figure 3:

Steering Column Lock and Ignition Key Cylinder, ETC Switch, TIM Reset Switch and Serial Data


Object Number: 484022  Size: FS
DLC Schematic
Handling ESD Sensitive Parts Notice
PCM, Engine Coolant Level Indicator Module, Windshield Washer Solvent Level Switch
Handling ESD Sensitive Parts Notice
Handling ESD Sensitive Parts Notice
Handling ESD Sensitive Parts Notice
G203
Body Control Module Components
Body Control System Circuit Description
Audible Warning Inputs
Exterior Lights and Horn Relay
Figure 4:

Audible Warning Inputs


Object Number: 484050  Size: FS
G203
UAWJB, PNP Switch, PCM, Generator, Headlamp Module and Switch
Handling ESD Sensitive Parts Notice
Handling ESD Sensitive Parts Notice
G301 (1 of 3)
Body Control Module Components
Body Control System Circuit Description
Interior Lights Inputs
Steering Column Lock and Ignition Key Cylinder, ETC Switch, TIM Reset SWitch and Serial Data
Figure 5:

Interior Lights Inputs


Object Number: 484054  Size: FS
Handling ESD Sensitive Parts Notice
G301 (1 of 3)
G201)
G301 (3 of 3)
Body Control Module Components
Body Control System Circuit Description
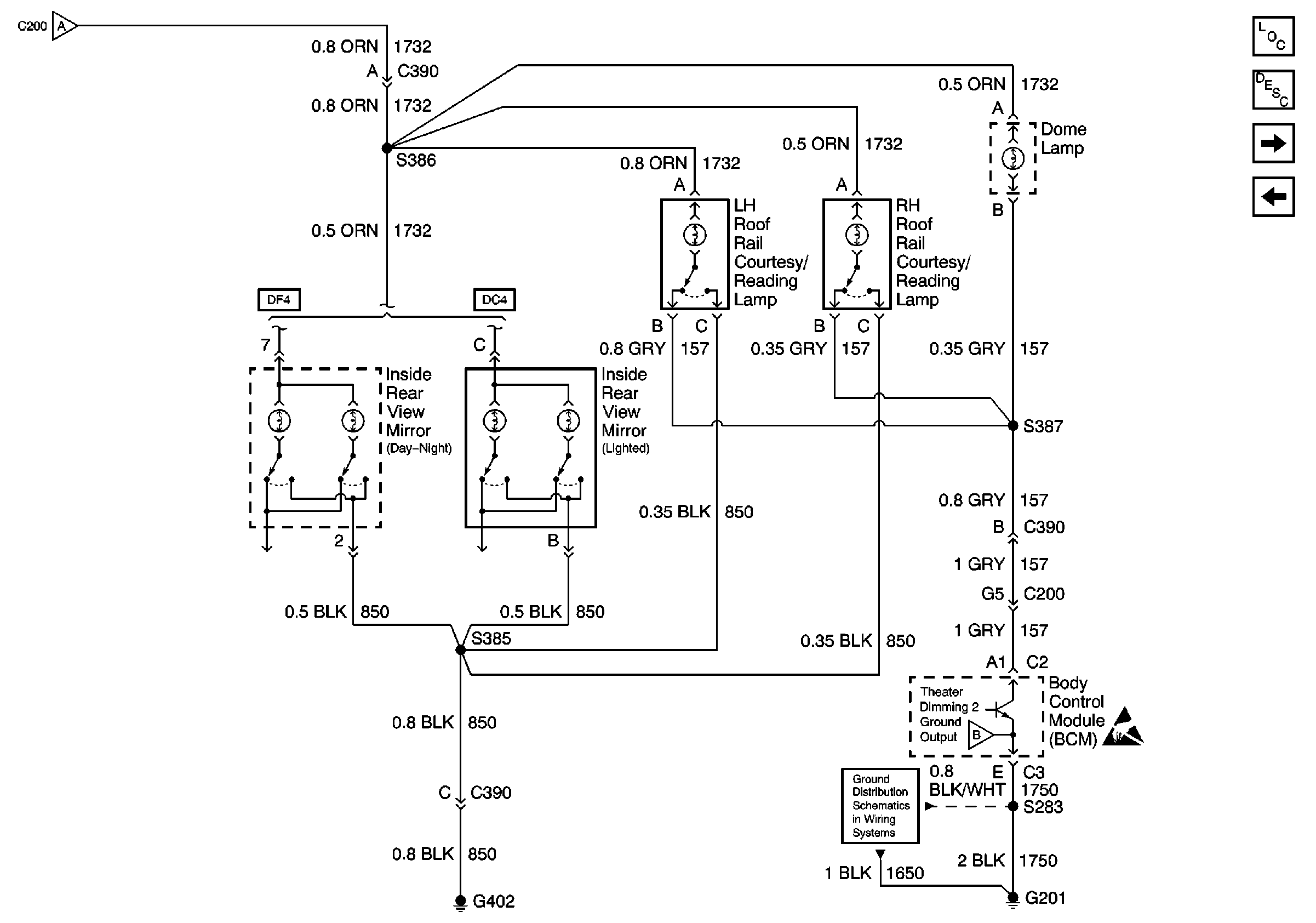
Interior Lights Output and Trunk Ajar Input
Audible Warning Inputs
Figure 6:

Interior Lights Output and Trunk Ajar Input


Object Number: 484061  Size: FS
Battery, UAWJB and Fuse Block
Fuse Block, BCM, Cluster, Radio and DLC
G200 ( 1 of 2)
G402
Handling ESD Sensitive Parts Notice
Interior Lights Output
G201)
Handling ESD Sensitive Parts Notice
Handling ESD Sensitive Parts Notice
Body Control Module Components
Body Control System Circuit Description
Interior Lights Output
Interior Lights Inputs
Figure 7:

Interior Lights Output


Object Number: 484063  Size: FS
Interior Lights Output and Trunk Ajar Input
Interior Lights Output and Trunk Ajar Input
G201)
Handling ESD Sensitive Parts Notice
Body Control Module Components
Body Control System Circuit Description
Door Lock Switch Inputs and RCDLR
Interior Lights Output and Trunk Ajar Input
Figure 8:

Door Lock Switch Inputs and RCDLR


Object Number: 484064  Size: FS
Handling ESD Sensitive Parts Notice
G301 (1 of 3)
Handling ESD Sensitive Parts Notice
Body Control Module Components
Body Control System Circuit Description
Door Lock Relays and Door Lock Outputs
Interior Lights Output
Figure 9:

Door Lock Relays and Door Lock Outputs


Object Number: 484066  Size: FS
Battery, UAWJB and Fuse Block
Fuse Block Details
G200 ( 1 of 2)
G201)
Handling ESD Sensitive Parts Notice
Body Control Module Components
Body Control System Circuit Description
Door Lock Switch Inputs and RCDLR