GM Service Manual Online
For 1990-2009 cars only
Makes
🢒
Buick
🢒
2000
🢒
Century (China)
🢒
Body and Accessories
🢒
Horns
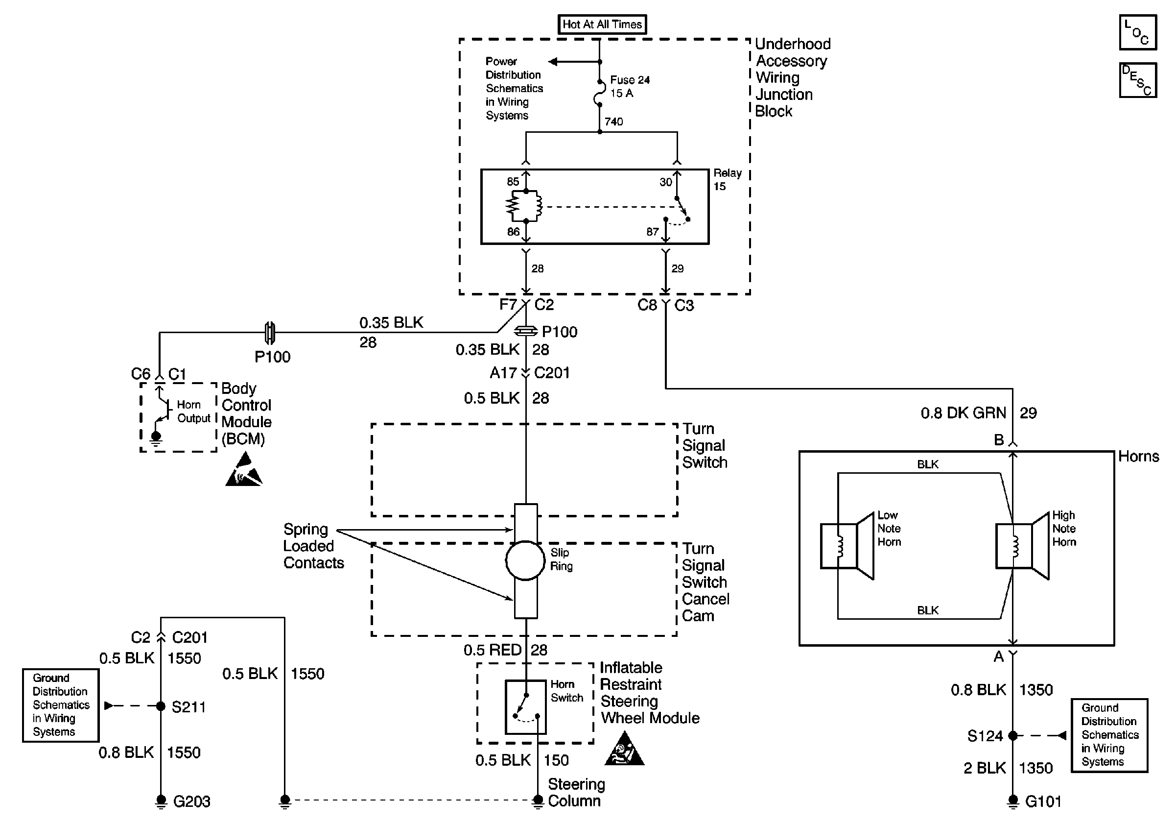
🢒 Horn Schematics
Underhood Accessory Wiring Junction Block
Handling ESD Sensitive Parts Notice
G203
SIR Handling Caution
G101
Horns Components
Horns Circuit Description