GM Service Manual Online
For 1990-2009 cars only
Makes
🢒
Buick
🢒
2000
🢒
Century (China)
🢒
Body and Accessories
🢒
Stationary Windows
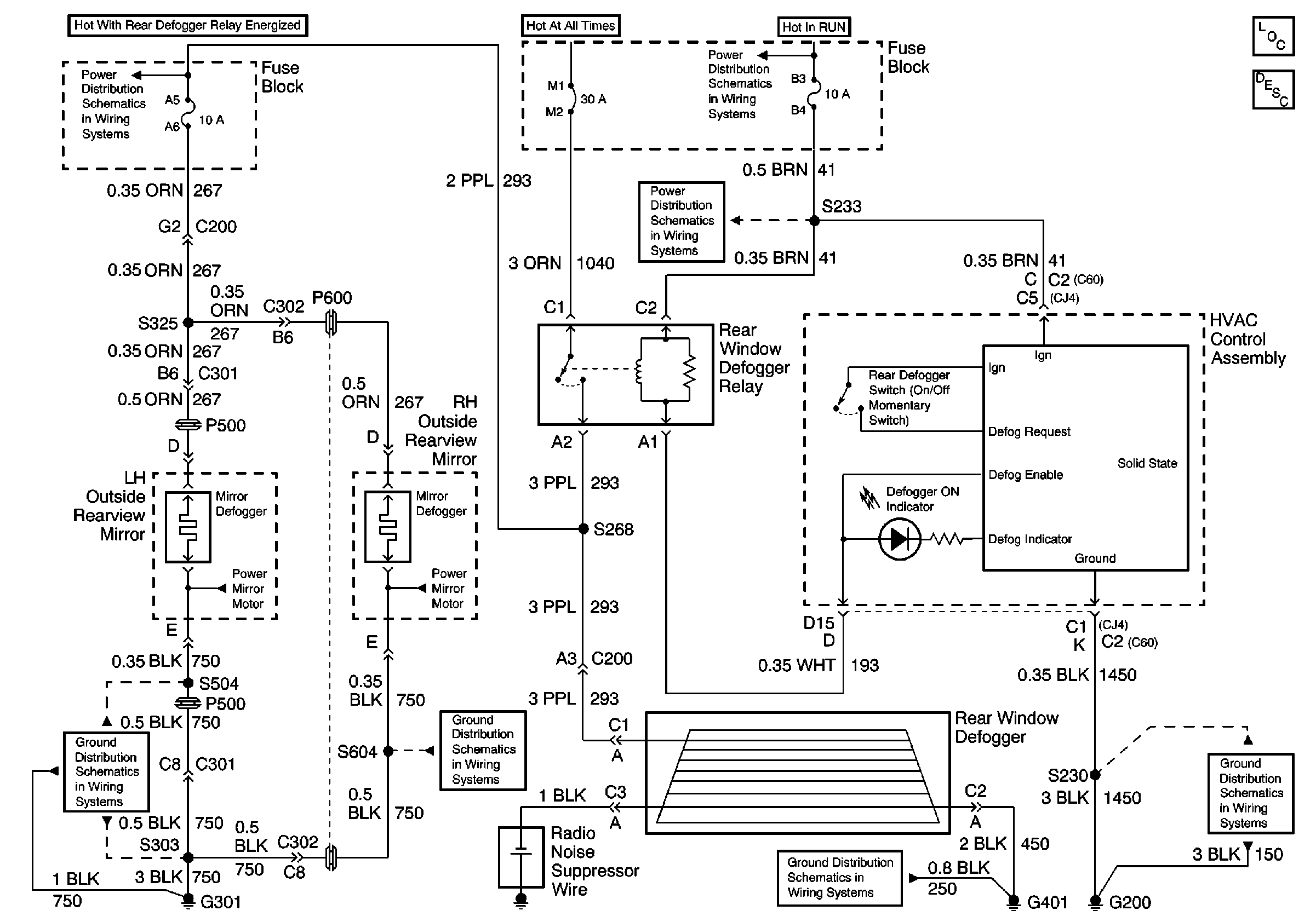
🢒 Defogger Schematics