GM Service Manual Online
For 1990-2009 cars only

Removal Procedure

  1. Position the window in the full down position.
  2. Remove the rear door inner trim panel. Refer to Rear Side Door Trim Panel Replacement .
  3. Remove the rear door water deflector. Refer to Rear Side Door Water Deflector Replacement .
  4. Remove the rear door inner belt sealing strip. Refer to Rear Door Window Belt Inner Sealing Strip Replacement .
  5. Remove the rear door outer belt sealing strip. Refer to Rear Door Window Belt Outer Sealing Strip Replacement .
  6. Lower the rear door window as low as possible in the door opening and remove the two screws attaching it to the regulator.
  7. Slide the window glass down to the bottom of the door while keeping it in the front weatherstrip channel.
  8. Partially remove the rear door window weatherstrip from the channel between the door glass and the stationary window and part way across the top of the window.

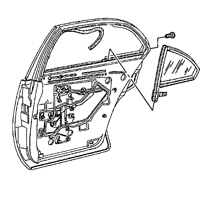
  9. Object Number: 340384  Size: SH
  10. Remove the 2, rear door stationary window screws.

  11. Object Number: 340385  Size: SH
  12. Remove the rear door stationary window channel bolt.
  13. Rotate the window foreword and remove it from the rear door.

Installation Procedure

  1. Position the rear door stationary window in the rear door.
  2. Make sure that the rear door window is in the channel of the stationary window and also the front channel.

    Notice: Use the correct fastener in the correct location. Replacement fasteners must be the correct part number for that application. Fasteners requiring replacement or fasteners requiring the use of thread locking compound or sealant are identified in the service procedure. Do not use paints, lubricants, or corrosion inhibitors on fasteners or fastener joint surfaces unless specified. These coatings affect fastener torque and joint clamping force and may damage the fastener. Use the correct tightening sequence and specifications when installing fasteners in order to avoid damage to parts and systems.


    Object Number: 340385  Size: SH
  3. Loosely install the rear door stationary window channel bolt.
  4. Loosely install the 2 rear door stationary window screws.

    Tighten
    Tighten the rear door stationary window bolt to 10 N·m (89 lb in).


    Object Number: 340384  Size: SH
  5. Now tighten the door stationary window screws.
  6. Tighten
    Tighten the door stationary window screws to 2 N·m (18 lb in).

  7. Install the rear door window weatherstrip.
  8. Slide the rear door glass up from the bottom of the door, keeping it in the channels and attach it to the regulator.
  9. Check the glass movement by using the regulator motor.
  10. Install the rear door outer belt sealing strip. Refer to Rear Door Window Belt Outer Sealing Strip Replacement .
  11. Install the rear door inner belt sealing strip. Refer to Rear Door Window Belt Inner Sealing Strip Replacement .
  12. Install the rear door water deflector. Refer to Rear Side Door Water Deflector Replacement .
  13. Install the rear door inner trim panel. Refer to Rear Side Door Trim Panel Replacement .
  14. Raise the rear door window to the full up position.