GM Service Manual Online
For 1990-2009 cars only
Makes
🢒
Buick
🢒
2000
🢒
Century (China)
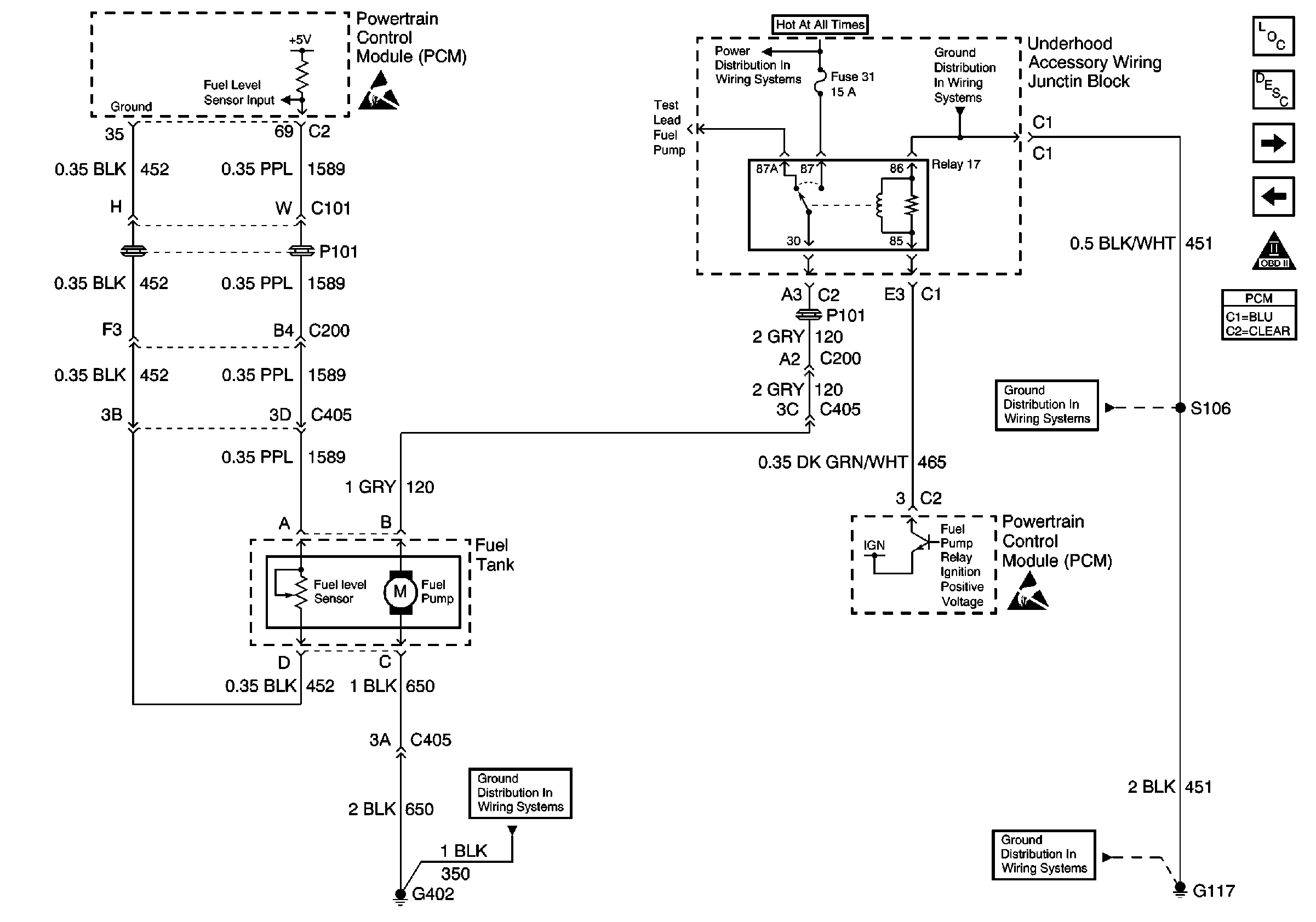
🢒 Fuel Level Sensors
Fuel Level Sensors
Fuel Level Sensors
Handling ESD Sensitive Parts Notice
G402
Underhood Accessory Wiring Junction Block
G100, G117 and G119
Handling ESD Sensitive Parts Notice
Engine Controls Components
Powertrain Control Module Description
Fuel Injectors
CMP, CKP and ICM
OBD II Symbol Description Notice
G100, G117 and G119