GM Service Manual Online
For 1990-2009 cars only
Makes
🢒
Buick
🢒
2000
🢒
Century (China)
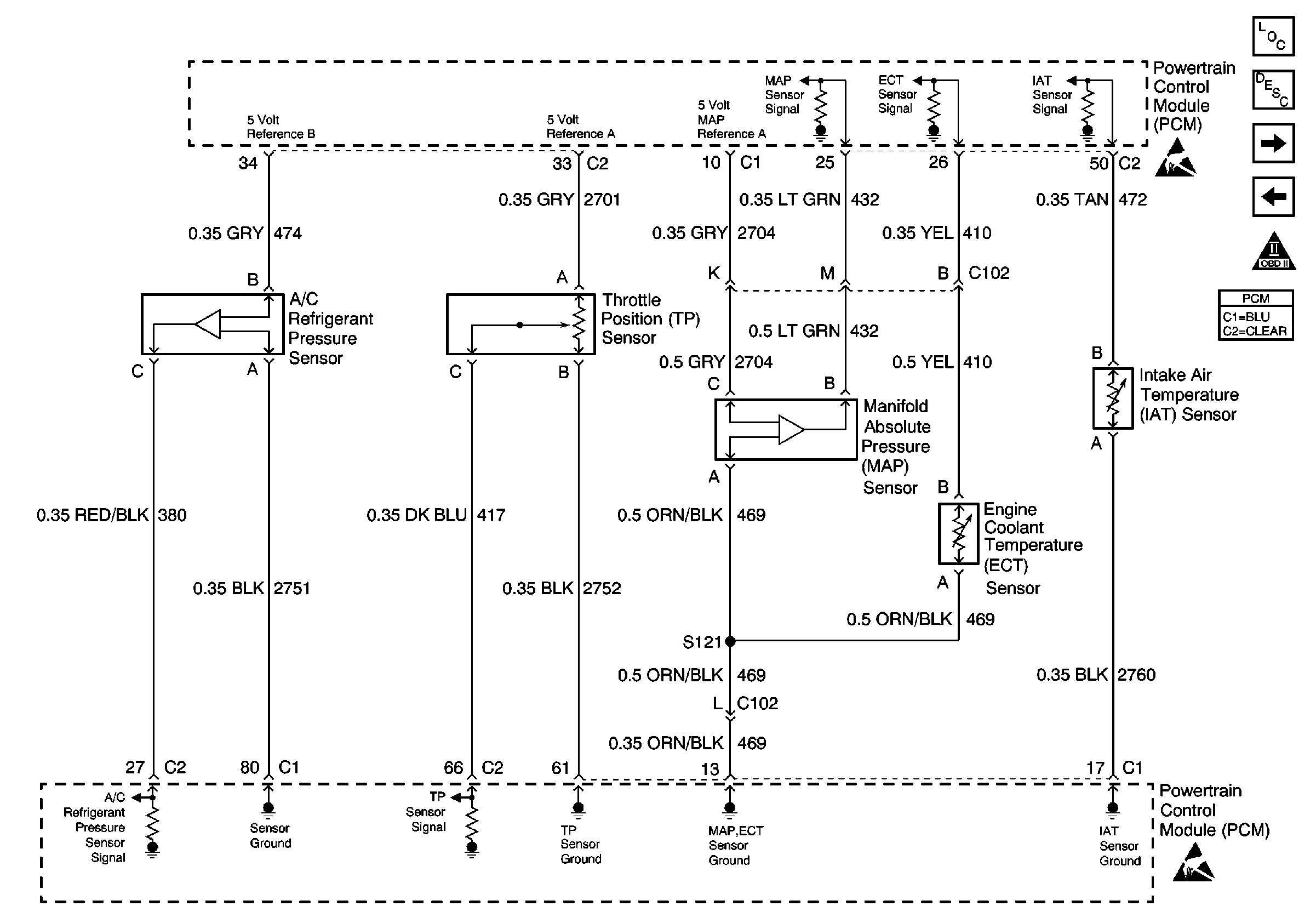
🢒 A/C Pressure Sensor, TP, MAP, ECT and IAT
A/C Pressure Sensor, TP, MAP, ECT and IAT
A/C Pressure Sensor, TP, MAP, ECT and IAT
Handling ESD Sensitive Parts Notice
Handling ESD Sensitive Parts Notice
Engine Controls Components
Powertrain Control Module Description
MAF and EVAP
Fuel Injectors
OBD II Symbol Description Notice