GM Service Manual Online
For 1990-2009 cars only

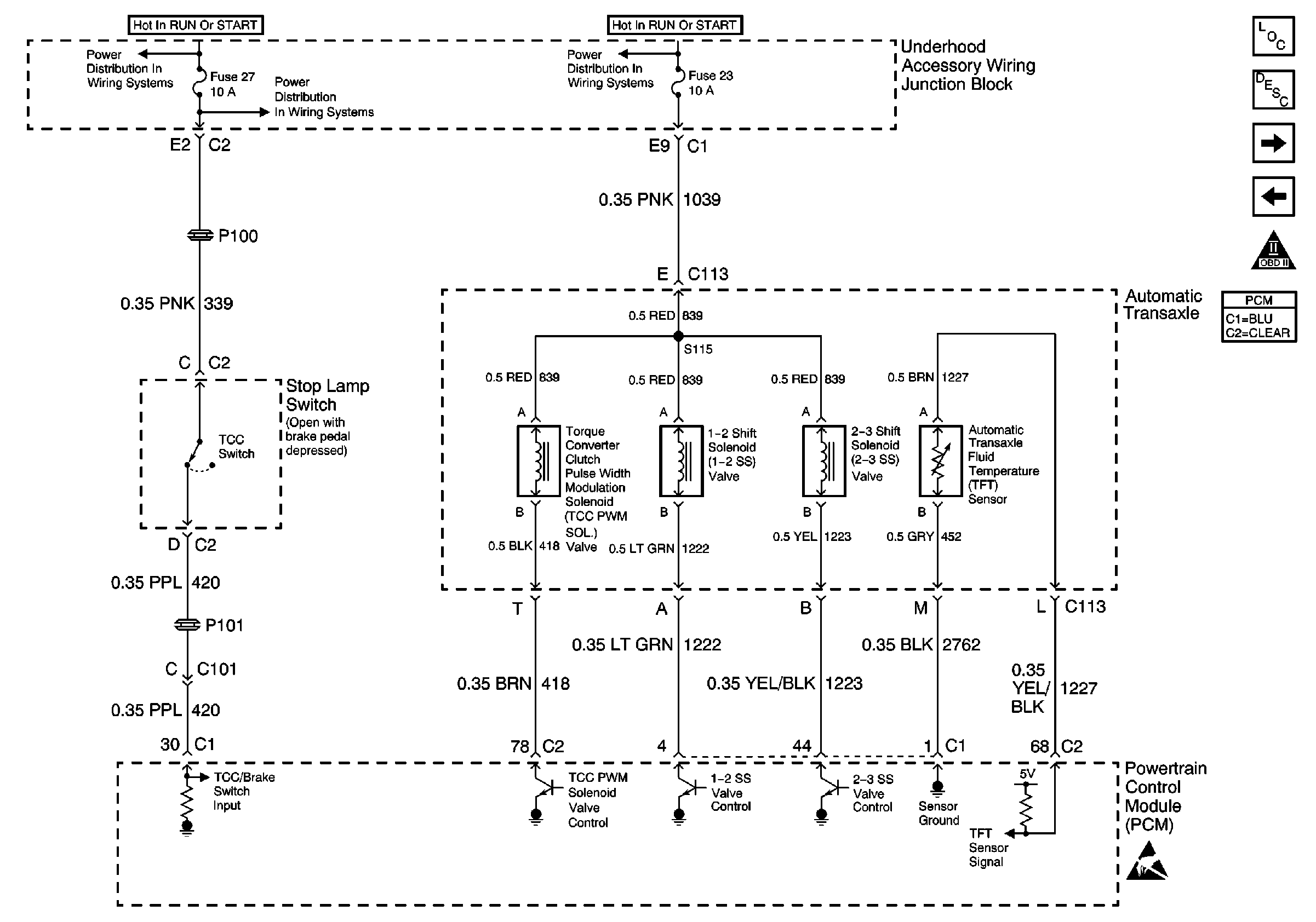
Stop Lamp Switch and Automatic Transaxle

Stop Lamp Switch and Automatic Transaxle


Object Number: 482885  Size: FS
UAWJB, Stop Lamp Switch, A/T and ICM
UAWJB, Stop Lamp Switch, A/T and ICM
UAWJB, Stop Lamp Switch, A/T and ICM
Handling ESD Sensitive Parts Notice
Engine Controls Components
Powertrain Control Module Description
HVAC and A/C Compressor Clutch Coil
PCM and Automatic Transaxle
OBD II Symbol Description Notice