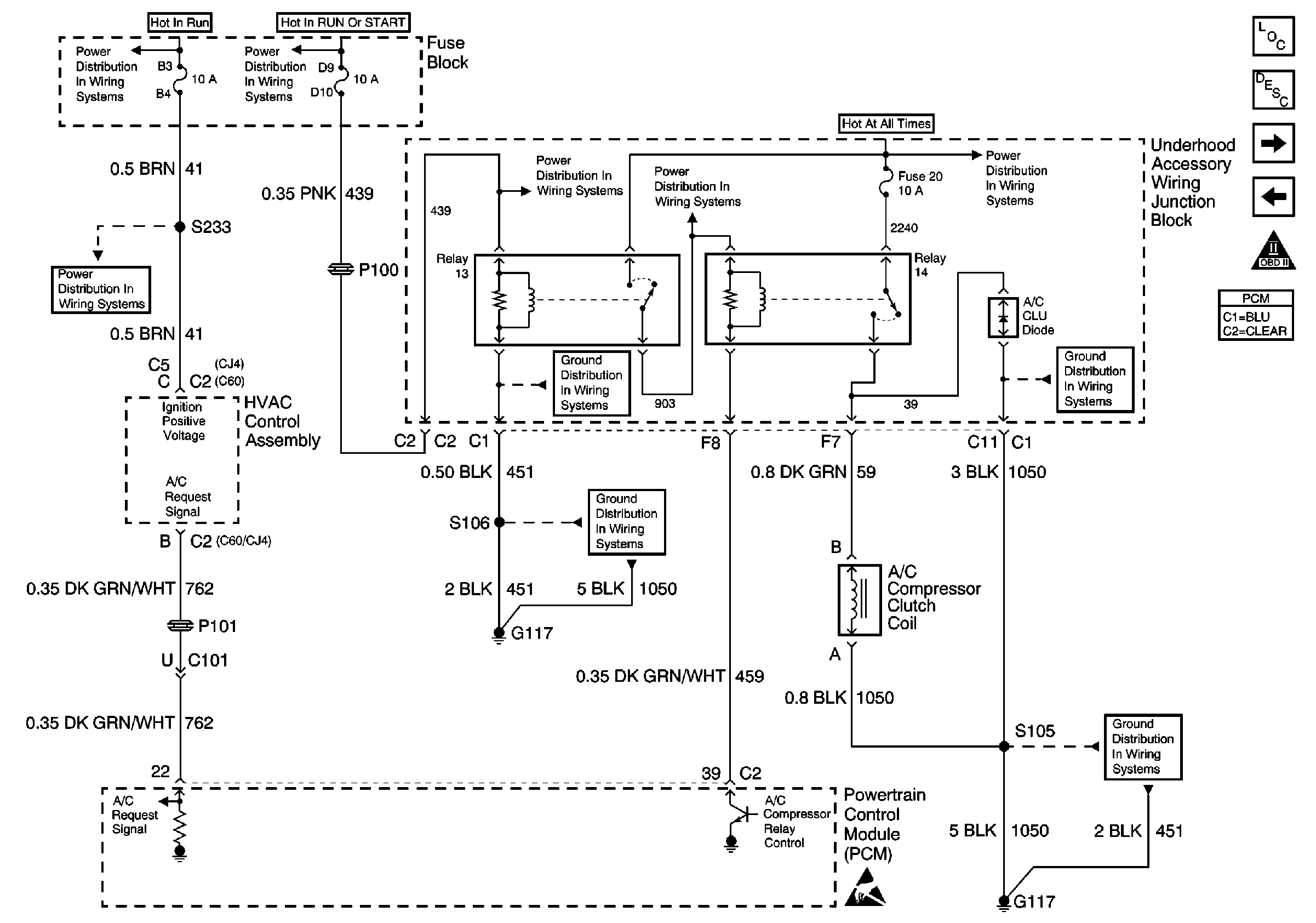
Refer to
HVAC and A/C Compressor Clutch Coil
in Engine Control Schematics.
Output Driver Modules (ODMs) are used by the PCM to turn on many of the current-driven devices that are needed to control various engine and Transaxle functions. Each ODM is capable of controlling up to 7 separate outputs by applying ground to the device which the PCM is commanding ON. Unlike the Quad Driver Modules (QDMs) used in prior model years, ODMs have the capability of diagnosing each output circuit individually. DTC P1546 set indicates an improper voltage level has been detected on the output circuit which controls the A/C compressor control relay.
The ignition is ON.
| • | An improper voltage level has been detected on the output circuit which controls the A/C compressor control relay. |
| • | The above conditions are present for at least 30 seconds. |
| • | The PCM will not illuminate the malfunction indicator lamp (MIL). |
| • | The PCM will store conditions which were present when the DTC set as Failure Records data only. This information will not be stored as Freeze Frame data. |
| • | A History DTC will clear after 40 consecutive warm-up cycles have occurred without a malfunction. |
| • | The DTC can be cleared by using the scan tool Clear Info function. |
Check for the following conditions:
| • | Poor connection at the PCM. Inspect harness connectors for backed out terminals, improper mating, broken locks, improperly formed or damaged terminals, and poor terminal to wire connection. |
| • | Damaged harness. Inspect the wiring harness for damage. If the harness appears to be OK, disconnect the PCM, turn the ignition ON and observe a digital multimeter connected between the A/C compressor control relay control circuit and ground at the PCM harness connector while moving connectors and wiring harnesses related to the A/C compressor control relay. A change in voltage will indicate the location of the malfunction. |
Review the Freeze Frame/Fail Records vehicle mileage since the diagnostic test last failed. This may help determine how often the condition that caused the DTC to be set occurs.
The number(s) below refer to the step number(s) on the diagnostic table.
The powertrain OBD System Check prompts you to complete some basic checks and store the freeze frame and failure records data on the scan tool.
Listen for an audible click when the relay operates. Command both the ON and OFF states. Repeat the commands as necessary.
Tests for voltage at the coil feed side of the relay.
Verifies that the PCM is providing ground to the relay.
Tests if ground is constantly being applied to the relay.
The PCM utilizes Electrically Erasable Programmable Read Only Memory (EEPROM). When the PCM is replaced, the new PCM must be programmed.
Step | Action | Value(s) | Yes | No |
|---|---|---|---|---|
Did you perform the Powertrain On-Board Diagnostic (OBD) System Check? | -- | Go to Step 2 | ||
Does the relay turn ON and OFF with each command? | -- | Go to Diagnostic Aids | Go to Step 3 | |
Does the test lamp illuminate? | -- | Go to Step 4 | Go to Step 10 | |
Does the test lamp turn ON and OFF with each command? | -- | Go to Step 8 | Go to Step 5 | |
Does the test lamp remain illuminated with each command? | -- | Go to Step 7 | Go to Step 6 | |
6 | Test the control circuit of the relay for a short to voltage or an open. Refer to Wiring Repairs . Did you find and correct the condition? | -- | Go to Step 13 | Go to Step 9 |
7 | Test the control circuit of the relay for a short to ground. Refer to Wiring Repairs . Did you find and correct the condition? | -- | Go to Step 13 | Go to Step 9 |
8 | Inspect for poor connections at the relay. Refer to Intermittents and Poor Connections Diagnosis and Connector Repairs in Wiring Systems. Did you find and correct the condition? | -- | Go to Step 13 | Go to Step 11 |
9 | Inspect for poor connections at the PCM. Refer to Intermittents and Poor Connections Diagnosis and Repairing Connector Terminals in Wiring Systems. Did you find and correct the condition? | -- | Go to Step 13 | Go to Step 12 |
10 | Repair the feed circuit of the relay. Refer to Wiring Repairs . Did you complete the repair? | -- | Go to Step 13 | -- |
11 | Replace the relay. Refer to Compressor Relay Replacement. Did you complete the replacement? | -- | Go to Step 13 | -- |
Replace the PCM. Refer to Powertrain Control Module Replacement/Programming . Important: Perform the set up procedure for the PCM. Did you complete the replacement? | -- | Go to Step 13 | -- | |
13 |
Does the DTC reset? | -- | Go to Step 2 | System OK |