GM Service Manual Online
For 1990-2009 cars only
Makes
🢒
Buick
🢒
2000
🢒
GL7 (Export)
🢒
Engine
🢒
Engine Cooling
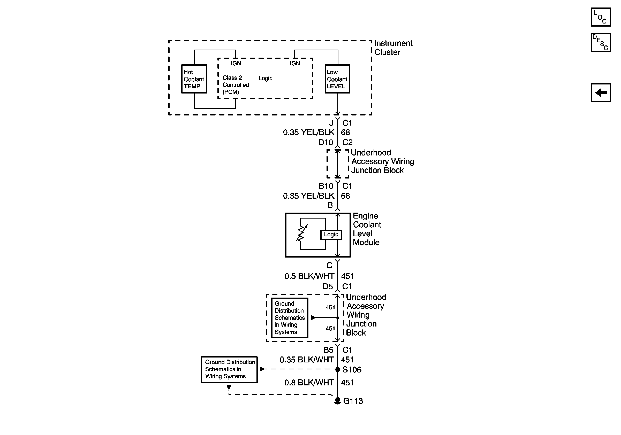
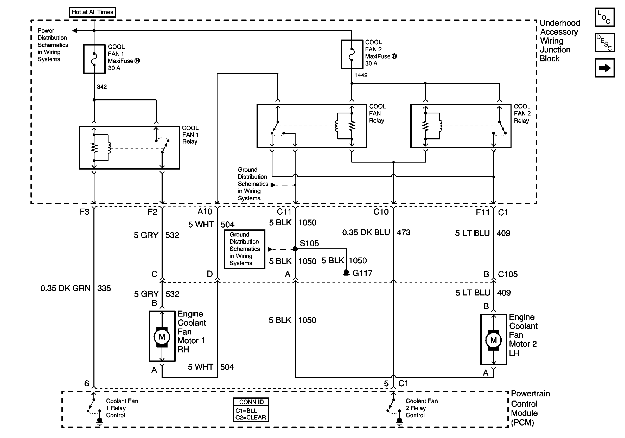
🢒 Cooling Fan Schematics
Figure
1:
Power Train Control Module (PCM)
Figure
2:
Instrument Cluster