GM Service Manual Online
For 1990-2009 cars only
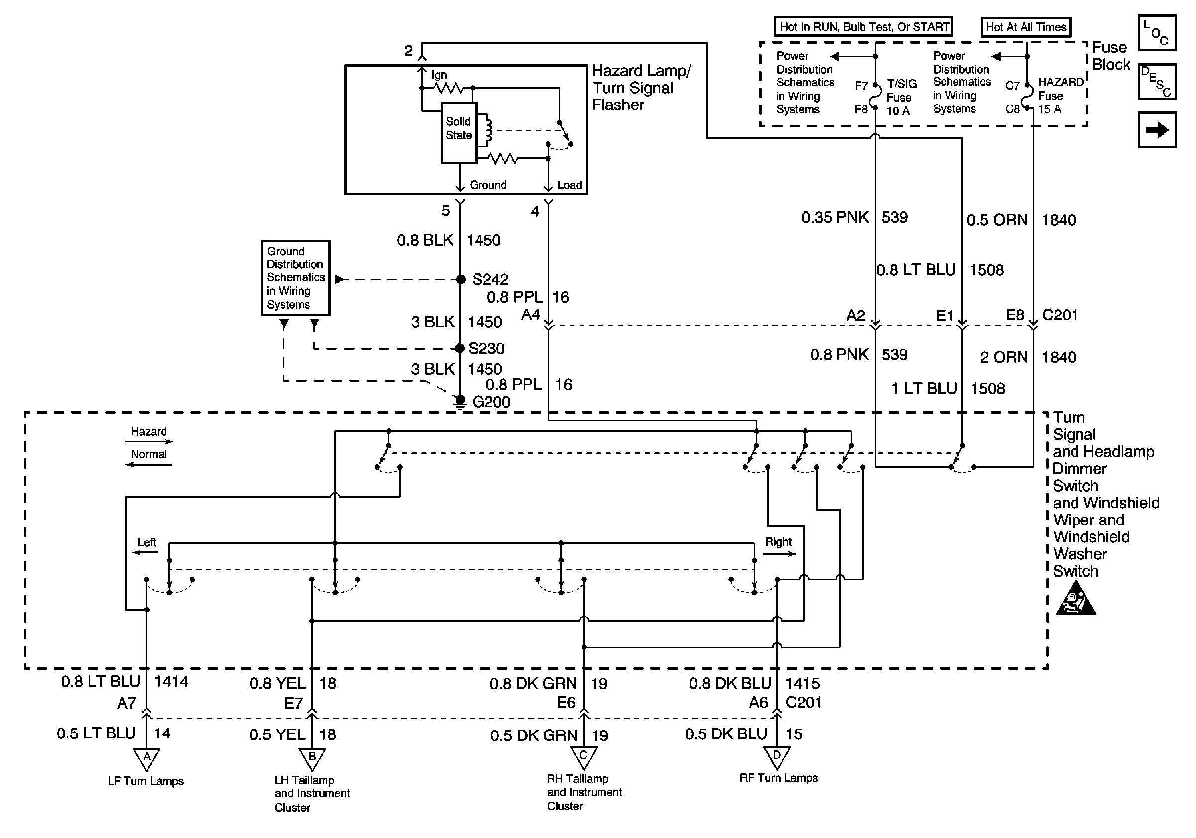
Figure 1:

Hazard Lamp/Turn Signal Flasher, Turn Signal Switch


Object Number: 645818  Size: FS
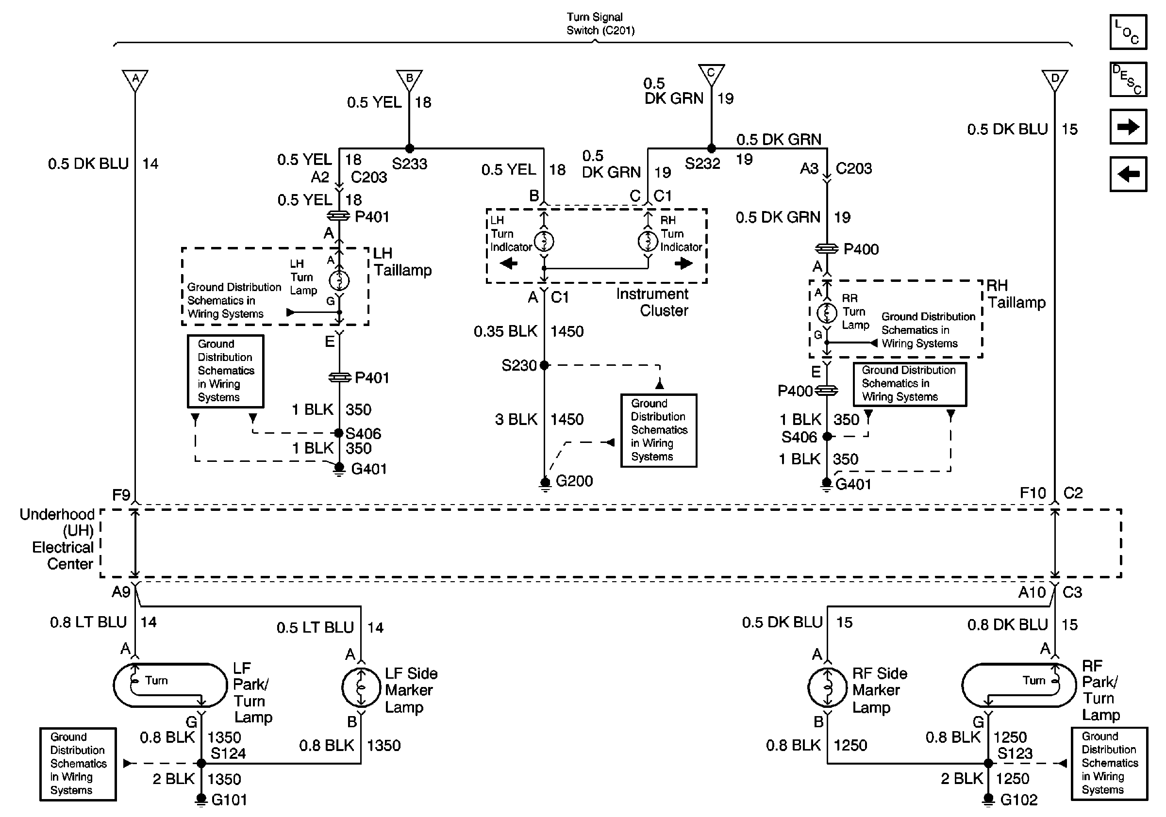
Figure 2:

Turn and Side Marker Lamps


Object Number: 645831  Size: FS
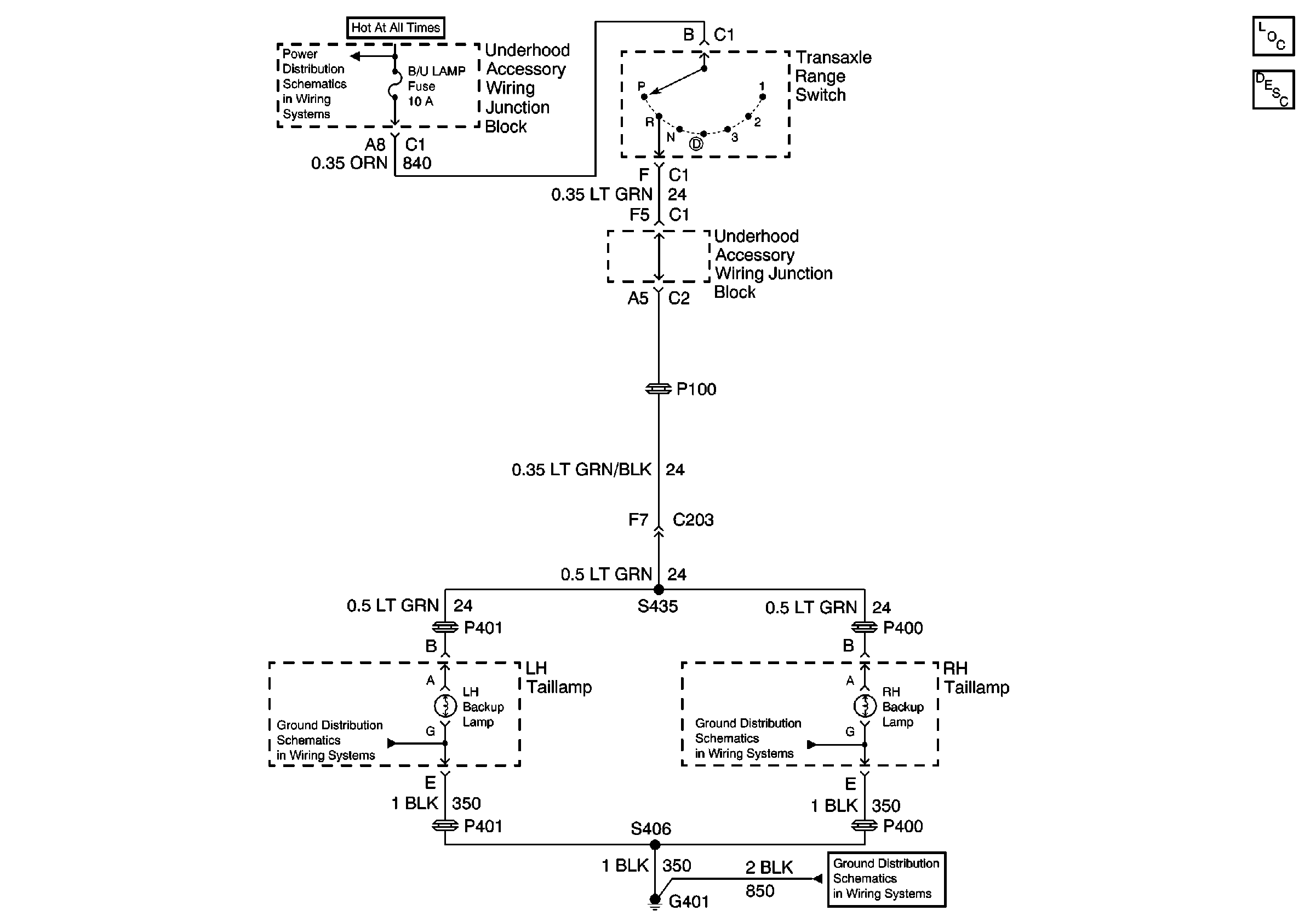
Figure 3:

Headlamp Position Lamps/License Lamps


Object Number: 645844  Size: FS
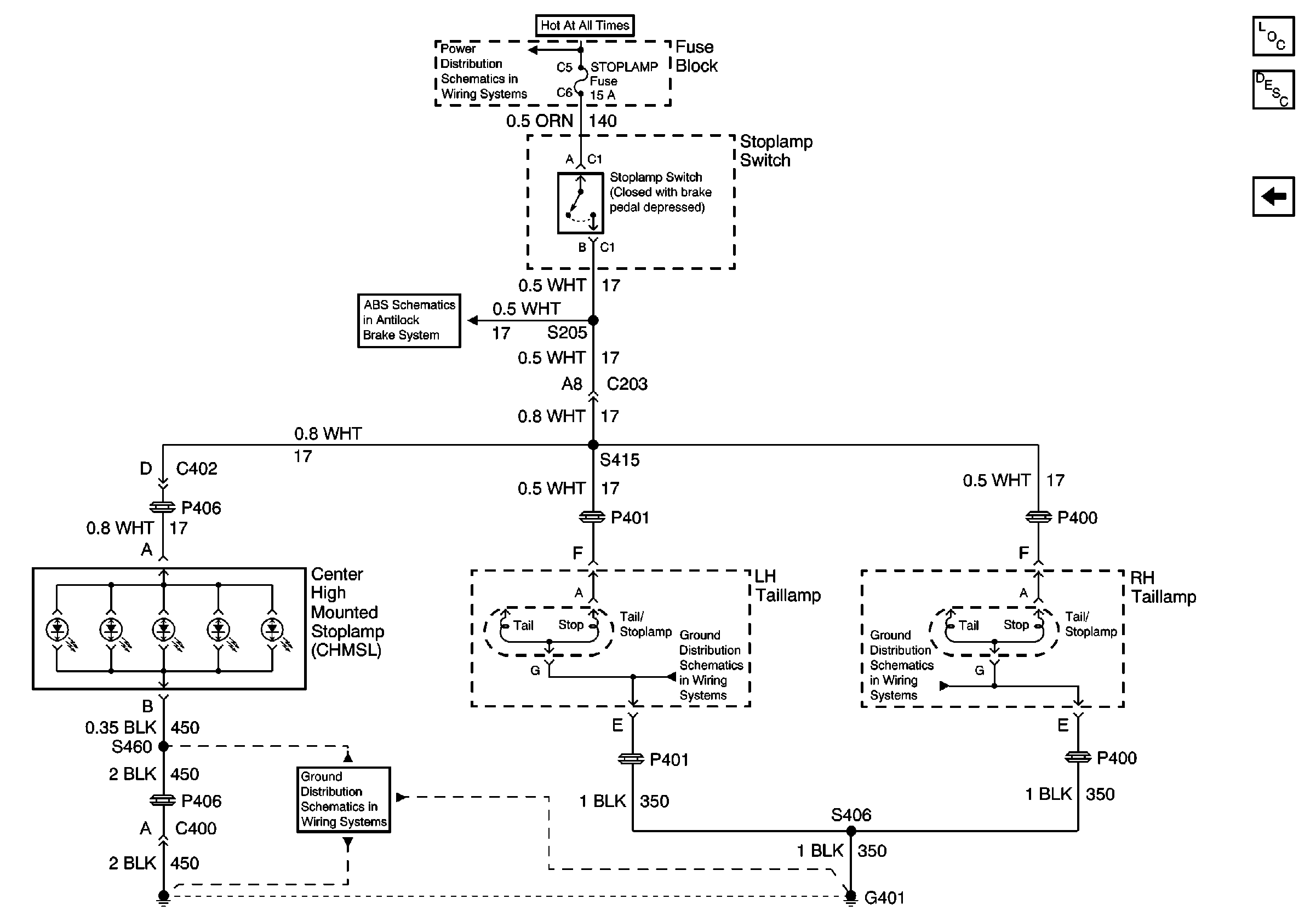
Figure 4:

Stoplamps and CHMSL


Object Number: 645849  Size: FS
Figure 5:

Taillamps


Object Number: 645856  Size: FS
Figure 6:

Backup Lights


Object Number: 645298  Size: FS