GM Service Manual Online
For 1990-2009 cars only
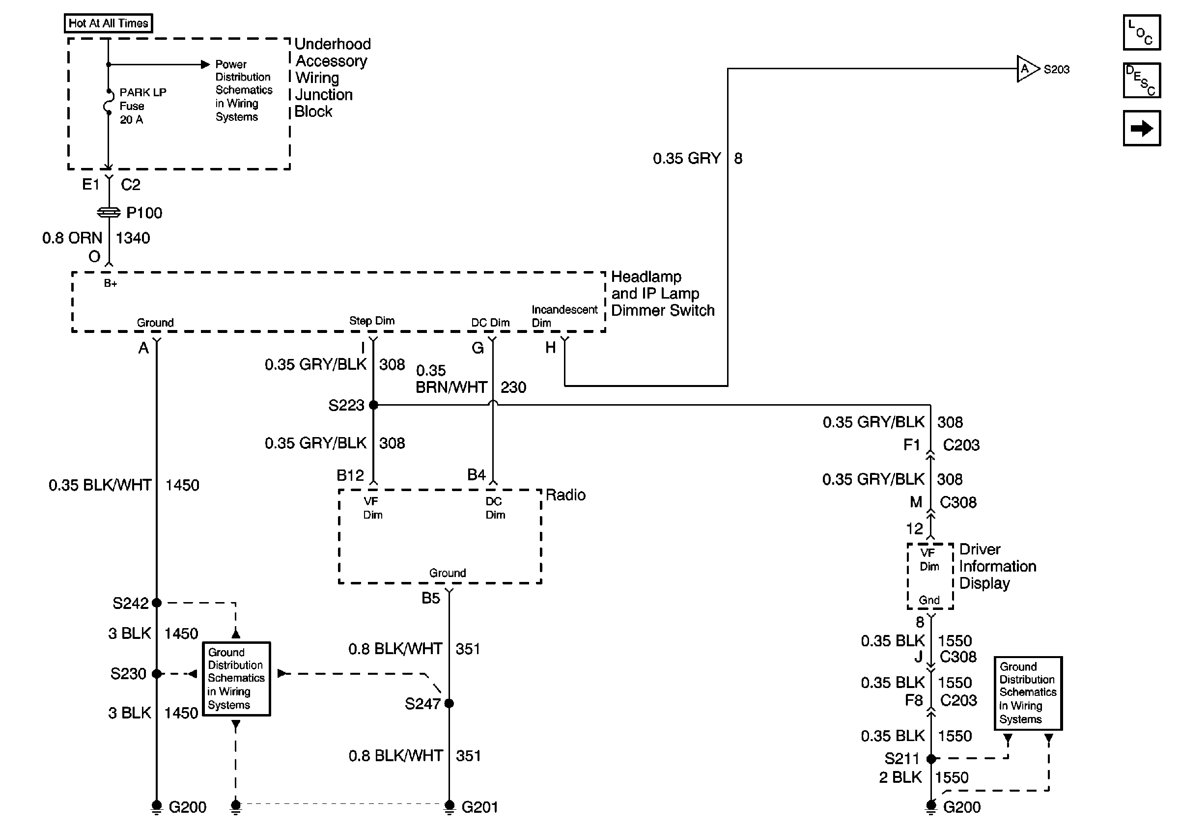
Figure 1:

Headlamp and IP Lamp Dimmer Switch, Driver Information Display


Object Number: 645786  Size: FS
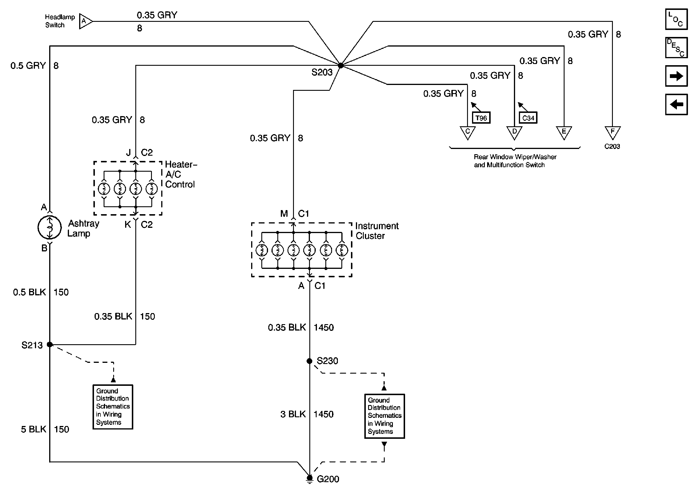
Figure 2:

Heater-A/C Control Switches and Instrument Cluster


Object Number: 645793  Size: FS
Figure 3:

Rear Window Wiper/Washer and Multifunction Switch, Window Switches, Door Lock Switches


Object Number: 645805  Size: FS
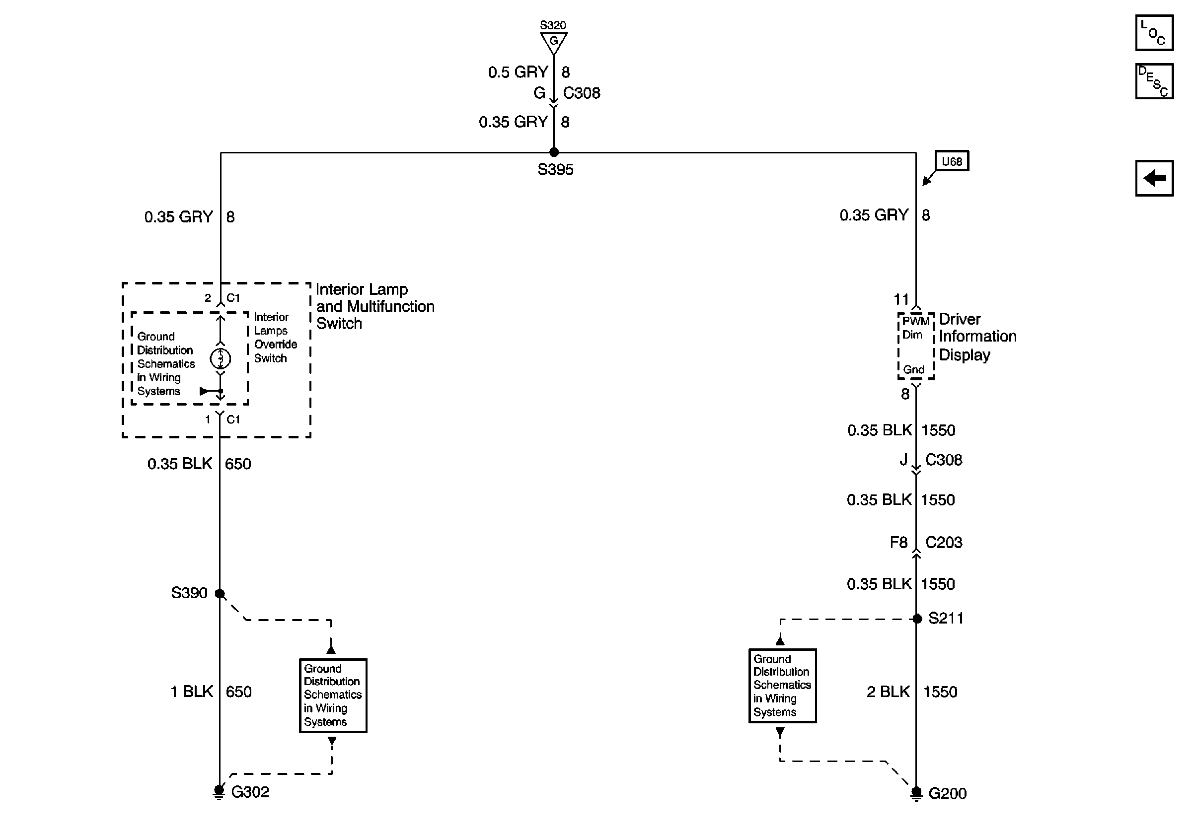
Figure 4:

Interior Lamp and Multifunction Switch


Object Number: 645810  Size: FS