GM Service Manual Online
For 1990-2009 cars only
Figure 1:

Front Fog Lights


Object Number: 645342  Size: FS
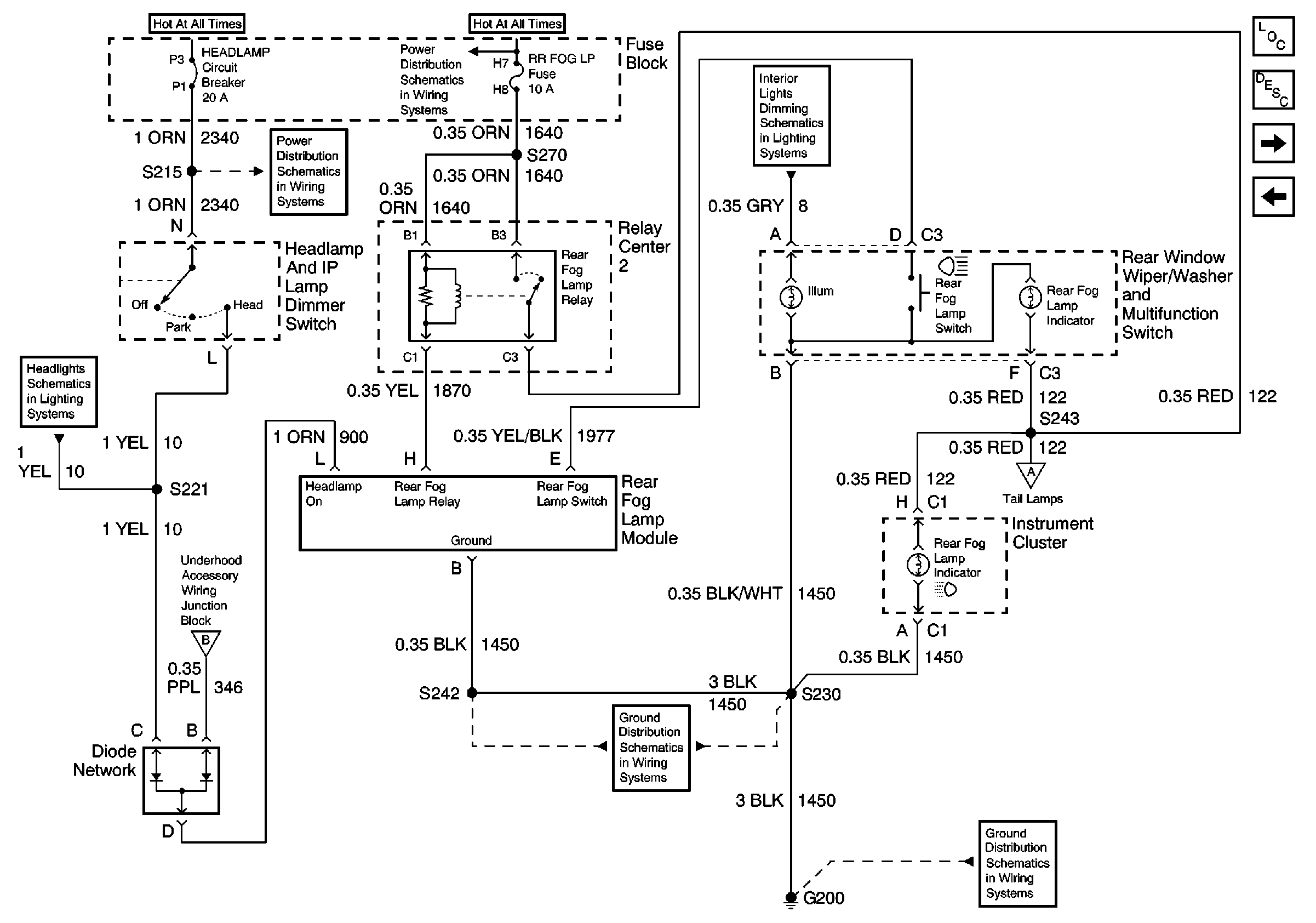
Figure 2:

Rear Fog Lamp Module


Object Number: 645360  Size: FS
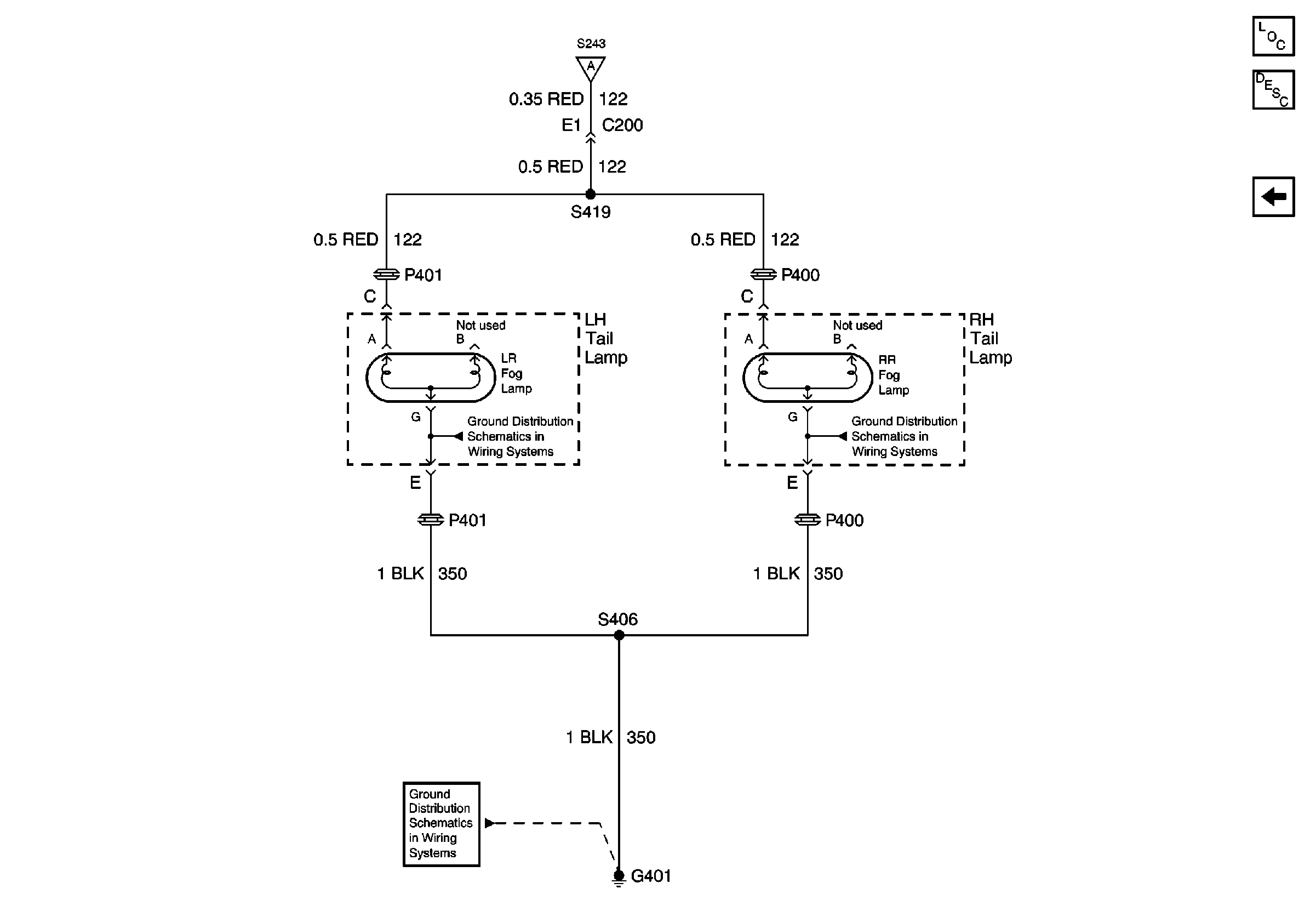
Figure 3:

Rear Fog Lights


Object Number: 645385  Size: FS