GM Service Manual Online
For 1990-2009 cars only
Makes
🢒
Buick
🢒
2000
🢒
GL7 (Export)
🢒
Body and Accessories
🢒
Wipers/Washer Systems
🢒 Manifold Absolute Pressure Sensor Replacement
Removal Procedure
Disconnect the negative battery cable
Battery Negative Cable Disconnection and Connection
in Engine Electrical
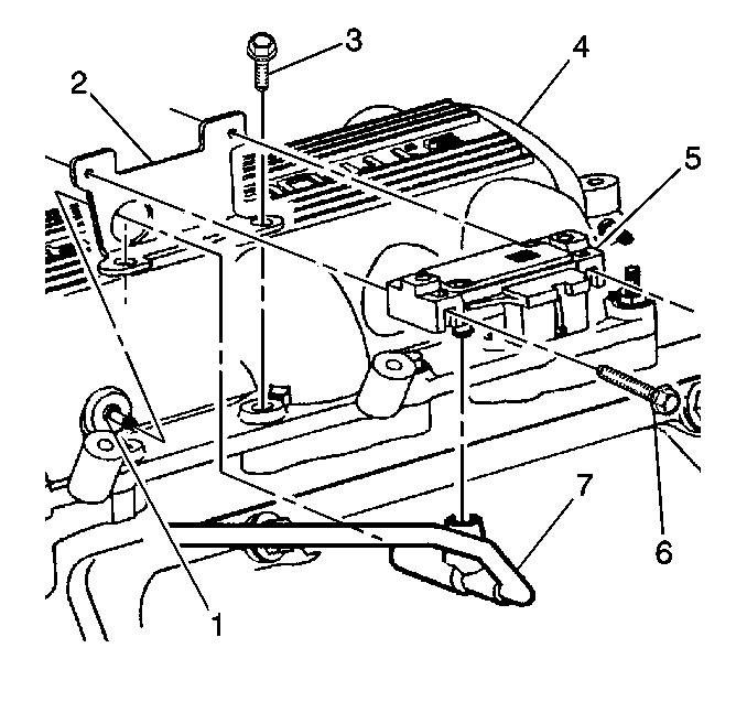
Remove the bolt/screws (6).
Disconnect the electrical connector.
Disconnect the inlet vacuum hose (7).
Remove the MAP sensor (5) from the bracket (2)
Installation Procedure
Install the MAP sensor (5) to the bracket.
Connect the electrical connector.
Connect the inlet vacuum hose (7).
Connect the negative battery cable.