GM Service Manual Online
For 1990-2009 cars only
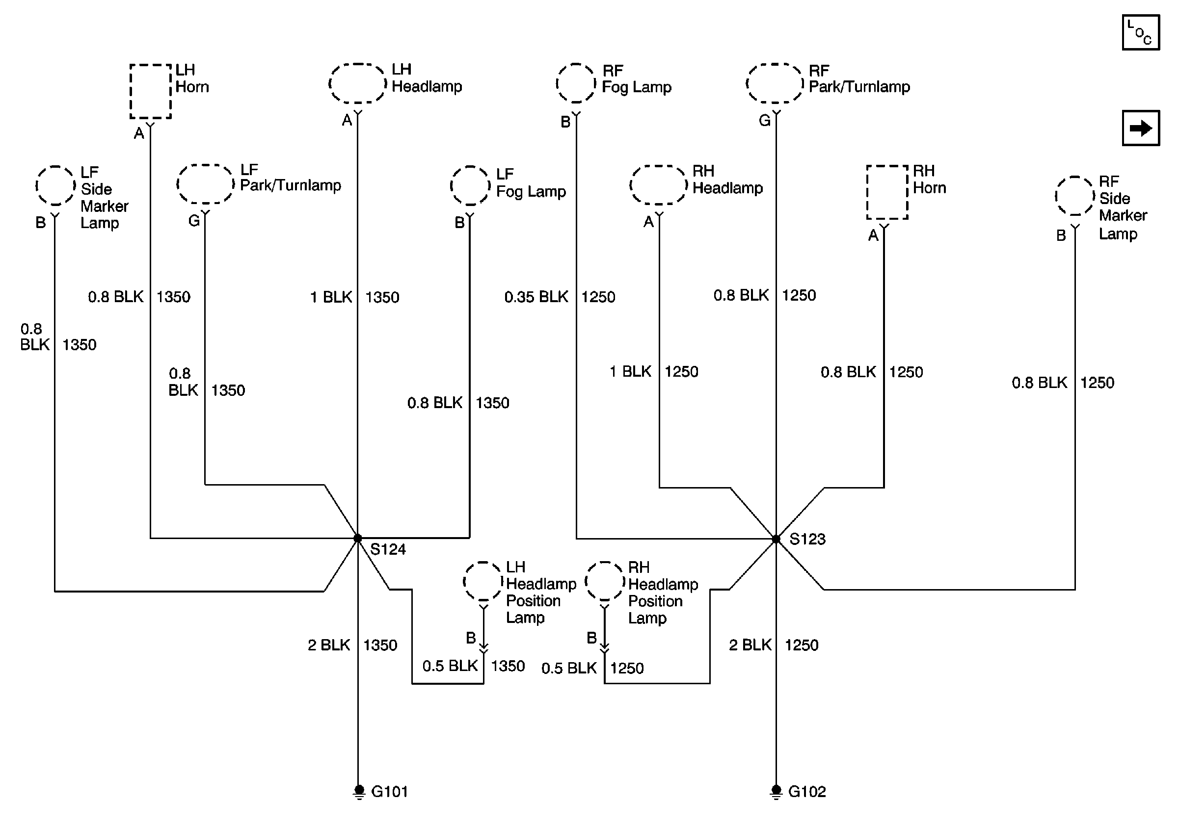
Figure 1:

G101 and G102


Object Number: 645867  Size: FS
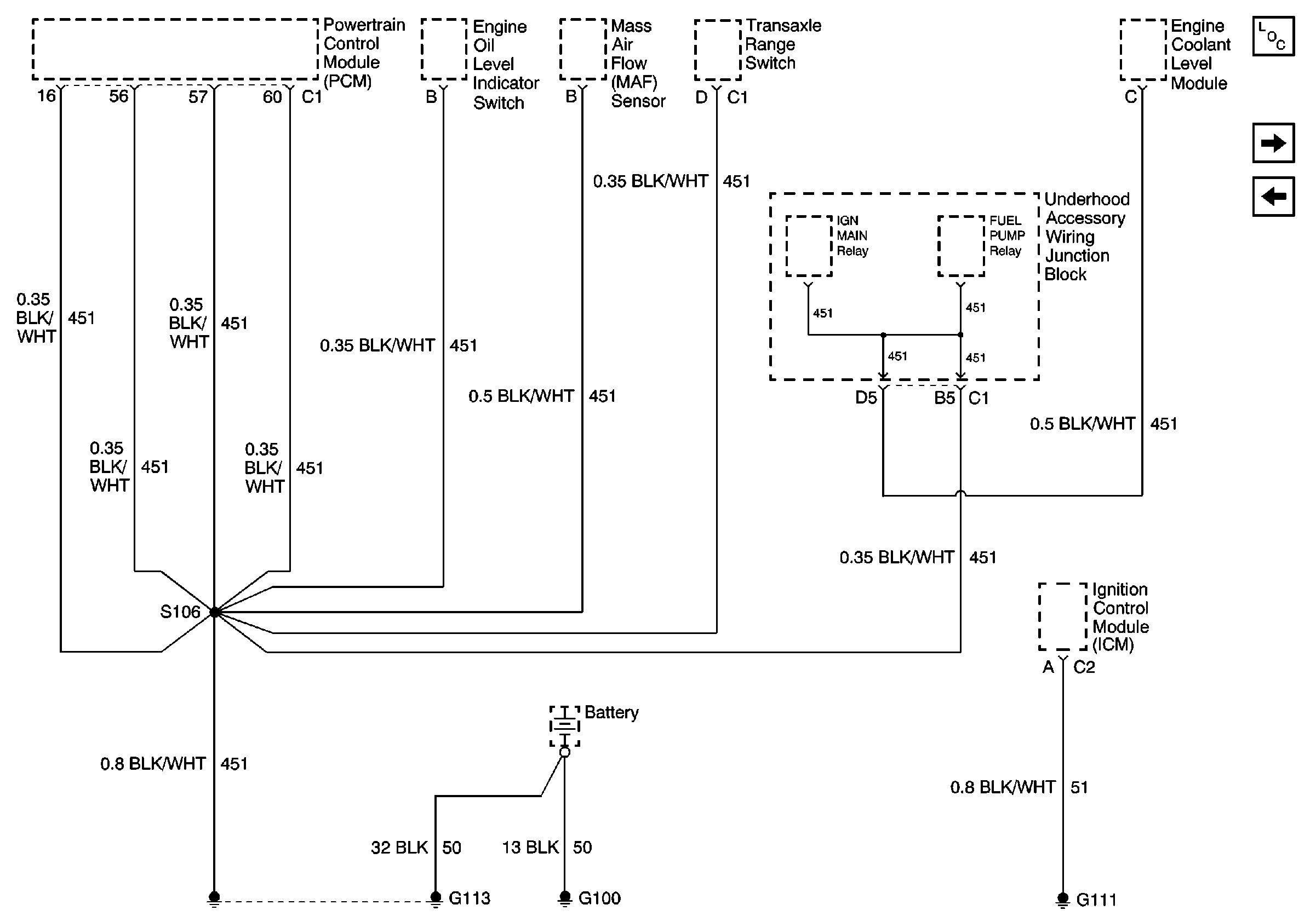
Figure 2:

G100, G111 and G113


Object Number: 645892  Size: FS
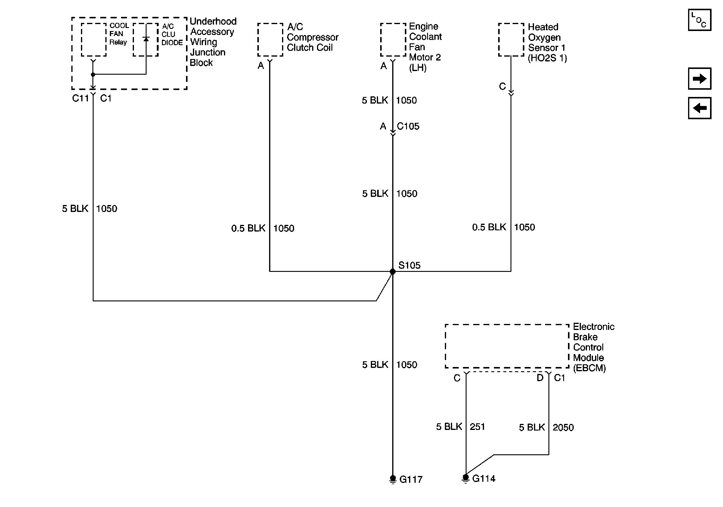
Figure 3:

G114 and G117


Object Number: 645897  Size: FS
Figure 4:

G200


Object Number: 645929  Size: FS
Figure 5:

G200


Object Number: 645930  Size: FS
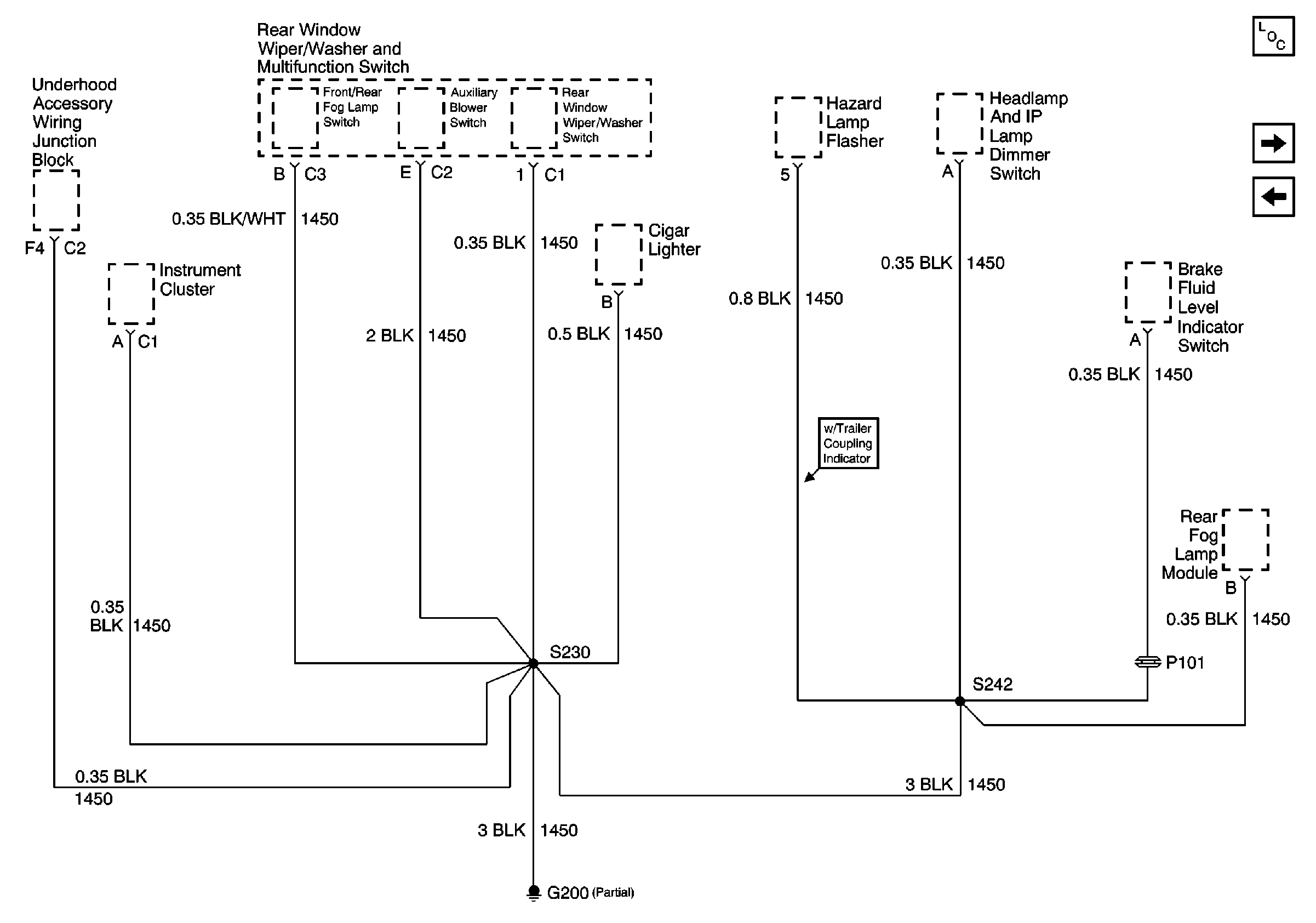
Figure 6:

G200


Object Number: 645931  Size: FS
Figure 7:

G200, G201 and G301


Object Number: 645932  Size: FS
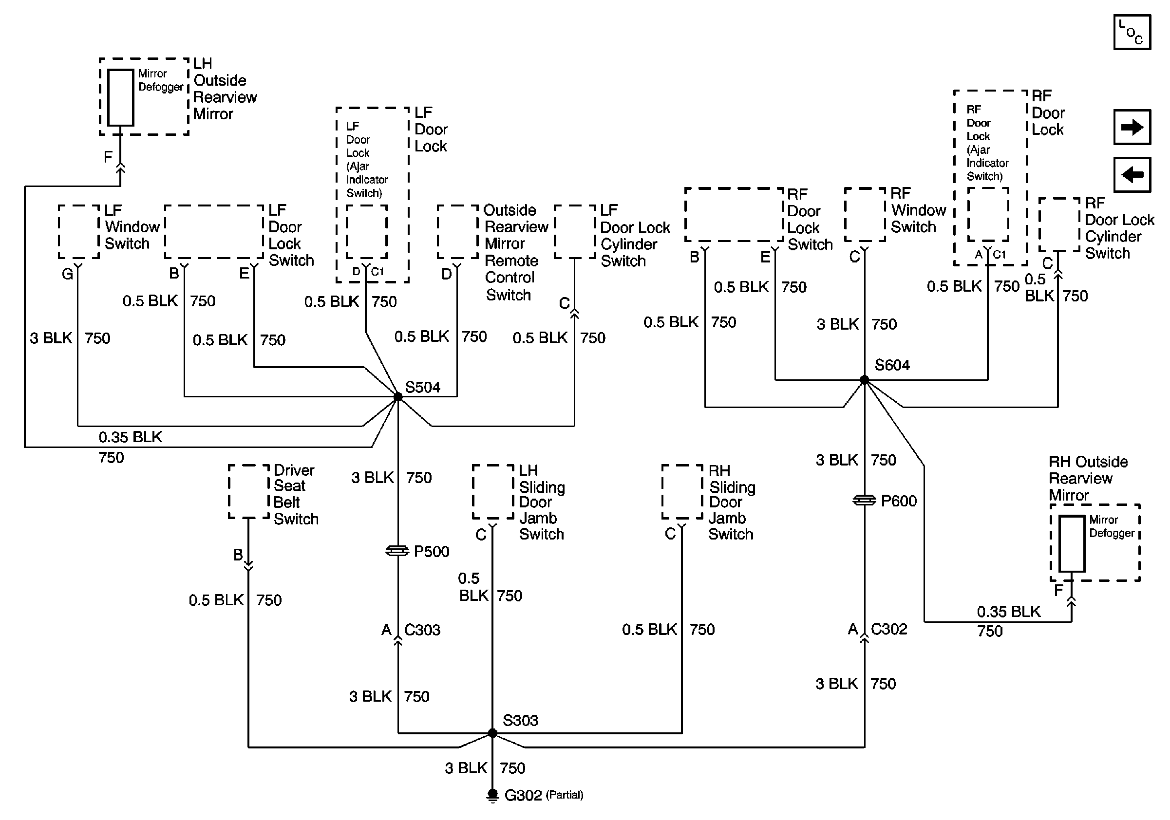
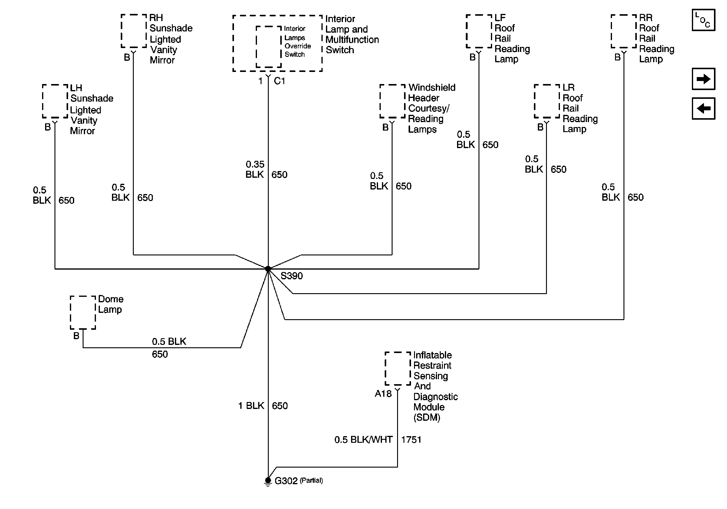
Figure 8:

G302


Object Number: 645933  Size: FS
Figure 9:

G302


Object Number: 645934  Size: FS
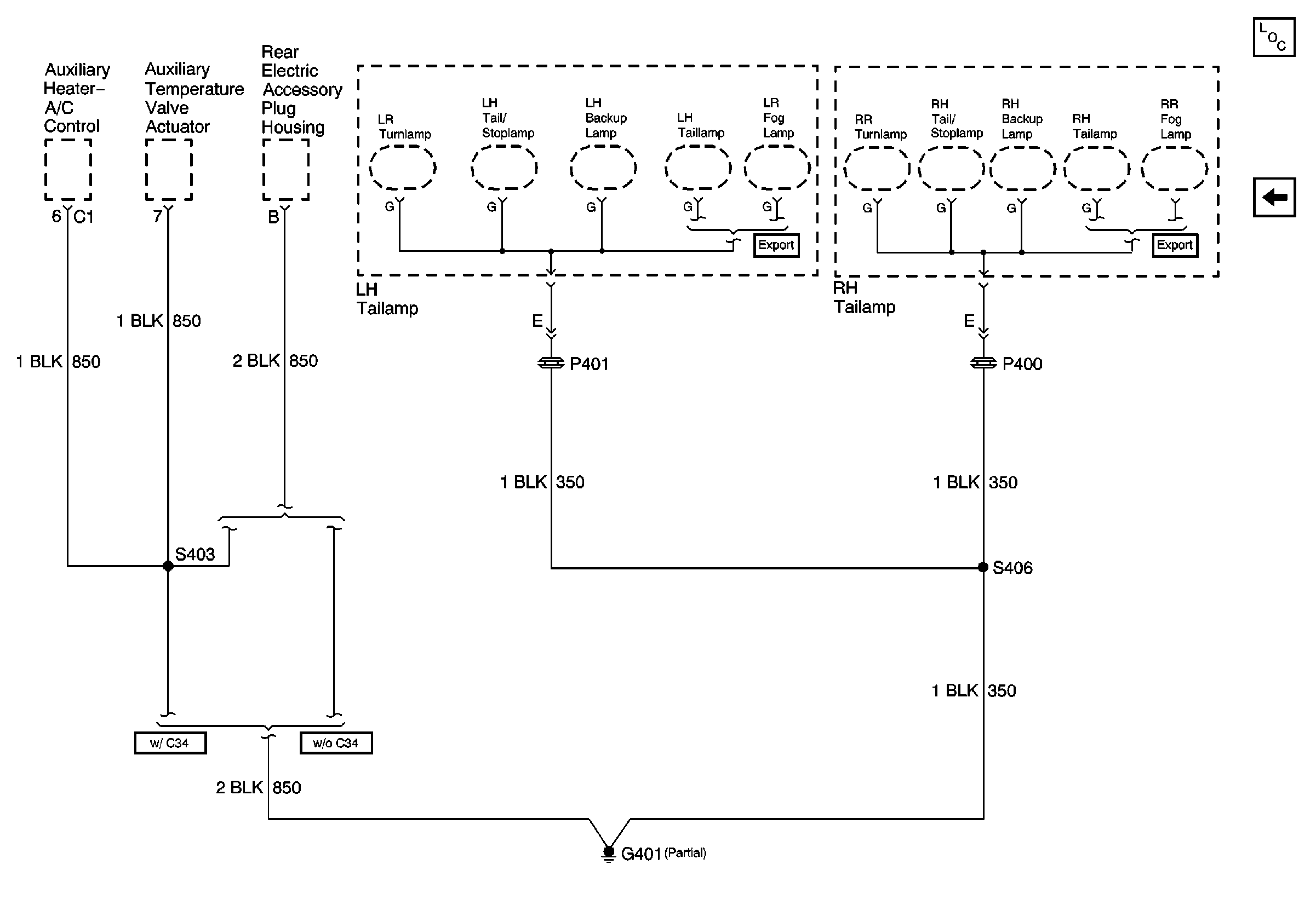
Figure 10:

G401


Object Number: 645935  Size: FS
Figure 11:

G401 and G402


Object Number: 645937  Size: FS