GM Service Manual Online
For 1990-2009 cars only
Makes
🢒
Buick
🢒
2000
🢒
GL7 (Export)
🢒
Body and Accessories
🢒
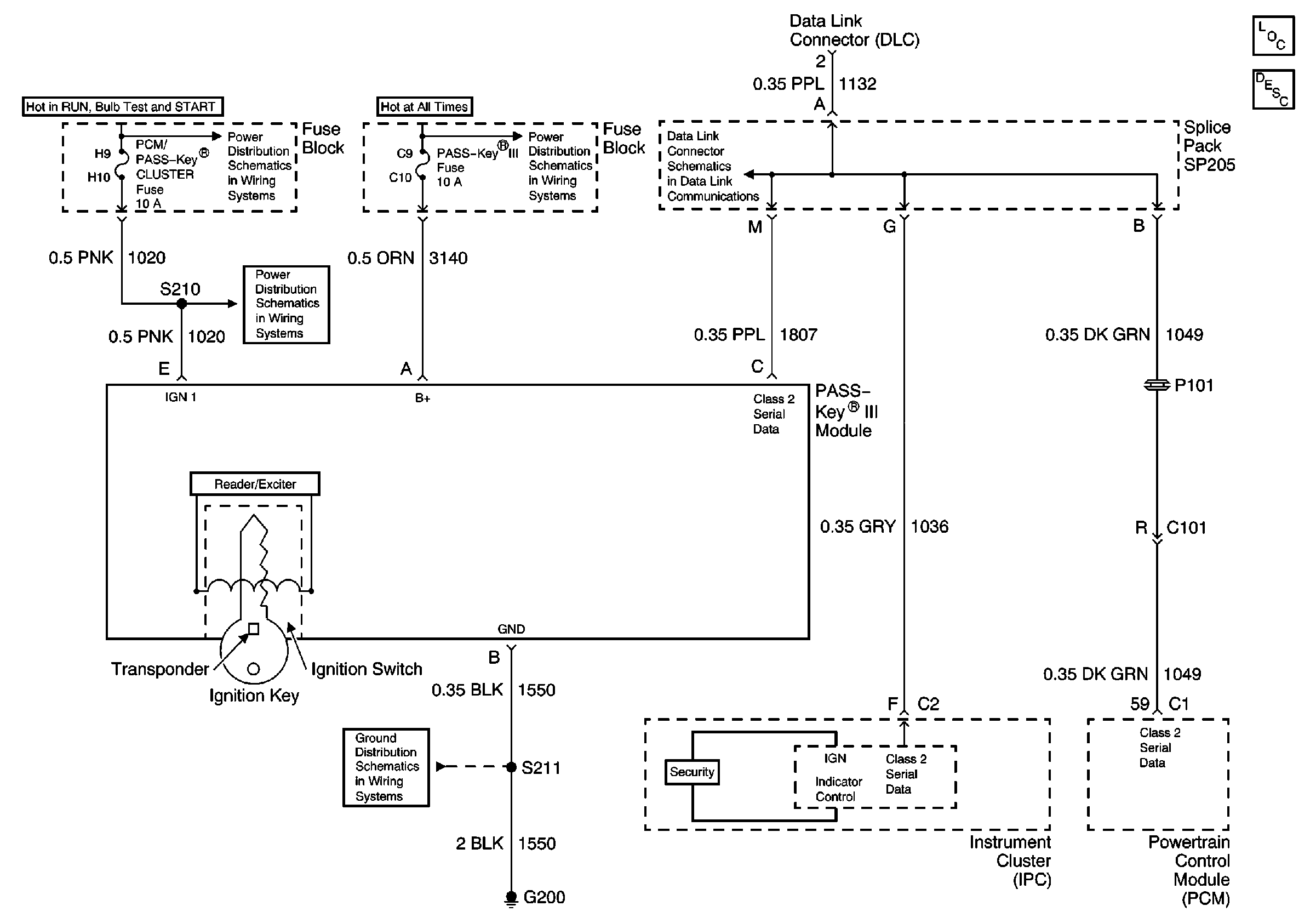
Theft Deterrent
🢒 Theft Deterrent System Schematics