GM Service Manual Online
For 1990-2009 cars only
Makes
🢒
Buick
🢒
2000
🢒
GL7 (Export)
🢒
Body and Accessories
🢒
Doors
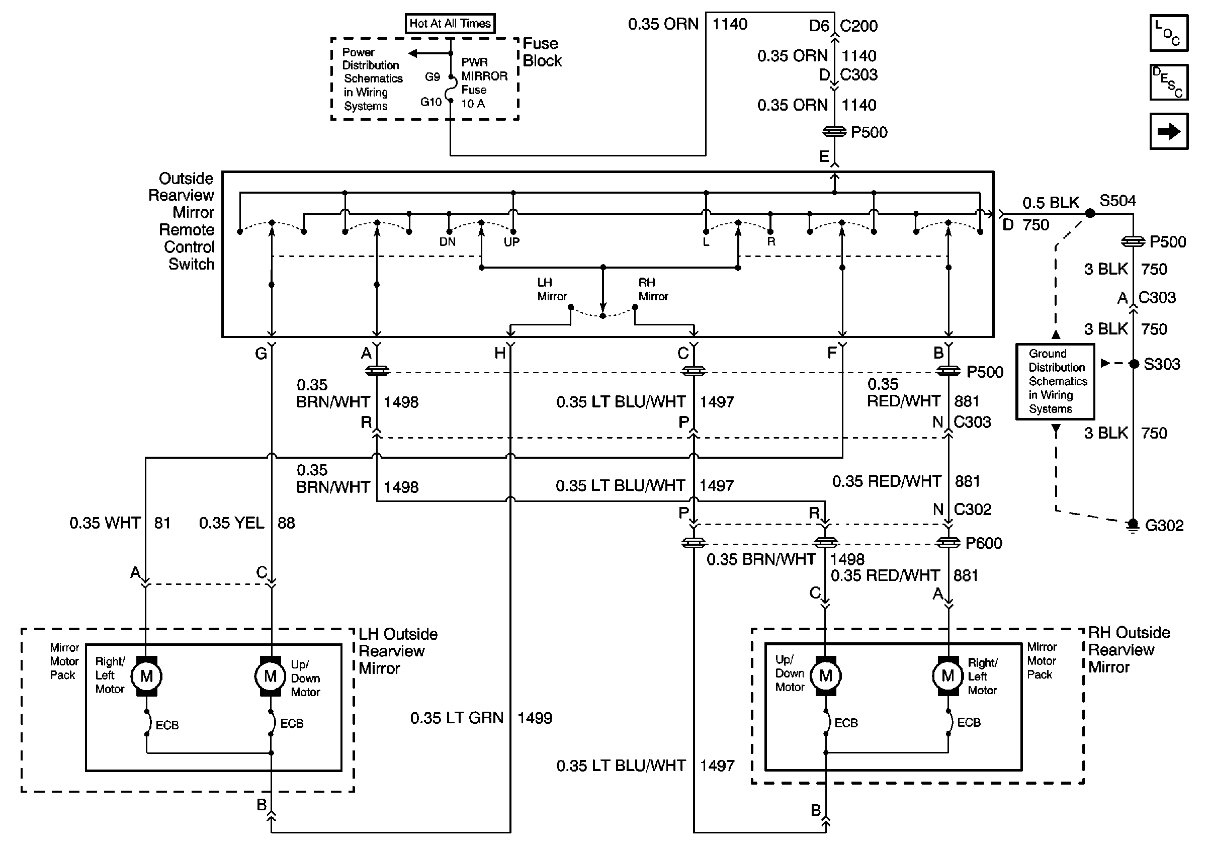
🢒 Outside Rearview Mirror Schematics
Figure
1:
Outside Mirror Schematics (Power Mirrors)
Figure
2:
Outside Mirror Schematics (Heated Mirrors)