GM Service Manual Online
For 1990-2009 cars only

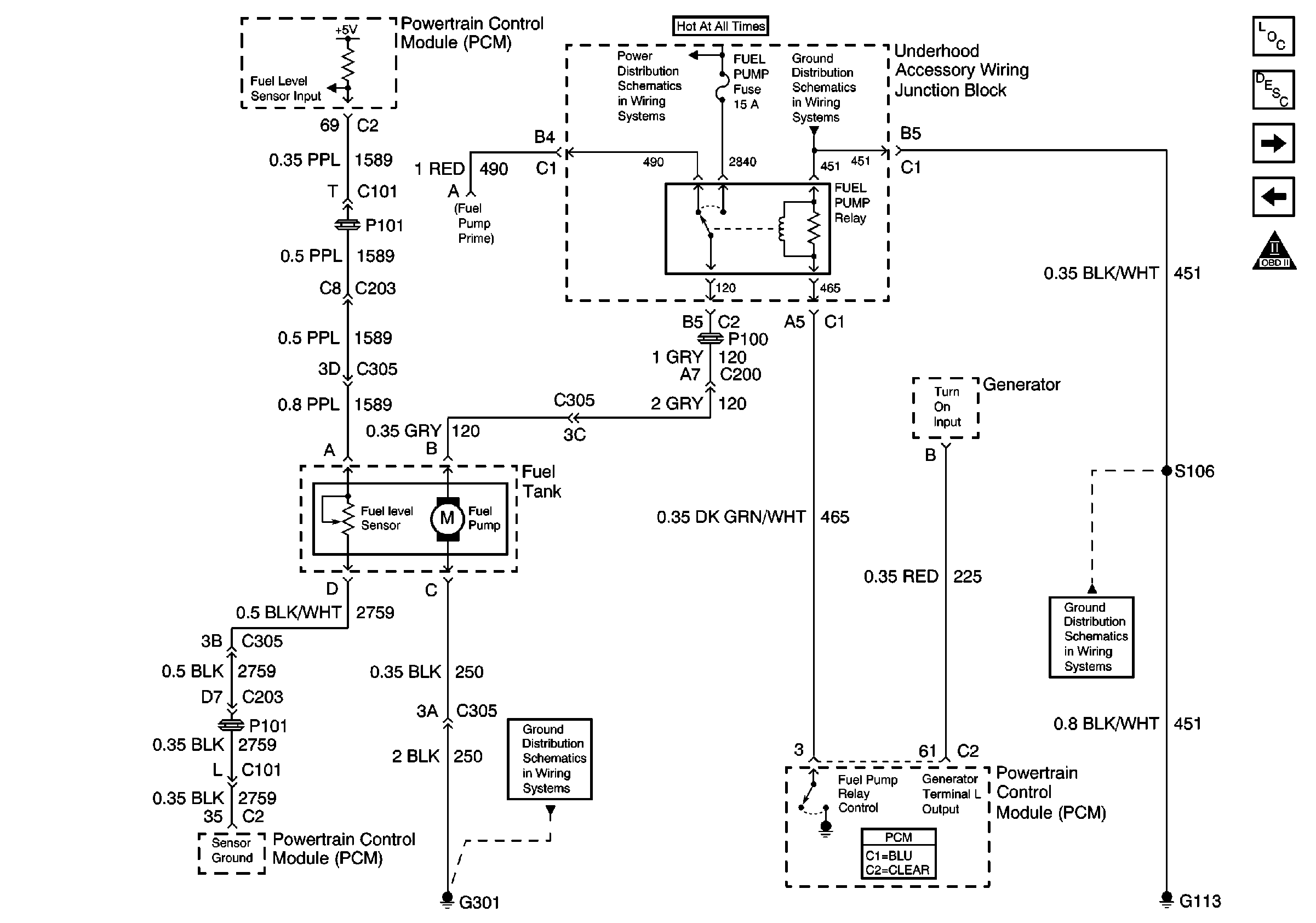
Refer to Engine Control Schematics

Fuel Control


Object Number: 646106  Size: FS
.

Circuit Description

The Fuel Level Sensor changes resistance based on fuel level. The Fuel Level Sensor has a signal circuit and a ground circuit. The PCM applies a voltage (about 5.0 volts) on the signal circuit to the sensor. The PCM monitors changes in this voltage caused by changes in the resistance of the sensor to determine fuel level.

When the fuel tank is full, the sensor resistance is high, therefore, the PCM will sense a high signal voltage (fuel tank full). When the fuel tank is empty, the sensor resistance is low, and the PCM senses a low signal voltage (fuel tank empty).

The PCM uses inputs from the Fuel Level Sensor to calculate the total fuel remaining in the fuel tank. This information is then sent to the fuel gauge.

This DTC sets when the PCM senses a signal voltage higher than the normal operating range of the sensor.

Conditions for Running the DTC

    • The ignition is ON.
    • System voltage is between 10.0 and 18.0 volts.

Conditions for Setting the DTC

The Fuel Level Sensor should be greater than 98% for greater than 25 seconds.

Action Taken When the DTC Sets

The PCM stores conditions which were present when the DTC set as Failure Records only. This information will not be stored as Freeze Frame Records.

Conditions for Clearing the MIL/DTC

    • The DTC becomes history when the conditions for setting the DTC are no longer present.
    • The history DTC clears after 40 malfunction free warm-up cycles.
    • The PCM receives a clear code command from the scan tool.

Diagnostic Aids

Important:  Remove any debris from the connector surfaces before servicing a component. Inspect the connector gaskets when diagnosing or replacing a component. Ensure that the gaskets are installed correctly. The gaskets prevent contaminate intrusion.

    •  Poor terminal connection-Inspect the harness connectors for backed out terminals, improper mating, broken locks, improperly formed or damaged terminals, and faulty terminal to wire connection. Use a corresponding mating terminal to test for proper tension.
    •  Damaged harness--Inspect the wiring harness for damage. If the harness inspection does not reveal a problem, observe the display on the scan tool while moving connectors and wiring harnesses related to the sensor. A change in the scan tool display may indicate the location of the fault.
    • PCM and engine grounds for clean and secure connections

If the DTC is determined to be intermittent, reviewing the Failure Records can be useful in determining when the DTC was last set.

Test Description

Number(s) below refer to the step number(s) on the Diagnostic Table:

  1. Tests for proper operation of the fuel level circuit in the high voltage range.

  2. Tests for proper operation of the fuel level circuit in the low voltage range. If the fuse in the jumper opens when you perform this test, the signal is sorted to voltage.

DTC P0463-Fuel Level Circuit High Voltage

Step

Action

Value(s)

Yes

No

1

Did you preform the Powertrain On-Board Diagnostic (OBD) System Check?

--

Go to Step 2

Go to Powertrain On Board Diagnostic (OBD) System Check

2

  1. Turn ON the ignition, with the engine OFF.
  2. With a scan tool, observe the Fuel Level parameter.

Does the scan tool indicate that the Fuel Level parameter is greater than the specified value?

98%

Go to Step 3

Go to Diagnostic aids

3

  1. Disconnect the pass through connector located near the fuel tank.
  2. Important: : If the fuse opens, locate a short to ground.

  3. Connect a 3 amp fused jumper between the fuel level sensor signal circuit and the fuel level sensor ground circuit at the connector.
  4. With a scan tool, observe the fuel level parameter.

Does the scan tool indicate that the Fuel Level parameter is less than the specified value?

3.5%

Go to Step 6

Go to Step 4

4

Test the Fuel Level signal circuit for a short to voltage, high resistance or a open. Refer to Testing for Intermittent Conditions and Poor Connections and Wiring Repairs .

Did you find and correct the condition?

--

Go to Step 10

Go to Step 5

5

Test the Fuel Level ground circuit for a high resistance or an open. Refer to Testing for Intermittent Conditions and Poor Connections and Wiring Repairs

Did you find and correct the condition?

--

Go to Step 10

Go to Step 7

6

Test for poor connections at the fuel level sensor harness connector. Testing for Intermittent Conditions and Poor Connections and Connector Repairs .

Did you find and correct the condition?

--

Go to Step 10

Go to Step 8

7

Test the Fuel Level sensor circuit and Fuel Level ground circuit for poor connections at the PCM.

Did you find and correct the condition?

--

Go to Step 10

Go to Step 9

8

Replace the Fuel Level Sensor. Refer to . Fuel Level Sensor Replacement .

Did you complete the replacement?

--

Go to Step 10

--

9

Important: :  The replacement PCM must be programmed.

Replace the PCM. Refer to Powertrain Control Module Replacement/Programming .

Did you complete the replacement?

--

Go to Step 10

--

10

  1. With a scan tool, clear the DTCs.
  2. Start the engine, operate the engine within the conditions for setting the DTC.

Does the scan tool indicate that this diagnostic has ran and passed?

--

System OK

Go to Step 2