GM Service Manual Online
For 1990-2009 cars only

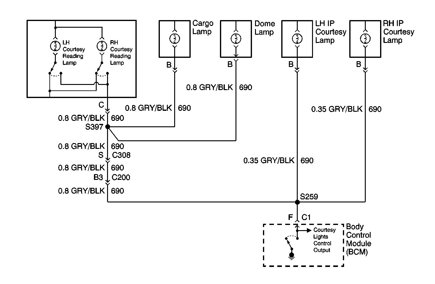
Object Number: 610413  Size: MF

Circuit Description

The body control module (BCM) controls the interior illumination. The BCM turns on the interior (courtesy) lamps when the following actions occur:

    • Any of the vehicle doors are opened.
    • The instrument panel dimmer switch is turned to the DOME position.
    • Exit illumination is active.
    • The doors are unlocked through the keyless entry system (BCM type 3 only).

The BCM turns the interior lamps off when all the vehicle doors are closed and the instrument panel dimmer switch is in the OFF position.

All the vehicle doors contain a door lock ajar switch. When the driver door is open, the left front door lock ajar switch closes and sends a ground signal to the BCM through circuit 159.

When one of the right front, left rear, or right rear doors is open, its corresponding door lock ajar switch closes and sends a ground signal to the BCM through circuit 54. The BCM grounds circuit 690 when detecting a ground signal in any of the following circuits:

    • circuit 49
    • circuit 54
    • circuit 159

When the driver door is closed, the left front door lock ajar switch opens circuit 159. When all of the right front, left rear, and right rear doors are closed, their corresponding door lock ajar switches open circuit 49. The BCM then opens circuit 690 when any one of circuits 49, 54, or 159 is open.

The BCM uses the voltage in circuit 240 to power the interior lights through circuit 328 and circuit 1393. The BCM controls the power supplied to circuit 328 and circuit 1393 for inadvertent load (battery rundown) protection. The BCM opens circuit 690 when the inadvertent battery power rundown protection is active (circuit 1393 is open).

Conditions for Setting the DTC

The BCM detects a short to B+ in circuit 690.

Action Taken When the DTC Sets

    • The BCM sets the diagnostic trouble code (DTC) 3.
    • The interior courtesy lamps do not illuminate.

Conditions for Clearing the MIL/DTC

    • A short to B+ in circuit 690 is no longer present between the BCM and any of the courtesy lamps.
    • After the repairs are completed, clear the DTC. Refer to Diagnostic Trouble Code (DTC) Clearing .

Diagnostic Aids

Inspect for a short to B+ in circuit 690.

Interior Lighting Modes

Perform the following procedure in order to change the interior lighting mode:

  1. Turn off the instrument panel dimmer switch.
  2. Turn the ignition switch to the OFF position.
  3. Remove the MALL PGM fuse.
  4. Turn the ignition switch to the ACC position.

The BCM sounds the chime a number of times equivalent to the BCM type installed on the vehicle. At this time the BCM has entered the feature customization mode. In order to change the interior lighting, cycle the IP dimmer switch from the OFF position to the DOME position and then back to the OFF position. The BCM sounds a chime a number of times equal to the lighting mode.

The lighting modes are as follows:

    • Mode 1 - Exit illumination and delayed illumination are disabled.
    • Mode 2 - Delay illumination is enabled.
    • Mode 3 - Exit illumination is enabled.
    • Mode 4 - Exit illumination and delayed illumination are enabled.

Test Description

The numbers below refer to the step numbers on the diagnostic table.

  1. Always perform the lighting diagnostic system check before attempting to diagnose DTC 3.

  2. Tests for a short to B+ in circuit 690.

Step

Action

Value(s)

Yes

No

1

Did you perform the Lighting System Diagnostic System Check?

--

Go to Step 2

Go to Diagnostic System Check - Lighting Systems

2

  1. Ensure that all of the interior lamps are off.
  2. Disconnect the BCM connector C1.
  3. Use a DMM to measure voltage between ground and the BCM harness connector C1 terminal F. Refer to Circuit Testing in Wiring Systems.
  4. Turn the ignition to RUN.

Is B+ present?

B+

Go to Step 3

Go to Step 4

3

Repair a short to B+ in circuit 690. Refer to Wiring Repairs or Connector Repairs in Wiring Systems.

Is the repair complete?

--

Go to Step 5

--

4

Replace the BCM. Refer to Body Control Module Replacement in Body Control Systems.

Is the repair complete?

--

Go to Step 5

--

5

Check for body control module (BCM) DTCs. Refer to On-Board Diagnostic Features in Body Control Systems.

Are any BCM DTCs present?

--

Go to Diagnostic Trouble Code (DTC) List/Type in Body Control Systems

System OK