GM Service Manual Online
For 1990-2009 cars only

WHISTLE NOISE FROM HEATER- A/C UNIT (REPAIR DRAIN)

MODELS AFFECTED: 1987 LESABRE MODELS (H37, H69 ONLY) 1987 ELECTRA LIMITED MODEL (X69 ONLY)

A whistling noise may occur during operation of the Heater-A/C fan. The whistling noise is most objectionable at the middle fan speed and the pitch gets higher as fan speed gets higher. The whistling noise is most noticeable with the fan running and the vehicle standing still.

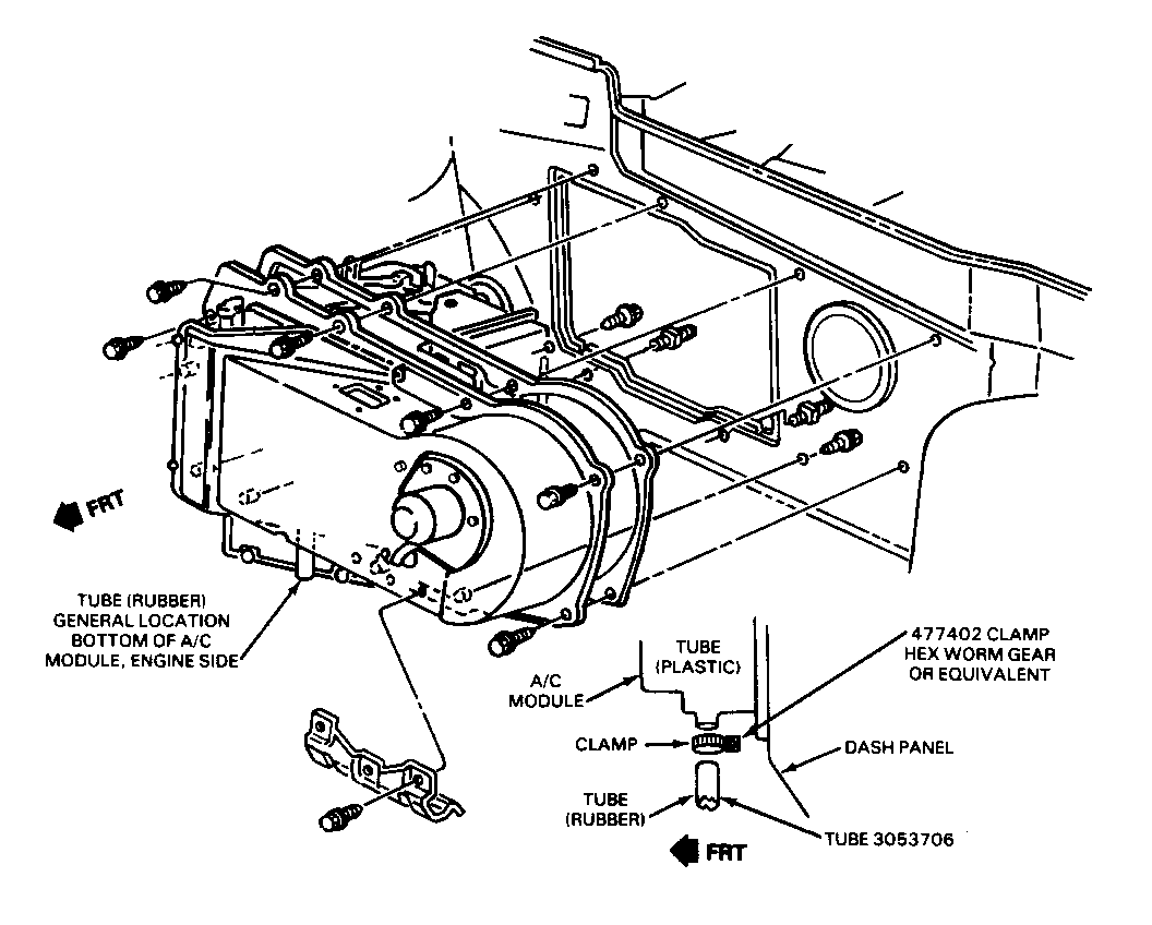
The correction is to extend the heater ventilation air condition case plastic drain with a rubber tube 1/2" I.D. x 2" long, Part Number 3053706, using clamp 477402 (or equivalent hex worm gear). This can most easily be installed with the vehicle raised on a hoist (see attached Illustration).

WARRANTY INFORMATION

Labor Operation Number: T5144 Labor Time: 0.2 Hour Trouble Code: 92


Object Number: 85447  Size: FS

General Motors bulletins are intended for use by professional technicians, not a "do-it-yourselfer". They are written to inform those technicians of conditions that may occur on some vehicles, or to provide information that could assist in the proper service of a vehicle. Properly trained technicians have the equipment, tools, safety instructions and know-how to do a job properly and safely. If a condition is described, do not assume that the bulletin applies to your vehicle, or that your vehicle will have that condition. See a General Motors dealer servicing your brand of General Motors vehicle for information on whether your vehicle may benefit from the information.