GM Service Manual Online
For 1990-2009 cars only

ELECTRICAL SYSTEMS MANUAL UPDATE-DELCO BOSE RADIO

VEHICLES AFFECTED: 1989 C AND H CARS

The 1989 Buick Electrical Service Manual (ESM) does not show remove/replace procedures for Delco-Bose(R) amplifiers and speakers. Please insert Page 298a, which accompanies this bulletin, following page 298 in your ESM.

Also, add the following changes on the pages indicated:

1. Page 295: Change the title of Test D. Make the new title: SPEAKER TEST.

2. Page 295: In Test F, change the last bullet condition at the bottom of the test to read:

"If all voltages are ok, do Test D, SPEAKER TEST. If speaker is ok, then replace amplifier inside suspect amplifier/speaker unit; see 4a or 5a replace procedure."

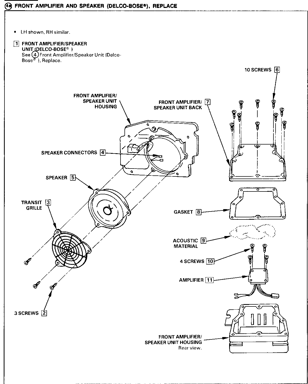
3. Page 298: In replacement procedure 4 ("Front Amplifier/Speaker Unit, Delco-Bose(R), Replace"), add Step 5 by writing in the following:

"See replacement procedure 4a to replace Delco-Bose R front amplifier or speaker."

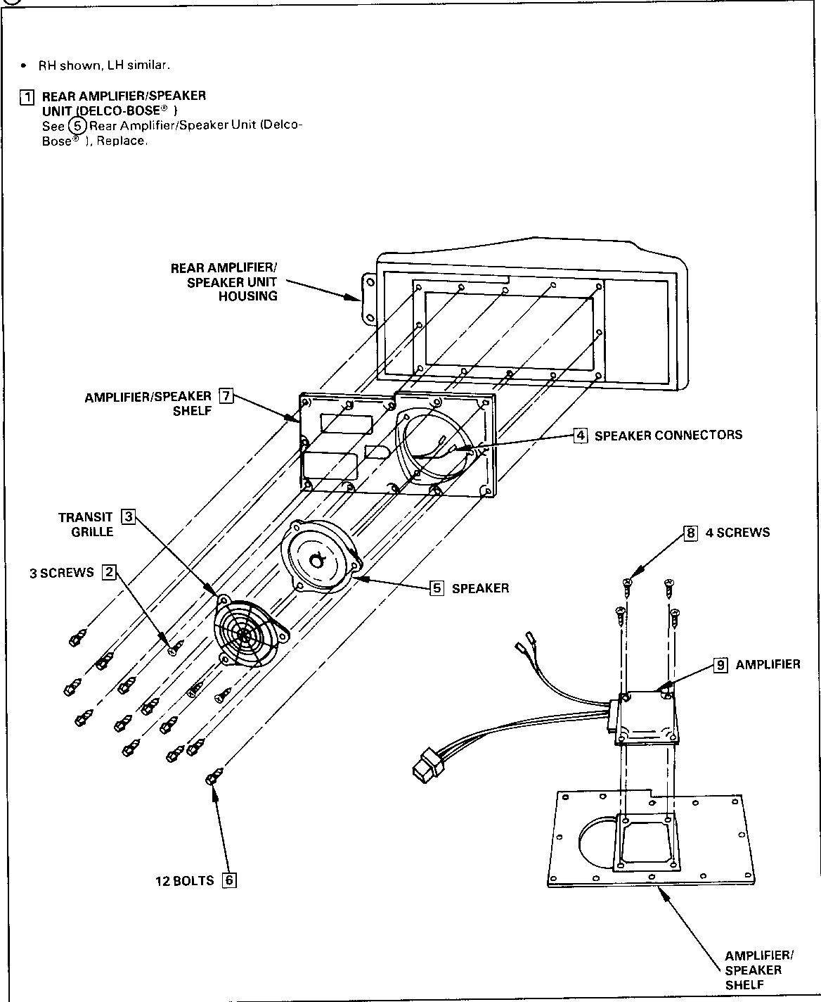
4. Page 298: In replacement procedure 5 ("Rear Amplifier/Speaker Unit, Delco-Bose(R), Replace"), add Step 4 by writing in the following:

"See replacement procedure 5a to replace Delco-Bose(R) rear amplifier or speaker."


Object Number: 77364  Size: FS


Object Number: 77363  Size: FS

General Motors bulletins are intended for use by professional technicians, not a "do-it-yourselfer". They are written to inform those technicians of conditions that may occur on some vehicles, or to provide information that could assist in the proper service of a vehicle. Properly trained technicians have the equipment, tools, safety instructions and know-how to do a job properly and safely. If a condition is described, do not assume that the bulletin applies to your vehicle, or that your vehicle will have that condition. See a General Motors dealer servicing your brand of General Motors vehicle for information on whether your vehicle may benefit from the information.