GM Service Manual Online
For 1990-2009 cars only

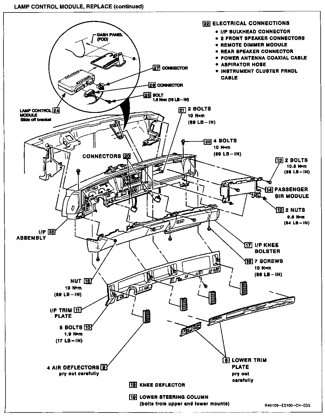
SMU - ESM EXTERIOR LAMPS REV. TO LAMP CONTROL MODULE

SUBJECT: SERVICE MANUAL UPDATE - ESM EXTERIOR LAMPS - REVISION TO LAMP CONTROL MODULE REPLACEMENT PROCEDURE

MODELS: 1994 BUICK LESABRE AND PARK AVENUE/PARK AVENUE ULTRA

THIS BULLETIN REVISES LAMP CONTROL MODULE REPLACEMENT INFORMATION FOR PAGE 518 OF THE EXTERIOR LAMPS SECTION IN THE BUICK ELECTRICAL SYSTEMS MANUAL.

PLEASE REPLACE PAGE 518 WITH THE FOLLOWING ATTACHMENT.

FIGURES: 0 ATTACHMENT: 1


Object Number: 79881  Size: FS

GENERAL MOTORS BULLETINS ARE INTENDED FOR USE BY PROFESSIONAL TECHNICIANS, NOT A "DO-IT-YOURSELFER". THEY ARE WRITTEN TO INFORM THOSE TECHNICIANS OF CONDITIONS THAT MAY OCCUR ON SOME VEHICLES, OR TO PROVIDE INFORMATION THAT COULD ASSIST IN THE PROPER SERVICE OF A VEHICLE. PROPERLY TRAINED TECHNICIANS HAVE THE EQUIPMENT, TOOLS, SAFETY INSTRUCTIONS AND KNOW-HOW TO DO A JOB PROPERLY AND SAFELY. IF A CONDITION IS DESCRIBED, DO NOT ASSUME THAT THE BULLETIN APPLIES TO YOUR VEHICLE, OR THAT YOUR VEHICLE WILL HAVE THAT CONDITION. SEE A GENERAL MOTORS DEALER SERVICING YOUR BRAND OF GENERAL MOTORS VEHICLE FOR INFORMATION ON WHETHER YOUR VEHICLE MAY BENEFIT FROM THE INFORMATION.

COPYRIGHT 1994 GENERAL MOTORS CORPORATION. ALL RIGHTS RESERVED.