GM Service Manual Online
For 1990-2009 cars only

Transmission Control Replacement 96-97 Hcar Olds, 98 Pontiac

Removal Procedure


    Object Number: 97271  Size: SH
  1. Remove the shift knob from the shifter.
  2. Remove the console assembly.

  3. Object Number: 97279  Size: SH
  4. Remove the park/lock cable from the floorshift control.

  5. Object Number: 97284  Size: SH
  6. Remove the shift control cable from the floorshift control.

  7. Object Number: 97286  Size: SH
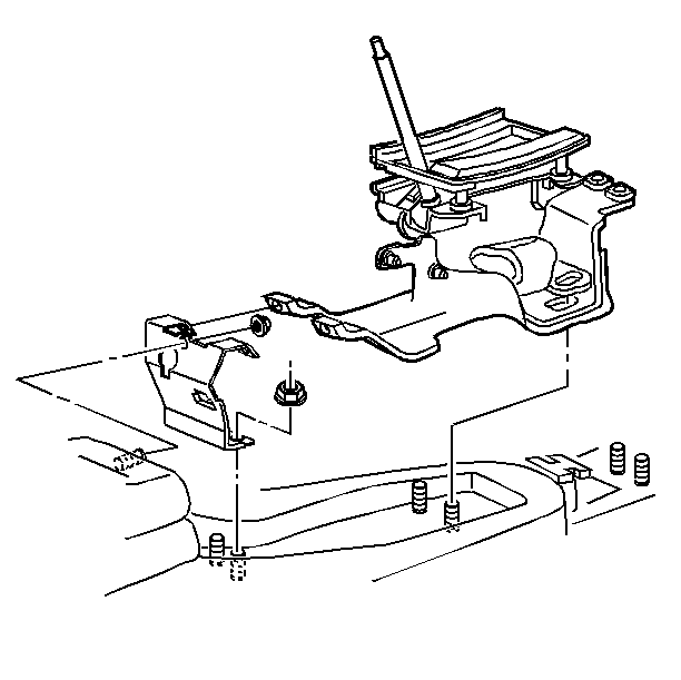
  8. Remove the floorshift control nuts.

  9. Object Number: 97288  Size: SH
  10. Remove the floorshift control.

Installation Procedure


    Object Number: 97288  Size: SH
  1. Install the floorshift control.

  2. Object Number: 97286  Size: SH
  3. Install the floorshift control nuts.

  4. Object Number: 97284  Size: SH
  5. Install the shift control cable to the floorshift control.

  6. Object Number: 97279  Size: SH
  7. Install the park/lock cable to the floorshift control.
  8. Install the console assembly.

  9. Object Number: 97271  Size: SH
  10. Install the shift knob to the shifter.

Transmission Control Replacement Pontiac

Removal Procedure


    Object Number: 97271  Size: SH
  1. Remove the shift knob from the shifter.
  2. Remove the console assembly.

  3. Object Number: 97536  Size: SH
  4. Remove the park/lock cable from the floorshift control.

  5. Object Number: 97538  Size: SH
  6. Remove the shift control cable from the floorshift control.

  7. Object Number: 97539  Size: SH
  8. Remove the floorshift control bolts.

  9. Object Number: 97540  Size: SH
  10. Remove the floorshift control.

Installation Procedure


    Object Number: 97540  Size: SH
  1. Install the floorshift control.

  2. Object Number: 97539  Size: SH
  3. Install the floorshift control bolts.

  4. Object Number: 97538  Size: SH
  5. Install the shift control cable to the floorshift control.

  6. Object Number: 97536  Size: SH
  7. Install the park/lock cable to the floorshift control.
  8. Install the console assembly.

  9. Object Number: 97271  Size: SH
  10. Install the shift knob to the shifter.