GM Service Manual Online
For 1990-2009 cars only

SMU - SECTION 5E2, ABS/TCS REVISED CHARTS, SCHEMATICS

SUBJECT: SERVICE MANUAL UPDATE - SECTION 5E2, ABS/TCS - REVISED CHARTS, SCHEMATICS AND TEXT FOR DTC(S) 14, 55-56, 61-68, 71-74, AND 91

MODELS: 1996 BUICK LESABRE, PARK AVENUE 1996 OLDSMOBILE EIGHTY EIGHT, NINETY EIGHT 1996 PONTIAC BONNEVILLE

THIS BULLETIN IS BEING ISSUED TO REVISE CHARTS, SCHEMATICS AND TEXT FOR VARIOUS DIAGNOSTIC TROUBLE CODE (DTC) CHARTS FOUND IN THE ABS/TCS SECTION 5E2 OF THE SERVICE MANUAL AS FOLLOWS:

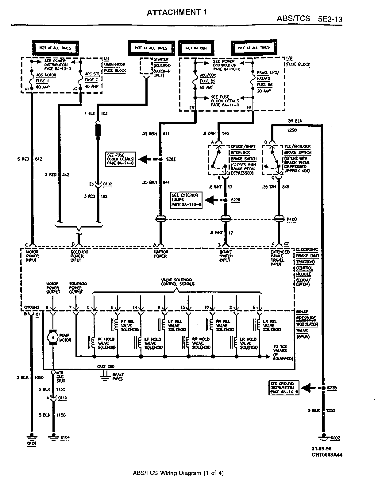
O ATTACHMENT 1 REPLACES THE SCHEMATIC ON PAGE 5E2-13.

O ATTACHMENT 2 REPLACES THE SCHEMATIC FOR DTC 14 ON PAGE 5E2-42.

O THE FOLLOWING TEXT IS TO REPLACE CURRENT DTC 14 TEXT ON PAGE 5E2-42 FOR "CIRCUIT DESCRIPTION"; "DTC WILL SET WHEN"; "DTC CHART TEST DESCRIPTION"; AND "DIAGNOSTIC AIDS":

DTC 14 - SOLENOID VALVE RELAY CONTACT CIRCUIT OPEN

CIRCUIT DESCRIPTION:

THE ABS/TCS RECEIVES POWER FROM THREE CIRCUITS. CKT 642 SUPPLIES BATTERY POWER TO THE PUMP MOTOR. CKT 342, OR CKT 102 IF A LESABRE, SUPPLIES BATTERY POWER TO THE SOLENOID VALVES, THE EBCM/EBTCM, AND THE COIL OF THE PUMP MOTOR RELAY. CKT 641 SUPPLIES BATTERY POWER TO INITIALIZE CONTROLLER OPERATIONS. IT ALSO SUPPLIES POWER TO THE SOLENOID VALVE RELAY.

DTC WILL SET WHEN:

THE POWER DISTRIBUTION SYSTEM DOES NOT SUPPLY BATTERY VOLTAGE TO CKT 342. FUSE 2 (ABS SOL) IS OPEN. CKT 342 HAS A WIRING PROBLEM, TERMINAL CORROSION, OR POOR CONNECTIONS. IF A LESABRE, DTC 14 WILL SET IF THE FUSIBLE LINK IS OPEN, NO BATTERY VOLTAGE TO THE STARTER SOLENOID, OR CKT 102 HAS A WIRING PROBLEM, TERMINAL CORROSION, OR POOR CONNECTIONS. THERE IS AN INTERNAL MALFUNCTION IN THE EBCM/ EBTCM OR THE BPMV.

DTC CHART TEST DESCRIPTION:

NUMBER(S) BELOW REFER TO CIRCLED NUMBER(S) ON THE DIAGNOSTIC CHART.

1. CHECKS IF THE ABS/SOLENOID FUSE, OR THE FUSIBLE LINK IS OPEN. 2. CHECK FOR VOLTAGE AT THE FUSE. 3. CHECKS FOR VOLTAGE AT THE EBCM/EBTCM. 4. CHECKS FOR A SHORT TO GROUND IN CKT 102, OR CKT 342. 5. CHECKS FOR AN INTERNAL SHORT IN THE BPMV. 6. CHECKS IF THE SHORT IS IN THE EBCM/EBTCM.

DIAGNOSTIC AIDS:

POSSIBLE CAUSES -

- INTERMITTENT SHORT TO GROUND IN CKT 342, OR 102 IF A LESABRE. - CORRODED OR DAMAGED CONNECTORS.

O ATTACHMENT 3 REPLACES DTC 14 CHART - SOLENOID VALVE RELAY CONTACT CIRCUIT OPEN, ON PAGE 5E2-43.

O ATTACHMENT 4 REPLACES DTC 55XX CHART - EBTCM INTERNAL MALFUNCTION (ABS/TCS DISABLED), ON PAGE 5E2-71.

O ATTACHMENT 5 REPLACES DTC 56XX CHART - EBTCM INTERNAL MALFUNCTION, ON PAGE 5E2-73.

O THE FOLLOWING TEXT IS TO REPLACE CURRENT TEXT FOR DTC CHART TEST DESCRIPTION FOR DTC(S) 61 - 74.

DTC CHART TEST DESCRIPTION:

NUMBER(S) BELOW REFER TO CIRCLED NUMBER(S) ON THE DIAGNOSTIC CHART.

1. CHECKS CONDITION OF EBCM/EBTCM TO BPMV CONNECTOR AND FOR PRESENCE OF BRAKE FLUID IN THE EBCM/EBTCM.

2. CHECKS THE INTEGRITY OF THE AFFECTED VALVE SOLENOID CIRCUITRY INTERNAL TO THE BPMV, AND THE VALVE SOLENOID COIL.

3. CHECKS FOR SOLENOID CIRCUIT SHORT TO GROUND (BPMV CASE).

4. CHECKS FOR CONTINUED DTC SETTING AFTER VALIDATING THAT THE CIRCUITRY AND THE SOLENOID VALVES ARE GOOD. IF DTC RESETS, THE EBCM/EBTCM IS LIKELY MALFUNCTIONING.

O ATTACHMENT 6 REPLACES DTC 61, 63, 65, 67 CHART - LF, RF, LR, AND RR HOLD VALVE SOLENOID MALFUNCTION, ON PAGE 5E2-75.

O ATTACHMENT 7 REPLACES DTC 62, 64, 66, 68 CHART - LF, RF, LR, AND RR RELEASE VALVE SOLENOID MALFUNCTION, ON PAGE 5E2-77.

O ATTACHMENT 8 REPLACES DTC 71 CHART - LF TCS MASTER CYLINDER ISOLATION VALVE MALFUNCTION, ON PAGE 5E2-79.

O ATTACHMENT 9 REPLACES DTC 72 CHART - LF TCS PRIME VALVE MALFUNCTION, ON PAGE 5E2-81.

O ATTACHMENT 10 REPLACES DTC 73 CHART - RF TCS MASTER CYLINDER ISOLATION VALVE MALFUNCTION, ON PAGE 5E2-83.

O ATTACHMENT 11 REPLACES DTC 74 CHART - RF TCS PRIME VALVE MALFUNCTION, ON PAGE 5E2-85.

O THE FOLLOWING TEXT IS TO REPLACE CURRENT TEXT FOR DTC CHART TEST DESCRIPTION FOR DTC 91.

DTC CHART TEST DESCRIPTION:

NUMBER(S) BELOW REFER TO CIRCLED NUMBER(S) ON THE DIAGNOSTIC CHART.

1. CHECKS FOR WHEEL SPEED SENSOR DTC(S). 3. INDICATES IF AN OPEN CIRCUIT EXISTS IN THE BRAKE SWITCH OR BRAKE LAMP CIRCUIT. 4. CHECKS FOR AN OPEN IN CKT 17.

O ATTACHMENT 12 REPLACES DTC 91 CHART - OPEN BRAKE LAMP SWITCH CIRCUIT DURING DECELERATION, ON PAGE 5E2-95.

FIGURES: 00 ATTACHMENTS: 12


Object Number: 76029  Size: FS


Object Number: 83939  Size: FS


Object Number: 76710  Size: FS


Object Number: 79815  Size: FS


Object Number: 76709  Size: FS


Object Number: 77755  Size: FS


Object Number: 76708  Size: FS


Object Number: 77754  Size: FS


Object Number: 77124  Size: FS


Object Number: 77753  Size: FS


Object Number: 76707  Size: FS


Object Number: 76361  Size: FS

GENERAL MOTORS BULLETINS ARE INTENDED FOR USE BY PROFESSIONAL TECHNICIANS, NOT A "DO-IT-YOURSELFER". THEY ARE WRITTEN TO INFORM THOSE TECHNICIANS OF CONDITIONS THAT MAY OCCUR ON SOME VEHICLES, OR TO PROVIDE INFORMATION THAT COULD ASSIST IN THE PROPER SERVICE OF A VEHICLE. PROPERLY TRAINED TECHNICIANS HAVE THE EQUIPMENT, TOOLS, SAFETY INSTRUCTIONS AND KNOW-HOW TO DO A JOB PROPERLY AND SAFELY. IF A CONDITION IS DESCRIBED, DO NOT ASSUME THAT THE BULLETIN APPLIES TO YOUR VEHICLE, OR THAT YOUR VEHICLE WILL HAVE THAT CONDITION. SEE A GENERAL MOTORS DEALER SERVICING YOUR BRAND OF GENERAL MOTORS VEHICLE FOR INFORMATION ON WHETHER YOUR VEHICLE MAY BENEFIT FROM THE INFORMATION.

COPYRIGHT 1996 GENERAL MOTORS CORPORATION. ALL RIGHTS RESERVED.