GM Service Manual Online
For 1990-2009 cars only
Makes
🢒
Buick
🢒
1996
🢒
LeSabre
🢒 Brake Switch, Solenoids, and TFT Sensor
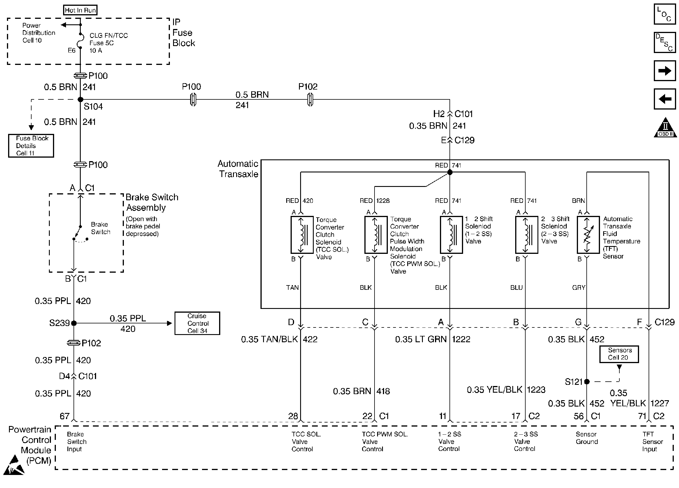
Brake Switch, Solenoids, and TFT Sensor
Brake Switch, Solenoids, and TFT Sensor
Automatic Transmission Components
Electronic Component Description
Shift Select Switch
PCM Power and VSS
OBD II Symbol Description Notice
Handling ESD Sensitive Parts Notice
Automatic Transmission Schematic References
Automatic Transmission Schematic References
Automatic Transmission Schematic References
Automatic Transmission Schematic References