GM Service Manual Online
For 1990-2009 cars only

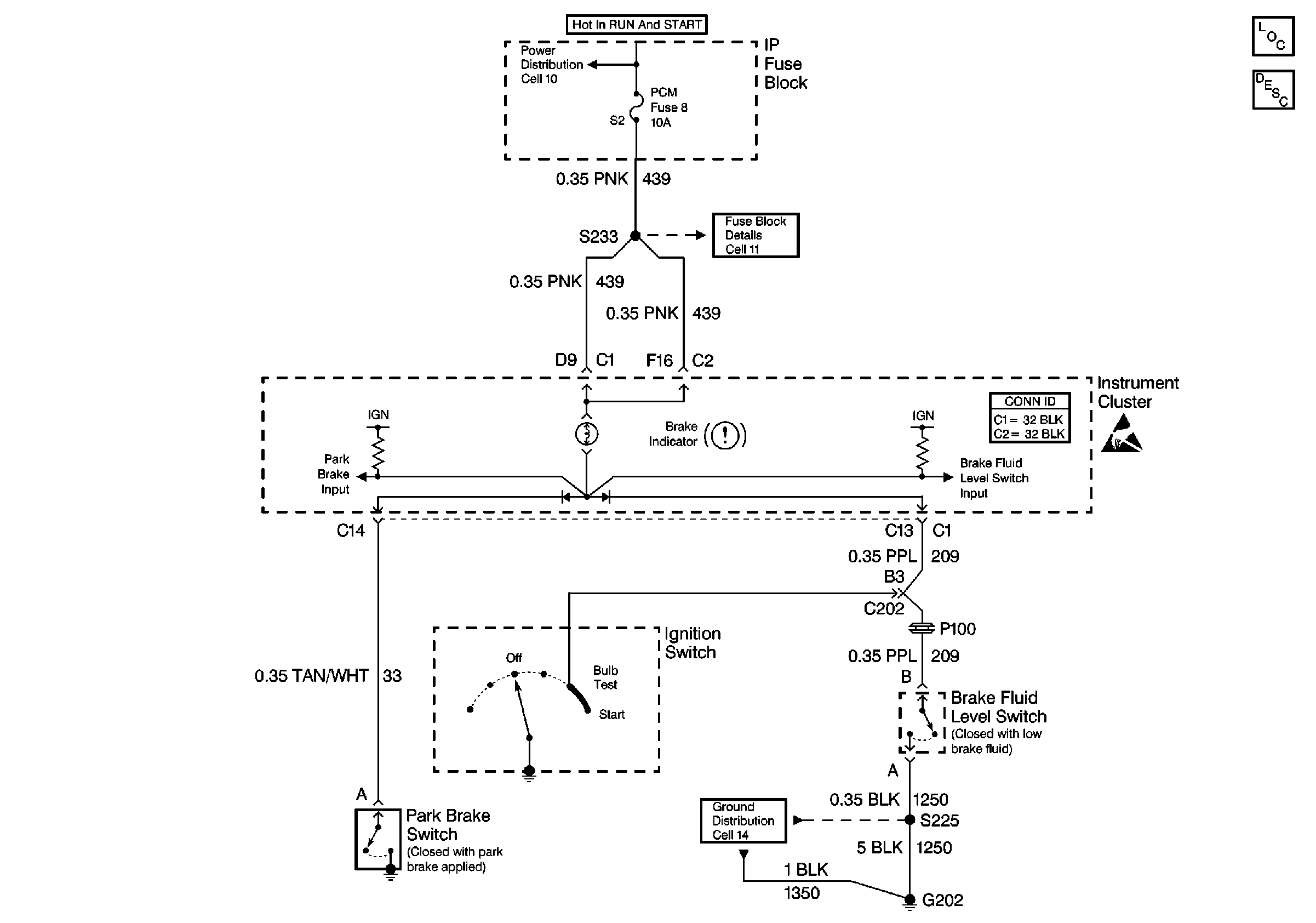
Brake Warning System Schematics Buick

Cell 41


Object Number: 207802  Size: FS
Hydraulic Brakes Components
Brake Warning System Circuit Description
ESD Notice
ESD Notice
ESD Notice
Hydraulic Brakes Schematic References
Hydraulic Brakes Schematic References
Hydraulic Brakes Schematic References
Hydraulic Brakes Schematic References
Hydraulic Brakes Schematic References

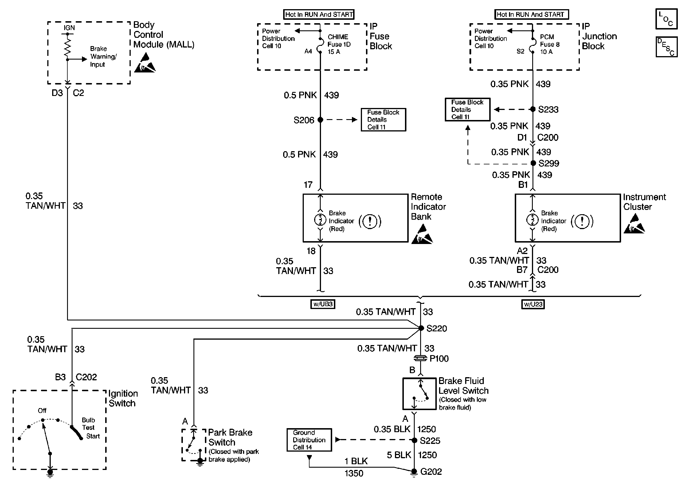
Brake Warning System Schematics Oldsmobile

Cell 41


Object Number: 207795  Size: FS
Hydraulic Brake Component Views
Brake Warning System Circuit Description
Hydraulic Brakes Schematic References
Hydraulic Brakes Schematic References
Hydraulic Brakes Schematic References
ESD Notice

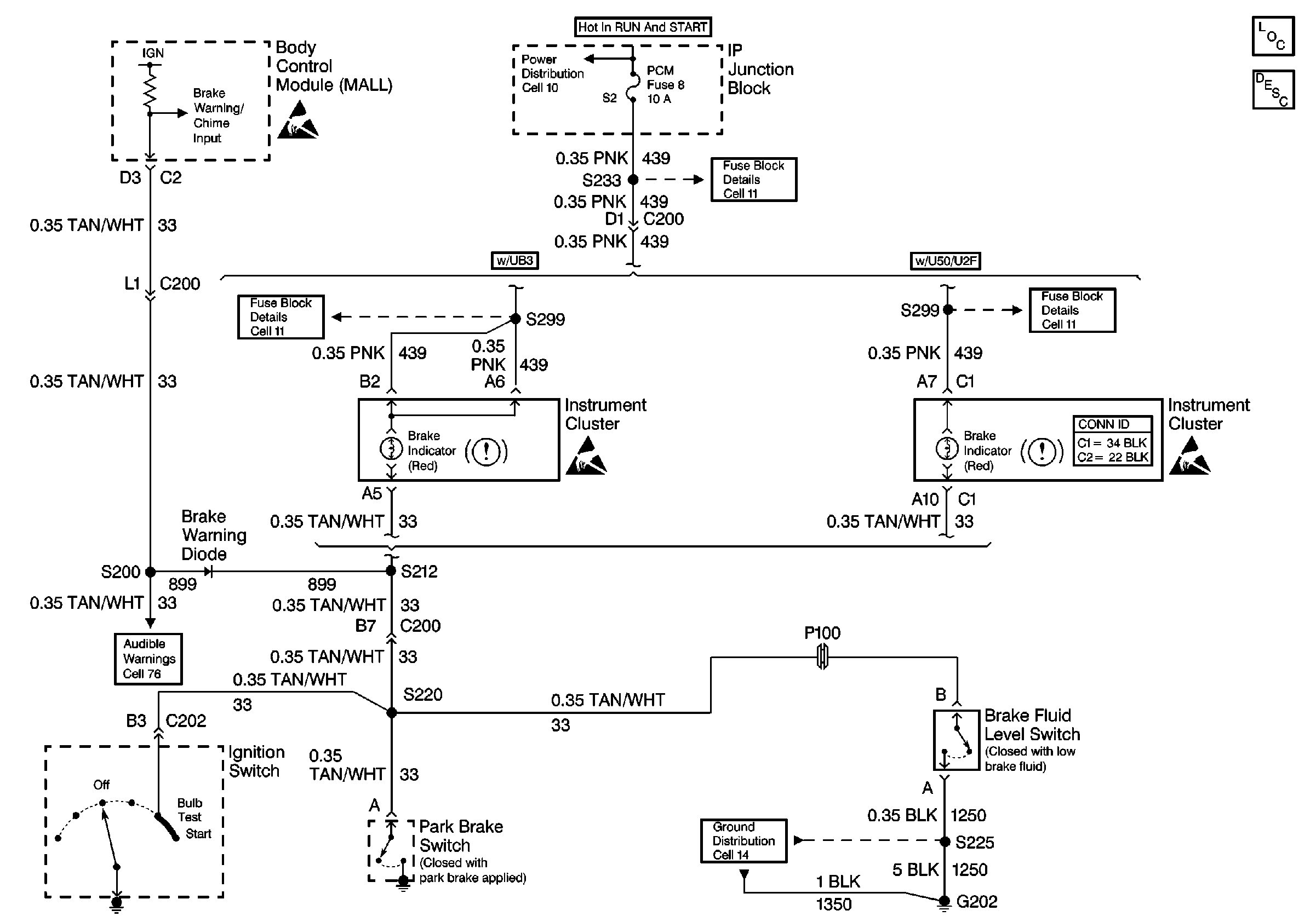
Brake Warning System Schematics Pontiac

Cell 41


Object Number: 207807  Size: FS
Hydraulic Brake Component Views
Brake Warning System Circuit Description
Hydraulic Brakes Schematic References
Hydraulic Brakes Schematic References
Hydraulic Brakes Schematic References
Hydraulic Brakes Schematic References
Hydraulic Brakes Schematic References
Hydraulic Brakes Schematic References
ESD Notice
ESD Notice
ESD Notice