GM Service Manual Online
For 1990-2009 cars only
Makes
🢒
Buick
🢒
1999
🢒
LeSabre
🢒
Suspension
🢒
Automatic Level Control
🢒 Automatic Level Control Schematics
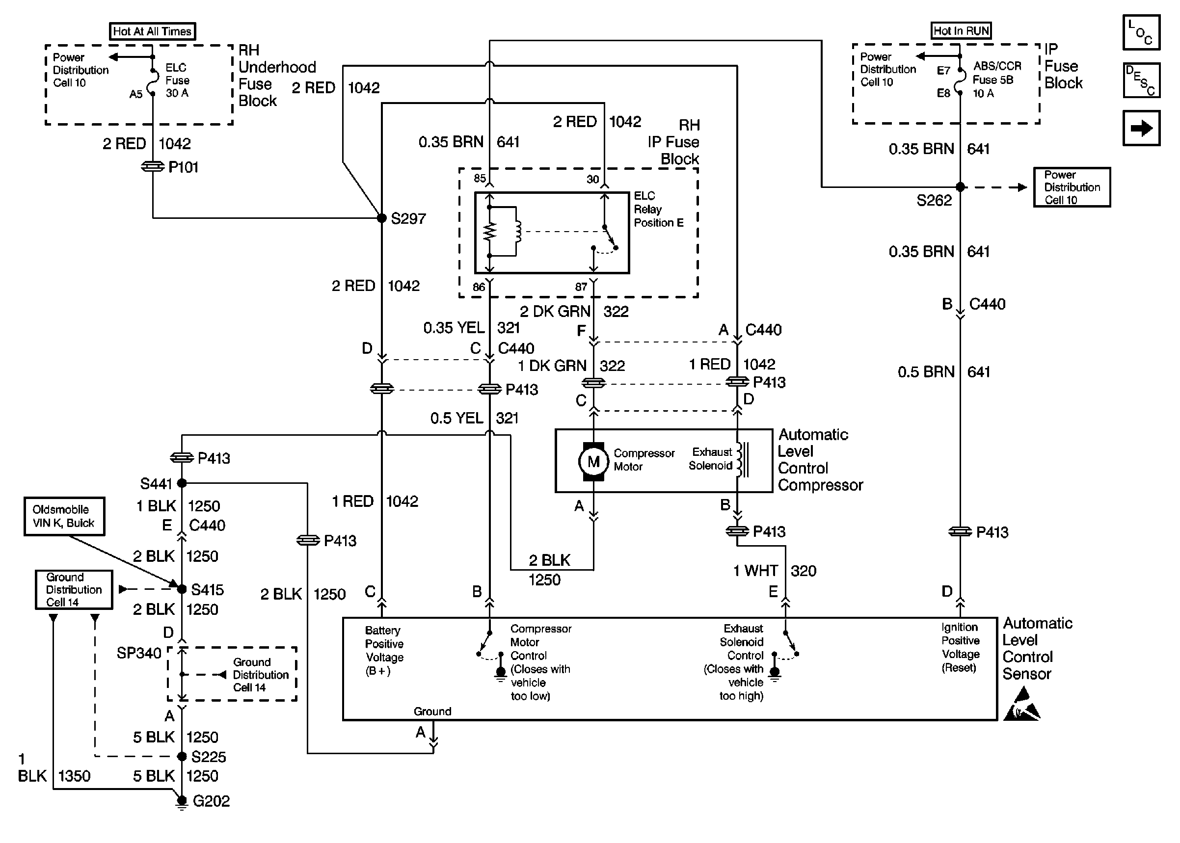
Figure
1:
Cell 42: Buick/Oldsmobile
Automatic Level Control Suspension Components
Automatic Level Control System Operation
Cell 42: Pontiac
Handling ESD Sensitive Parts Notice
Automatic Level Control Suspension Schematic References
Automatic Level Control Suspension Schematic References
Automatic Level Control Suspension Schematic References
Automatic Level Control Suspension Schematic References
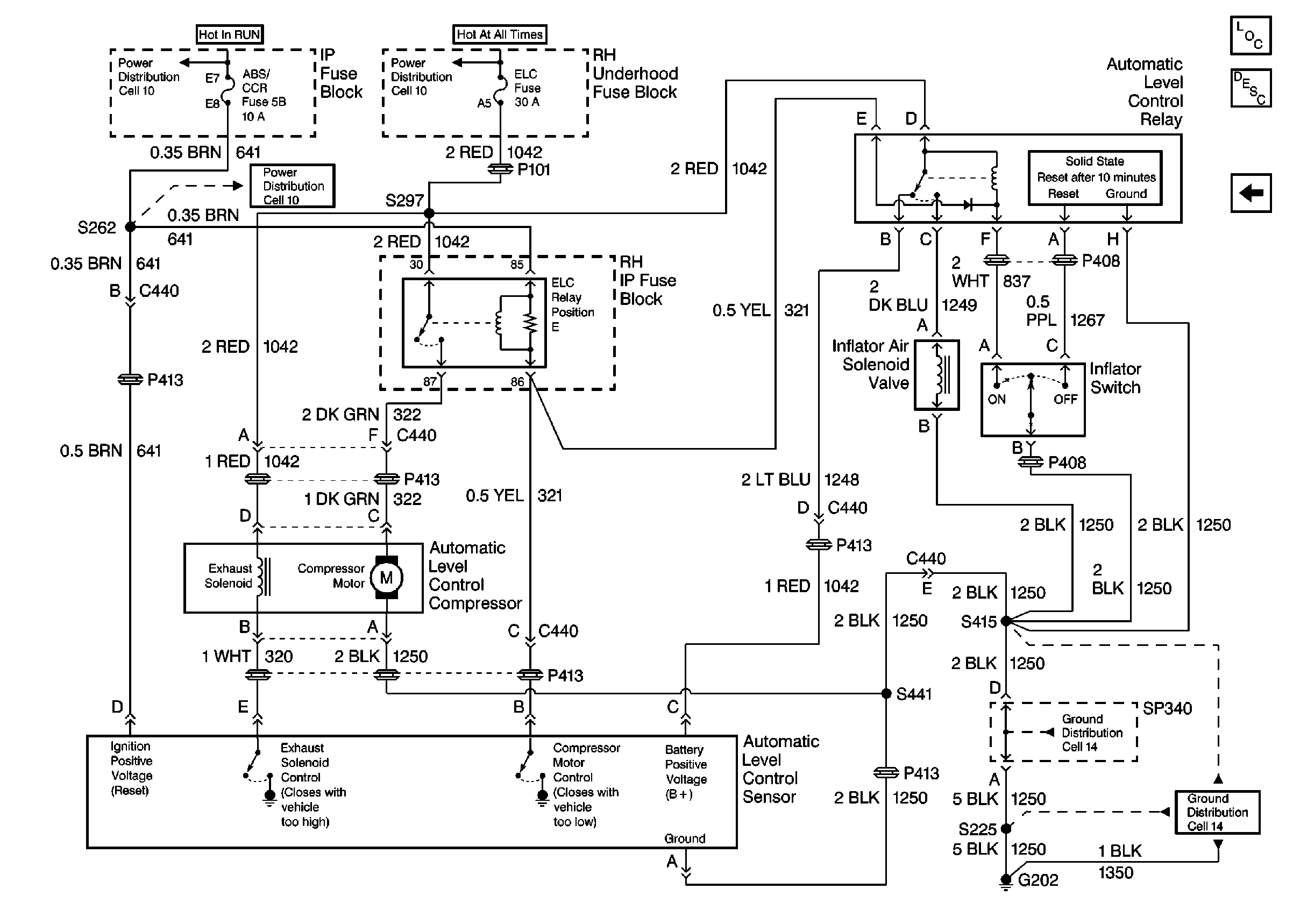
Figure
2:
Cell 42: Pontiac
Automatic Level Control Suspension Components
Automatic Level Control System Operation
Cell 42: Buick/Oldsmobile
Automatic Level Control Suspension Schematic References
Automatic Level Control Suspension Schematic References
Automatic Level Control Suspension Schematic References
Automatic Level Control Suspension Schematic References